|
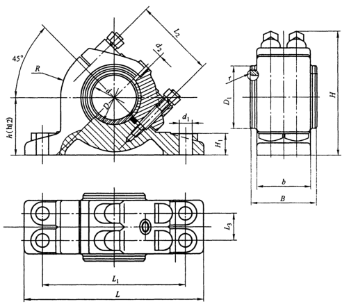
对开式四螺柱斜滑动轴承(JB/T 2563—2007) mm |
|||||||||||||||||
|
适于环境温度-20~80℃的工作条件。 标记示例:d=80mm的对开式四螺柱斜滑动轴承座:HX080 轴承座 JB/T 2563-2007
|
|||||||||||||||||
|
型号 |
d (H8) |
D |
D1 |
B |
b |
H≈ |
h (h12) |
H1 |
L |
L1 |
L2 |
L3 |
R |
d1 |
d2 |
r |
重量 ≈/kg |
|
HX050 |
50 |
60 |
70 |
75 |
60 |
140 |
65 |
25 |
200 |
160 |
90 |
30 |
60 |
14.5 |
M10×1 |
2.5 |
5.1 |
|
HX060 |
60 |
70 |
80 |
90 |
75 |
160 |
75 |
25 |
240 |
190 |
100 |
40 |
70 |
18.5 |
8.1 |
||
|
HX070 |
70 |
85 |
95 |
105 |
90 |
185 |
90 |
30 |
260 |
210 |
120 |
45 |
80 |
18.5 |
M14×1.5 |
12.5 |
|
|
HX080 |
80 |
95 |
110 |
120 |
100 |
215 |
100 |
35 |
290 |
240 |
140 |
55 |
90 |
24 |
17.5 |
||
|
HX090 |
90 |
105 |
120 |
135 |
115 |
225 |
105 |
35 |
300 |
250 |
150 |
70 |
95 |
24 |
3 |
21.0 |
|
|
HX100 |
100 |
115 |
130 |
150 |
130 |
250 |
115 |
40 |
340 |
280 |
160 |
80 |
105 |
24 |
29.5 |
||
|
HX110 |
110 |
125 |
140 |
165 |
140 |
260 |
120 |
40 |
350 |
290 |
170 |
85 |
110 |
24 |
32.5 |
||
|
HX120 |
120 |
135 |
150 |
180 |
155 |
275 |
130 |
40 |
370 |
310 |
190 |
90 |
120 |
28 |
40.5 |
||
|
HX140 |
140 |
160 |
175 |
210 |
170 |
300 |
140 |
45 |
390 |
330 |
210 |
100 |
130 |
28 |
4 |
53.5 |
|
|
HX160 |
160 |
180 |
200 |
240 |
200 |
335 |
150 |
50 |
410 |
350 |
230 |
120 |
140 |
35 |
76.5 |
||
|
HX180 |
180 |
200 |
220 |
270 |
220 |
375 |
170 |
50 |
460 |
400 |
260 |
140 |
160 |
35 |
94.0 |
||
|
HX200 |
200 |
230 |
250 |
300 |
245 |
425 |
190 |
55 |
520 |
440 |
300 |
160 |
180 |
42 |
5 |
120.0 |
|
|
HX220 |
220 |
250 |
270 |
320 |
265 |
440 |
205 |
60 |
550 |
470 |
330 |
180 |
195 |
42 |
140.0 |
||
|
注:1.与轴承座配合的轴颈应进行表面硬化。 2.轴颈圆角尺寸按GB/T 6403.4选取。 3.技术条件应符合JB/T 2564 的规定。 |
|||||||||||||||||

