|
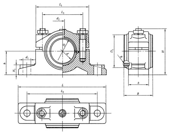
对开式二螺柱正滑动轴承(JB/T 2561—2007) mm |
||||||||||||||||
|
适于环境温度为 -20~80℃ 的工作条件。 标记示例: d=50mm的对开式二螺柱正滑动轴承座: H2050 轴承座 JB/T 2561-2007
|
||||||||||||||||
|
型号 |
d (H8) |
D |
D1 |
B |
b |
H ≈ |
h (h12) |
H1 |
L |
L1 |
L2 |
L3 |
d1 |
d2 |
R |
重量 ≈/kg |
|
H2030 |
30 |
38 |
48 |
34 |
22 |
70 |
35 |
15 |
140 |
85 |
115 |
60 |
10 |
M10×1 |
1.5 |
0.8 |
|
H2035 |
35 |
45 |
55 |
45 |
28 |
87 |
42 |
18 |
165 |
100 |
135 |
75 |
12 |
2 |
1.2 |
|
|
H2040 |
40 |
50 |
60 |
50 |
35 |
90 |
45 |
20 |
170 |
110 |
140 |
80 |
14.5 |
1.8 |
||
|
H2045 |
45 |
55 |
65 |
55 |
40 |
100 |
50 |
20 |
175 |
110 |
145 |
85 |
14.5 |
2.3 |
||
|
H2050 |
50 |
60 |
70 |
60 |
40 |
105 |
50 |
25 |
200 |
120 |
160 |
90 |
18.5 |
2.9 |
||
|
H2060 |
60 |
70 |
80 |
70 |
50 |
125 |
60 |
25 |
240 |
140 |
190 |
100 |
24 |
M14×1.5 |
2.5 |
4.6 |
|
H2070 |
70 |
85 |
95 |
80 |
60 |
140 |
70 |
30 |
260 |
160 |
210 |
120 |
24 |
7.0 |
||
|
H2080 |
80 |
95 |
110 |
95 |
70 |
160 |
80 |
35 |
290 |
180 |
240 |
140 |
28 |
10.5 |
||
|
H2090 |
90 |
105 |
120 |
105 |
80 |
170 |
85 |
35 |
300 |
190 |
250 |
150 |
28 |
3 |
12.5 |
|
|
H2100 |
100 |
115 |
130 |
115 |
90 |
185 |
90 |
40 |
340 |
210 |
280 |
160 |
35 |
17.5 |
||
|
H2110 |
110 |
125 |
140 |
125 |
100 |
190 |
95 |
40 |
350 |
220 |
290 |
170 |
35 |
19.5 |
||
|
H2120 |
120 |
135 |
150 |
140 |
110 |
205 |
105 |
45 |
370 |
240 |
310 |
190 |
35 |
25.0 |
||
|
H2140 |
140 |
160 |
175 |
160 |
120 |
230 |
120 |
50 |
390 |
260 |
330 |
210 |
35 |
4 |
33.5 |
|
|
H2160 |
160 |
180 |
200 |
180 |
140 |
250 |
130 |
50 |
410 |
280 |
350 |
230 |
35 |
45.5 |
||
|
注:1.与轴承座配合的轴颈应进行表面硬化。 2.轴颈圆角尺寸按GB/T 6403.4选取。 3.技术条件应符合 JB/T 2564 的规定。 |
||||||||||||||||

