|
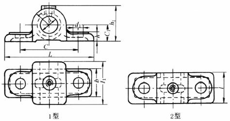
整体无衬正滑动轴承 mm |
|||||||||||
|
|
|||||||||||
|
型 式 |
d (H11) |
d1 |
l,b |
l1 |
C |
C1 ±0.5 |
r |
h |
h1 |
L |
|
|
2型 |
1型 |
16 18 |
12 |
30 |
|
70 |
20 |
18 |
9 |
40 |
自 行 考 虑 |
|
20 22 |
12 |
35 |
50 |
70 |
20 |
20 |
10 |
42 |
|||
|
25 28 |
14 |
40 |
60 |
80 |
24 |
24 |
10 |
50 |
|||
|
30 32 |
14 |
50 |
75 |
90 |
26 |
26 |
10 |
54 |
|||
|
36 38 |
14 |
60 |
90 |
100 |
28 |
28 |
12 |
58 |
|||

