|
故障诊断与对策 |
||||
|
故障种类 |
故障发生的时期不同,故障的内容和原因也不同 |
|||
|
初期故障 |
在调试阶段和开始运转的两三个月内发生的故障称为初期故障。其产生的原因如下: (1)元件加工、装配不良。如元件内孔的研磨不符合要求,零件毛刺未清除干净,不清洁安装,零件装错、装反,装配时对中不良,紧固螺钉拧紧力矩不恰当,零件材质不符合要求,外购零件(如密封圈、弹簧)质量差等 (2)设计错误。设计元件时对元件的材料选用不当,加工工艺要求不合理等。对元件的特点、性能和功能了解不够,造成回路设计时元件选用不当。设计的空气处理系统不能满足气动元件和系统的要求,回路设计出现错误 (3)安装不符合要求。安装时,元件及管道内吹洗不干净,使灰尘、密封材料碎片等杂质混入,造成气动系统故障,安装气缸时存在偏载。管道的固定、防振动等没有采取有效措施 (4)维护管理不善,如未及时排放冷凝水,未及时给油雾器补油等 |
|||
|
突发故障 |
系统在稳定运行期间突然发生的故障。例如,油杯和水杯都是用聚碳酸酯材料制成的,如它们在有机溶剂的雾气中工作,就有可能突然破裂;空气或管路中,残留的杂质混入元件内部,突然使相对运动件卡死:弹簧突然折断、软管突然破裂、电磁阀线圈突然烧毁;突然停电造成回路误动作等 有些突发故障是有先兆的。如排出的空气中出现杂质和水分,表明过滤器已失效,应及时查明原因,予以排除,不要酿成突发故障。但有些突发故障是无法预测的,只有采取安全措施加以防范,或准备一些易损元件,以备及时更换失效元件 |
|||
|
老化故障 |
个别或少数元件达到使用寿命后发生的故障称为老化故障。参照系统中各元件的生产日期、开始使用日期、使用的频度以及已经出现的某些征兆,如反常声音、泄漏越来越大、气缸运行不平稳等,大致预测老化故障的发生期限是可能的 |
|||
|
故障诊断方法 |
经验法 |
主要依靠实际经验,并借助简单的仪表,诊断故障发生的部位,找出故障原因的方法,称为经验法。经验法可按中医诊断病人的四字“望闻问切”进行 (1)望:如看执行元件的运动速度有无异常变化;各测压点的压力表显示的压力是否符合要求,有无大的波动;润滑油的质量和滴油量是否符合要求;冷凝水能否正常排出;换向阀排气口排出空气是否干净;电磁阀的指示灯显示是否正常;紧固螺钉及管接头有无松动;管道有无扭曲和压扁;有无明显振动存在;加工质量有无变化等 (2)闻:包括耳闻和鼻闻,如气缸及换向阀换向时有无异常声音;系统停止工作但尚未泄压时,各处有无漏气,漏气声音及其大小及其每天的变化状况;电磁线圈和密封圈有无过热而发出特殊气味等 (3)问:即查阅气动系统的技术档案,了解系统的工作程序、运行要求及主要技术参数;查阅产品样本,了解每个元件的作用、结构、功能和性能;查阅维护检查记录,了解日常维护保养工作情况;访问现场操作人员,了解设备运行情况,了解故障发生前的征兆及故障发生时的状况,了解曾经出现过的故障及其排除方法 (4)切:如触摸相对运动件外部的温度,电磁线圈处的温升等,触摸2s感到烫手,应查明原因;气缸、管道等处有无振动感,气缸有无爬行感,各接头处及元件处手感有无漏气等 经验法简单易行,但由于每个人的感觉、实际经验和判断能力的差异,诊断故障会存在一定的局限性 |
||
|
推理分析方法 |
利用逻辑推理、步步逼近,寻找出故障的真实原因的方法称为推理分析法 |
|||
|
推 理 步 骤 |
从故障的症状找到故障发生的真正原因,可按下面三步进行: (1)从故障的症状,推理出可能导致故障的常见原因 (2)从故障的本质原因,推理出可能导致故障的常见原因 (3)从各种可能的常见原因中,推理出故障的真实原因 如阀控气缸不动作的故障,其本质原因是气缸内气压不足或阻力太大,以致气缸不能推动负载运动。气缸、电磁换向阀、管路系统和控制线路都可能出现故障,造成气压不足,而某一方面的故障又有可能是由于不同的原因引起的。逐级进行故障原因推理,画出故障分析方框图。又故障的本质原因逐级推理出来的众多可能的故障常见原因是依靠推理及经验累积起来的。怎样从众多可能的常见故障原因中找出一个或几个故障的真实原因呢?下面介绍一些推理分析方法 |
|||
|
推 理 方 法 |
推理的原则是:由简到繁、由易到难、由表及里地逐一进行分析,排除掉不可能的和非主要的故障原因;故障发生前曾调整或更换过的元件先查;优先查故障概率高的常见原因 (1)仪表分析法,利用监测仪器仪表,如压力表、差压计、电压表、温度计、电秒表及其他电子仪器等,检查系统中元件的参数是否符合要求 (2)部分停止法,即暂时停止气动系统某部分的工作,观察对故障征兆的影响 (3)试探反证法,即试探性地改变气动系统中的部分工作条件,观察对故障征兆的影响。如阀控气缸不动作时,除去气缸的外负载,察看气缸能否正常动作,便可反证是否是由于负载过大造成气缸不动作 (4)比较法,即用标准的或合格的元件代替系统中相同的元件,通过工作状况的对比,来判断被更换的元件是否失效 |
|||
|
故 障 诊 断 实 例 |
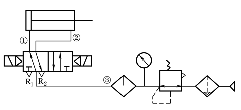
为了从各种常见的故障原因中推理出故障的真实原因,可根据上述推理原则和推理方法查找故障的真实原因 要快速准确地找到故障的真实原因,还可以画出故障诊断逻辑推理框图,以便于推理 (1)首先察看气缸和电磁阀的漏气情况,这是很容易判断的。气缸漏气大,应查明气缸漏气的原因。电磁阀漏气,包括不应排气的排气口漏气。若排气口漏气大,应查明是气缸漏气还是电磁阀漏气。如图所示回路,当气缸活塞杆已全部伸出时,R2孔仍漏气,可卸下管道②,若气缸口漏气大,则是气缸漏气,反之为电磁阀漏气。漏气排除后,气缸动作正常,则故障真正原因即是漏气所致。若漏气排除后,气缸动作仍不正常,则漏气不是故障的真正原因,应进一步诊断 |
阀控气缸不动作的故障诊断图 |
||
|
(2)若缸和阀都不漏气或漏气很少,应先判断电磁阀能否换向。可根据阀芯换向时的声音或电磁阀的换向指示灯来判断。若电磁换向阀不能换向,可使用试探反证法,操作电磁先导阀的手动按钮来判断是电磁先导阀故障还是主阀故障。若主阀能换向,及气缸动作了,则必是电磁先导阀故障。若主阀仍不能切换,便是主阀故障。然后进一步查明电磁先导阀或主阀的故障原因 (3)若电磁换向阀能切换,但气缸不动作,则应查明有压输出口是否没有气压或气压不足。可使用试探反证法,当电磁阀换向时活塞杆不动作,可卸下图中的连接管①。若阀的输出口排气充分,则必为气缸故障。若排气不足或不排气,可初步排除是气缸故障,进一步查明气路是否堵塞或供压不足。可检查减压阀上的压力表,看压力是否正常。若压力正常,再检查管路③各处有无严重泄漏或管道被扭曲、压扁等现象。若不存在上述问题,则必是主阀阀芯被卡死。若查明是气路堵塞或供压不足,即减压阀无输出压或输出压力太低,则进一步查明原因 (4)电磁阀输出压力正常,气缸却不动作,可使用部分停止法,卸去气缸外负载。若气缸动作恢复正常,则应查明负载过大的原因。若气缸仍不动作或动作不正常,则进一步查明是否摩擦力过大 |
||||

