|
典型的继电器控制气动回路 |
||
|
采用继电器控制的气动系统设计时,应将电气控制梯形图和气动回路图分开画,两张图上的文字符号应一致 (1) 单气缸的继电器控制回路(见表1) 表1 |
||
|
操
作
回
路 |
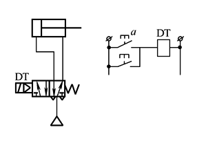
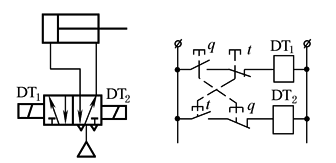
双手操作(串联)回路
采用串联电路和单电控电磁阀构成双手同时操作回路,可确保安全 |
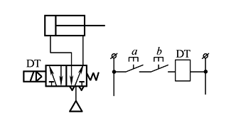
“两地”操作(并联)回路
采用并联电路和电磁阀构成“两地”操作回路,两个按钮只要其中之一按下,气缸就伸出。此回路也可用于手动和自动等 |
|
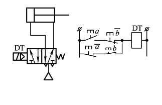
具有互锁的“两地”单独操作回路
两个按钮只有其中之一按下气缸才伸出,而同时不按下或同时按下时气缸不动作 |
带有记忆的单独操作回路
采用保持电路分别实现气缸伸出、缩回的单独操作回路。该回路在电气-气动控制系统中很常用,其中启动信号q、停止信号t也可以是行程开关或外部继电器,以及它们的组合等 |
|
|
采用双电控电磁阀的单独操作回路
该回路的电气线路必须互锁,特别是采用直动式电磁阀时,否则电磁阀容易烧坏 |
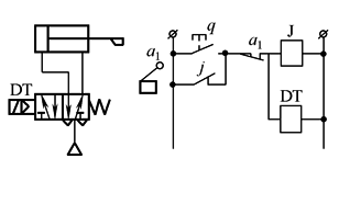
单按钮操作回路
每按一次按钮,气缸不是伸出就是缩回。该回路实际是一位二进制记数回路 |
|
|
往
复
回
路 |
采用行程开关的单往复回路
当按钮按下时,电磁阀换向,气缸伸出。当气缸碰到行程开关时,使电磁阀掉电,气缸缩回 |
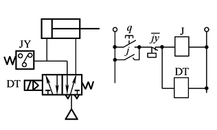
采用压力开关的单往复回路
当按钮按下时,电磁阀换向,气缸伸出。当气缸碰到工件,无杆腔的压力上升到压力继电器JY的设定值时,压力继电器动作,使电磁阀掉电,气缸缩回 |
|
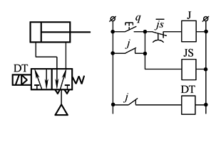
时间控制式单往复回路
当按钮按下时,电磁阀得电,气缸伸出。同时延时继电器开始计时,当延时时间到时,使电磁阀掉电,气缸缩回 |
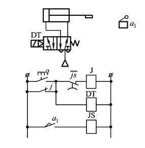
延时返回的单往复回路
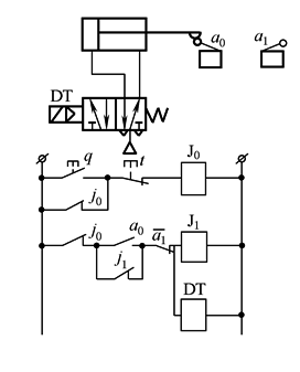
该回路可实现气缸伸出至行程端点后停留一定时间后返回 |
|
|
位置控制式二次往复回路
按一次按钮q,气缸连续往复两次后在原位置停止 |
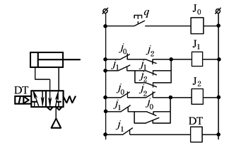
采用双电控电磁阀的连续往复回路
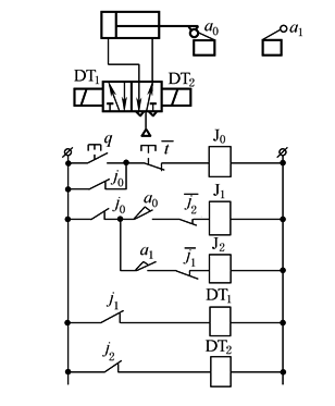
按下启动按钮q,气缸连续前进和后退,直到按下停止按钮t,气缸停止动作。如果在气缸前进(或后退)的途中按下停止按钮t,气缸则在前进(或后退)终端位置停止。为了增加行程开关的触点以进行联锁,和减少行程开关的电流负载以延长使用寿命,在电气线路中增加了继电器J1和J2 |
|
|
|
采用单电控电磁阀的连续往复回路
|
按下启动按钮q,气缸连续前进和后退,直到按下停止按钮t,气缸停止动作。如果在气缸前进(或后退)的途中按下停止按钮t,气缸则在缩回位置停止。为了增加行程开关的触点以进行联锁,和减少行程开关的电流负载以延长使用寿命,在电气线路中增加了继电器J0和J1 |
|
(2) 多气缸的电-气联合顺序控制回路(见表2) 表2 |
||
|
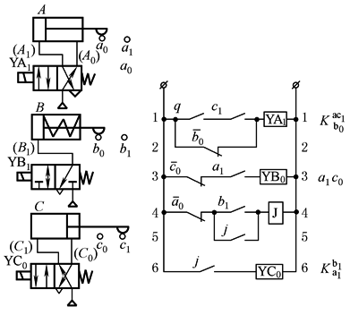
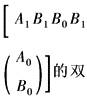
程序 A1A0B1B0 的电气控 制回路 |
|
SZ为手动/自动转换开关,S是手动位置,Z是自动位置,SA、SB是手动开关 |
|
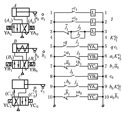
程序 A1B1C0 B0A0C1 的电-气联 合控制回路 |
|
主控阀为单电控电磁阀的电-气控制回路
|
|
主控阀为双电控电磁阀的电-气控制回路
|
||
|
程序 A1B1C1 (延时t) C0B0A0的 电-气联合 控制回路 |
|
|
|
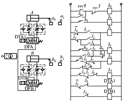
程序
缸多往复 电-气联合 控制回路 |
|
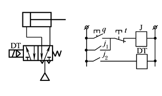
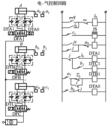
电-气控制回路
电磁阀为单电控电磁阀,J0为全程继电器,由启动按钮q和停止按钮t控制。J1、J2是中间记忆元件。J5是用于扩展行程开关b1的触点(假定行程开关只有一对常开-常闭触点)。为了满足电磁阀DFA的零位要求,引进了J4继电器,继电器J1的触点最多,应选用至少有四常开二常闭的型号 |























