|
气动程序控制系统的设计方法 |
|
|
对于气动顺序控制系统的设计来说,设计者要解决两个回路的设计:气动动力回路和电气逻辑控制回路。下面以如图1所示的零件装配的压入装置为例,说明气动程序系统的设计方法。
图1 压入装置及气缸动作顺序图 (1) 气动动力回路的设计 气动动力回路设计主要涉及压力、流量和换向三类气动基本控制回路以及气动元件的选取等。设计方法多用经验法,也 |
|
|
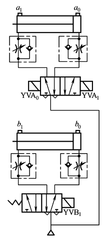
就是根据设计要求,选用气动常用回路组合,然后分析是否满足要求,如果不能满足要求,则需另选回路或元件,直到满足要求为止。其具体设计步骤可归纳如下 ① 据设计要求确定执行元件的数量,分析机械部分运动特点,确定气动执行元件的种类(气缸、摆缸、气动手爪、真空吸盘等) ② 根据输出力的大小、速度调整范围、位置控制精度及负载特点、运动规律等确定常用回路,将这些回路综合并和执行元件连接起来 ③ 确定回路中各元件的型号和电气规格。气动元件的选型顺序如下 执行元件:根据要求的输出力大小、负载率、工件运动范围等因素,确定气缸的缸径和行程 电磁阀:根据气缸缸径、运动速度范围,确定电磁阀的大小(通径);根据是否需要断电保护,确定是采用单电控电磁阀或双电控电磁阀;根据控制器的电气规格,确定电磁阀的驱动电压 单向节流阀:根据气缸缸径、运动速度范围,确定单向节流阀的节流方式(进气节流或排气节流)和大小(型号)。需要注意的是,单向节流阀应在其可调节区间内使用,单向节流阀的螺纹应和气缸进排气口的螺纹一致 过滤器、减压阀:根据气动系统要求的空气洁净度,确定过滤器的过滤精度;根据气动系统的最大耗气量,确定过滤器、减压阀的大小(型号)。如果执行元件要求的压力不一样,则需要增加分支管路,在分支管路上分别安装减压阀。减压阀应安装在过滤器之后 消声器:根据要求的消声效果确定消声器的型号,消声器的接口螺纹应和电磁阀排气口的螺纹相一致 管接头和软管:根据电磁阀、减压阀等的大小,确定管接头的大小和接口螺纹以及软管的尺寸 根据零件压入装置的技术要求,设计气动动力回路如图2所示。在该回路 |
图2 气动回路 |
|
中,执行元件为双作用气缸,单向节流阀采用排气节流方式,控制运送气缸的电磁阀为双电控电磁阀,控制压下气缸的电磁阀为单电控电磁阀 (2) 电气控制回路设计 电气控制回路的设计方法有许多种,如信号-动作线图法(简称X-D线图法)、卡诺图法、步进回路图法等。这里介绍一种较常用的设计方法,即信号-动作(X-D)线图法。在利用X-D线图法设计电气逻辑控制回路之前,必须首先设计好气动动力回路,确定与电气逻辑控制回路有关的主要技术参数,诸如电磁阀为双电控还是单电控,二位式还是三位式,电磁铁的使用电压规格等,并根据工艺要求按顺序列出各个气缸的必要动作,画出气缸的动作顺序图,编制工作程序 采用X-D线图法进行气动顺序控制系统的设计步骤可归纳如下:编制工作程序;绘制X-D线图;消除障碍信号;求取气缸主控信号逻辑表达式;绘制继电器控制电路梯形图 ① 编制工作程序。首先按顺序列出各个必要的动作: a.将工件放在运送台上(人工); b.按钮开关按下时,运送气缸伸出(A1); c.运送台到达行程末端时,压下气缸下降,将零件压入(B1); d.在零件压入状态保持T秒(延时T秒); e.压入结束后,压下气缸上升(B0); f.压下气缸到达最高处后,运送气缸后退(A0)。 |
|
|
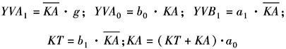
图3 [A1B1(延时T)B0A0]程序的X-D线图 |
|
|
将两个气缸的顺序动作用顺序图表示出来则如图1b所示。顺序图中横轴表示时间,纵轴表示动作(气缸的伸缩行程)。此外,箭头表示根据主令信号决定下一步的执行动作 工作程序的表示方法为:用大写字母A、B、C…表示气缸;用下标1、0表示气缸的两个运动方向,其中下标1表示气缸伸出,0表示气缸缩回。如A1表示气缸A伸出,B0表示气缸B缩回 经过分析可得双缸回路的程序为[A1B1(延时T)B0A0],如果将延时也算作一个动作节拍,则该程序共有五个顺序动作 ② 绘制X-D线图。步骤如下 a.画方格图(见图3)。根据动作顺序,在方格图第一行从左至右填入动作顺序号(也称节拍号),在第二行内填入相应的气缸动作。以下各行用来填写各气缸的动作区间和主令切换信号区间。如果有i只气缸,则应有(2i+j)行,其中j行为备用行,用来布置中间继电器的工作区间。对于一般的顺序控制系统,j取1~2行;对于复杂的多往复系统可多留几行。在每一行的最左一栏中,上下分别写上主令切换信号和该主令信号所要控制的动作。例如,对本例来说,在第一行的上下分别写上a0和A1,第二行写上a1和B1,……应该说明,填写主令信号及其相应动作的次序可以不按照动作顺序。X-D线图右边一栏为“主控信号”栏,用来填写各个气缸控制信号的逻辑表达式。控制信号A*1表示在图3中,时间继电器KT用于实现延时T,KT1表示得电状态,KT0表示失电状态。KA为中间继电器 b.画动作区间线(简称D线)。用粗实线画出各个气缸的动作区间。画法如下:以纵横动作的大写字母相同,下标也相同的方格左端纵线为起点,以纵横动作的大写字母相同但下标相反的方格的左端纵线为终点,从左至右用粗实线连线。如A1动作从第一节拍开始至第四节拍终止,B1动作线从第二节拍开始至第三节拍终止。同理可画出全部动作区间线。应说明的是,顺序动作是尾首相连的循环,因此最后一个节拍的右端纵线与第一节拍的左端纵线实际是一根线 c.画主令信号状态线(简称X线)。用细实线画出主令信号的状态线,为了区别于动作状态线,起点用小圆圈“°”表示。a1信号状态线的起点在动作A1的右端纵线上,终点在A0的左端纵线上,但略为滞后一点。a0信号状态线的起点在A0动作的右端纵线上,终点在A1动作的左端纵线上,但略为滞后一点。按照这一原则,可画出所有主令信号的状态线。为了清楚起见,程序的第一个动作的主令信号状态线画在第一节拍的左端纵线上。对于本例,a0信号状态线的起点在A1动作的左端纵线上,而不画在A0动作的右端纵线上 ③ 消除障碍信号 a.判别障碍信号。所谓障碍信号是指在同一时刻,电磁阀的两个控制侧同时存在控制信号,妨碍电磁阀按预定程序换向。因此,为了使系统正常动作,就必须找出障碍信号,并设法消除它。用X-D图确定障碍信号的方法是,在同一行中凡存在信号线而无对应动作线的信号段即为障碍段,存在障碍段的信号为障碍信号。障碍段在X-D线图中用“ b.布置中间记忆继电器。引入中间记忆继电器是为了消除障碍信号的障碍段。所需中间继电器的数量N取决于顺序系统的特征值M: N=INT[(M+1)/2] 式中,INT表示对运算结果取整的函数。对于单往复顺序系统来说,特征值M为M=m1+m2+m3+…+mi-1。对于多往复顺序系统来说,特征值M=m1+m2+m3+…+mi。其中,i为气缸的数量,m1为单缸特征值,m2为双缸特征值,m3为三缸特征值,余类推 所谓单缸特征值是指程序中单个气缸连续往复运动的次数。例如在本例程序[A1B1(延时T)B0A0]中,有(B1B0),还有尾首动作(A0A1)也是连续往复运动,因此m1=2 双缸特征值是指某两个气缸在一段程序中连续完成一次往复运动的次数。例如程序[A1B1A0B0B1B0]中,就有(A1B1A0B0)或(B0A1B1A0)的一段程序,这表明A、B两缸在该程序中连续完成一次往复运动。需要说明的是,如果程序中某几个连续动作既可以和前面的某几个动作划在一起构成一次连续往复运动,又可与后面某几个动作划在一起构成一次连续往复运动,那么只能选择其中一种划分方法,不能同时都取。因此,在上述程序中,(A1B1A0)既可与后面的(B0)构成(A1B1A0B0),又可与前面的(B0)一起构成(B0A1B1A0),我们只能选取其中一种,因此m2=1 关于三缸特征值和多缸特征值的计算方法,和单缸及双缸特征值的计算方法类似。在确定了所有单项特征值之后,就可以对它们求和,得出系统的特征值。如果程序中某个气缸的两个动作既可构成单缸连续往复运动,又可组成双缸或多缸连续往复运动,那么也只能选择其中一种划分方法。为了清楚起见,在程序中有连续往复运动的两个相反动作(或动作组)之间插入一根短直线表示M≠0。对于本例的程序可表示为: [A1B1(延时T)B0A0|] 对本例来说,M=2,中间继电器数N=1。若程序中没有连续往复运动,即M=0,则控制回路不引入中间继电器也能消除障碍信号段 c.布置中间继电器的工作区间。在X-D线图下面的备用行内用细直线布置中间继电器的工作区间,有细直线的区间表示继电器的线圈得电,没有细直线的区间表示继电器的线圈失电。为了能正确地消除障碍信号,布置中间继电器的工作区间时必须遵守下列规定:(a)连续往复运动的两个动作(或动作组)之间的分界线必须是中间继电器的切换线,即置位信号或复位信号的起点必须在该线上;(b)对于N>2的程序,中间继电器的切换顺序要按图4所示的方式布置。这样可保证至少有一个节拍重叠,主控信号的逻辑运算简单,回路工作可靠
图4 中间继电器布置方法 d.求取中间继电器的逻辑函数。首先应找出中间继电器的主令信号。由X-D图不难看出,凡信号线的起点(小圆圈)在中间继电器的切换线上,则它一定是中间继电器置位信号S或复位信号R的主令信号。在得出中间继电器的主令信号后,还必须确定其主令信号是否存在障碍段。和气缸的主令信号类似,若S的主令信号有部分线段出现在中间继电器的非工作区段,或R的主令信号有部分线段出现在中间继电器的工作区段,则这部分线段对中间继电器KA来说都是障碍段。如果S、R的主令信号存在障碍段,则必须消除,方法和消除气缸主令信号的障碍段一样 对本例来说,S、R的主令信号均不存在障碍,所以其逻辑表达式为 S=KT0;R=a0 ④ 求取气缸主控信号逻辑表达式。X-D线图中气缸的主令信号可分为无障碍主令信号和有障碍主令信号两种 a.对无障碍主令信号来说,可以被直接用来控制电磁阀,因此电磁阀的主控信号就是该主令信号。对于本例,无障碍主令信号有 A*1=a0g 式中,g为启动/停止信号,该信号写入程序的第一个动作中。在引入中间继电器的回路中,某些动作的主令信号又作为中间继电器的S、R的主令信号。在本例中,a0既是动作A1的主令信号,又是R的主令信号。在设计回路时,为了使回路具有联锁性,即确保中间继电器切换后气缸才能动作,动作A1的主令信号可以用中间继电器的输出 b.对有障碍主令信号来说,必须采用逻辑运算等方法消除掉主令信号的障碍段。常用的方法有逻辑“与”消障法,即通过将有障碍主令信号与一个称为制约信号的信号进行“与”运算,使运算后的结果不存在障碍段。能消除有主令信号障碍段的制约信号应满足以下条件,即在主令信号的起点(小圆圈)处,制约信号必须有线,而主令信号的障碍段内,制约信号必须没有线。制约信号一般选择其他动作的主令信号或将它们进行逻辑运算(如取反相)后的信号。如果回路中引入了中间继电器,则制约信号通常采用中间继电器的输出 对于本例,动作B1、KT、B0和A0的主令信号都是有障碍主令信号。对于动作B1的主令信号a1来说,由图3可知,与a1起点纵线相交的信号有b0和
同理,可写出其余的主控信号
得出气缸的主控信号之后,就可以进一步得出电磁阀及中间继电器控制信号的逻辑表达式如下
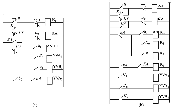
⑤ 绘制继电器控制回路的梯形图。在求得电磁阀的控制信号的逻辑表达式后,即可以画出继电器控制回路的梯形图。对于本例,梯形图如图5a所示。在图5中,启动/停止信号用全程继电器K0来实现,K0用启动按钮q和停止按钮t来控制,并且采用了如表常用继电器控制电路所示的停止优先自保持电路。应该指出的是,在实际应用中,通常采用一个电磁阀线圈用一个继电器控制的回路,如图5b所示。
图5 程序[A1B1(延时T)B0A0]的电器控制回路 |
|






