|
常用继电器控制电路 |
||
|
在气动顺序控制系统中,利用上述电器元件构成的控制电路是多种多样的。但不管系统多么复杂,其电路都是由一些基本的控制电路组成(见下表) |
||
|
基本的控制电路 |
||
|
串 联 / 并 联 电 路 |
串联电路也就是逻辑“与”电路。例如一台设备为了防止误操作,保证生产安全,安装了两个启动按钮。只有操作者将两个启动按钮同时按下时,设备才能开始运行。上述功能可用串联电路来实现 |
并联电路也称为逻辑“或”电路。例如一条自动化生产线上有多个操作者同时作业。为了确保安全,要求只要其中任何一个操作者按下停止开关,生产线即应停止运行。上述功能可由并联电路来实现 |
|
自 保 持 电 路 |
自保持电路也称为记忆电路。按钮S1按一下即放开,是一个短信号。但当将继电器K的常开触点K和开关S1并联后,即使松开按钮S1,继电器K也将通过常开触点K继续保持得电状态,使继电器K获得记忆。图中的S2是用来解除自保持的按钮,并且因为当S1和S2同时按下时,S2先切断电路,S1按下是无效的,因此,这种电路也称为停止优先自保持电路 |
在这种电路中,当S1和S2同时按下时,S1使继电器K动作,S2无效,这种电路也称为启动优先自保持电路
|
|
延
时
电
路 |
随着自动化设备的功能和工序越来越复杂,各工序之间需要按一定时间紧密配合,各工序时间要求可在一定范围内调节,这需要利用延时电路来实现。延时控制分为两种,即延时闭合和延时断开 |
|
|
当按下启动开关S1后,时间继电器KT开始计数,经过设定的时间后,时间继电器触点接通,电灯H亮。放开S1,时间继电器触点KT立刻断开,电灯H熄灭 |
当按下启动按钮S1时,时间继电器触点KT也同时接通,电灯H亮。当放开S1时,时间继电器开始计数,到规定时间后,时间继电器触点KT才断开,电灯H熄灭 |
|
|
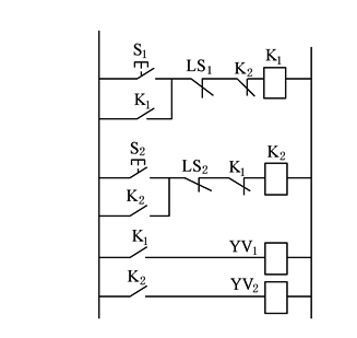
联 锁 电 路 |
当设备中存在相互矛盾动作(如电机的正转与反转,气缸的伸出与缩回)时,为了防止同时输入相互矛盾的动作信号,使电路短路或线圈烧坏,控制电路应具有联锁的功能(即电机正转时不能使反转接触器动作,气缸伸出时不能使控制气缸缩回的电磁铁通电)。图中,将继电器K1的常闭触点加到行3上,将继电器K2的常闭触点加到行1上,这样就保证了继电器K1被励磁时继电器K2不会被励磁,反之,K2被励磁时K1不会被励磁 |
|







