|
概述 |
|
用继电器、行程开关、转换开关等有触点低压电器构成的电器控制系统,称为继电器控制系统或触点控制系统。继电器控制系统的特点是动作状态一目了然,但系统接线比较复杂,变更控制过程以及扩展比较困难,灵活通用性较差,主要适合于小规模的气动顺序控制系统 继电器控制电路中使用的主要元件为继电器。继电器有很多种,如电磁继电器、时间继电器、干簧继电器和热继电器等。时间继电器的结构与电磁继电器类似,只是使用各种办法使线圈中的电流变化减慢,使衔铁在线圈通电或断电的瞬间不能立即吸合或不能立即释放,以达到使衔铁动作延时的目的
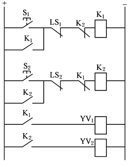
图 梯形图举例 梯形图是利用电器元件符号进行顺序控制系统设计的最常用的一种方法。其特点是与电/气操作原理图相呼应,形象直观实用。上图为梯形图的一个例子。梯形图的设计规则及特点如下 ① 一个梯形图网络由多个梯级组成,每个输出元素(继电器线圈等)可构成一个梯级 ② 每个梯级可由多个支路组成,每个支路最右边的元素通常是输出元素 ③ 梯形图从上至下按行绘制,两侧的竖线类似电器控制图的电源线,称为母线 ④ 每一行从左至右,左侧总是安排输入触点,并且把并联触点多的支路靠近左端 ⑤ 各元件均用图形符号表示,并按动作顺序画出 ⑥ 各元件的图形符号均表示未操作的状态 ⑦ 在元件的图形符号旁要注上文字符号 ⑧ 没有必要将端头和接线关系忠实地表示出来 |

