|
其他回路 |
||
|
终 端 瞬 时 加 压 回 路 |
采用SSC阀的终端瞬时加压回路
|
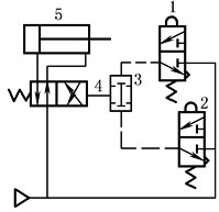
该回路使用中间排气型三位五通电磁阀2,在气缸开始动作前,放出气缸有杆腔内的空气。当换向阀通电使气缸伸出时,由于有杆腔内没有背压,因此通过SSC阀1以进气节流调速方式和很低的工作压力驱动气缸。气缸接触到工件时,气缸内的压力升高,当压力高到一定值时,SSC阀1内的二位二通阀切换,入口气体不经过节流口而直接进入气缸,以系统压力给气缸瞬时加压。如果气缸为垂直驱动,还应考虑防止落下机构 |
|
节
能
回
路 |
|
|
|
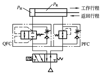
在换向阀与气缸之间,无杆侧设置了具有快排机能的速度控制阀(SMC公司QFC系列),有杆侧设置了具有调压机能的速度控制阀(PFC系列)。在气缸正常返回时,有杆侧压力只需0.2MPa,便能保证气缸平稳运动。这种回路节省用气量25%,运转成本和设备成本将大幅度减少,故PFC和QFC阀也称为系统节气阀 |
||
|
逻
辑
回
路 |
“与”门回路
|
“或”门回路
|
|
只有当行程阀1和行程阀2同时压下时,“与”门阀3才能输出先导压力气体,驱动换向阀4切换 |
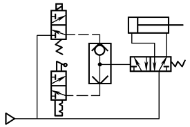
当手动阀或电磁阀其中一个阀动作时,先导压力气体通过梭阀使二位五通气控阀切换,驱动气缸伸出。该回路用来进行手动和自动切换控制 |
|





