|
真空回路 |
||
|
根据真空是由真空发生器产生还是由真空泵产生,真空控制回路分为两大类 |
||
|
利用真空发生器构成的真空吸盘控制回路 |
利用真空发生器组件构成的真空回路 |
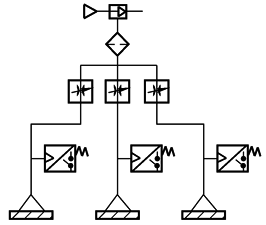
用一个真空发生器带多个真空吸盘的回路 |
|
|
|
|
|
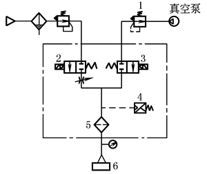
由真空供给阀2、真空破坏阀3、节流阀4、真空开关5、真空过滤器6和真空发生器1构成真空吸盘控制回路。当需要产生真空时,电磁阀2通电;当需要破坏真空时,电磁阀2断电,电磁阀3通电。上述真空控制元件可组合成一体,成为一个真空发生器组件
|
一个真空发生器带一个吸盘最理想。若带多个吸盘,其中一个吸盘有泄漏,会减少其他吸盘的吸力。为克服此缺点,可将每个吸盘都配上真空压力开关。一个吸盘泄漏导致真空度不合要求时,便不能起吊工件。另外,每个吸盘与真空发生器之间的节流阀也能减少由于一个吸盘的泄漏对其他吸盘的影响 |
|
|
利用真空泵构成的真空吸盘控制回路 |
利用真空控制单元构成的真空吸盘控制回路 |
用一个真空泵控制多个真空吸盘的回路 |
|
|
|
|
|
当电磁阀3通电时吸盘被抽成真空。当电磁阀3断电、电磁阀2通电时,吸盘内的真空状态被破坏,将工件放下。上述真空控制元件以及真空开关、吸入过滤器等可组合成一体,成为一个真空控制组件 |
若真空管路上要安装多个吸盘,其中一个吸盘有泄漏,会引起真空压力源的压力变动,使真空度达不到设计要求,特别对小孔口吸着的场合影响更大。使用真空罐和真空调压阀可提高真空压力的稳定性。必要时可在每条支路上安装真空切换阀 |
|




