|
缓冲回路 |
|
|
采用溢流阀的缓冲回路 |
采用缓冲阀的缓冲回路 |
|
|
|
|
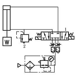
该回路采用具有中位封闭机能的三位五通电磁阀1控制气缸的动作,电磁阀1和气缸有杆腔之间设置有一个溢流阀2。当气缸快接近停止位置时,使电磁阀1断电。由于电磁阀的中位封闭机能,背压侧的气体只能通过溢流阀2流出,从而在有杆腔形成一个由溢流阀所调定的背压,起到缓冲作用。该回路的缓冲效果较好,但停止位置的控制较困难,最好能和气缸内藏的缓冲机构并用
|
该回路为采用缓冲阀1的高速气缸缓冲回路。在缓冲阀1中内藏一个气控溢流阀和一个机控二位二通换向阀。气控溢流阀的开启压力,即气缸排气侧的缓冲压力,由一个小型减压阀设定。在气缸进入缓冲行程之前,有杆腔气体经机控换向阀流出。气缸进入缓冲行程时,连接在活塞杆前端的机构使机控换向阀切换,排气侧气体只能经溢流阀流出,并形成缓冲背压。使用该回路时,通常不需气缸内藏缓冲机构 |


