|
防止落下回路 |
|
|
利用制动气缸的防止落下回路 |
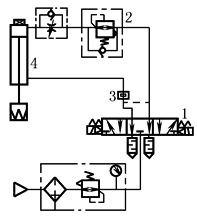
利用端点锁定气缸的防止落下回路 |
|
|
|
|
利用三通锁定阀1的调压弹簧可以设定一个安全压力。当气源压力正常,即高于所设定的安全压力时,三通锁定阀1在气源压力的作用下切换,使制动气缸的制动机构松开。当气源压力低于所设定的安全压力时,三通锁定阀1在复位弹簧的作用下复位,使其出口和排气口相通,制动机构锁紧,从而防止气缸落下。为了提高制动机构的响应速度,三通锁定阀1应尽可能靠近制动机构的气控口 |
利用单向减压阀2调节负载平衡压力。在上端点使五通电磁阀1断电,控制端点锁定气缸4的锁定机构,可防止气缸落下。此外,当气缸在行程中间,由于非正常情况使五通电磁阀断电时,利用气控单向阀3使气缸在行程中间停止。该回路使用控制阀较少,回路较简单
|


