|
防止启动飞出回路 |
|
|
气缸在启动时,如果排气侧没有背压,活塞杆将以很快的速度冲出,若操作人员不注意,有可能发生伤害事故。避免这种情况发生的方法有两种: (1)在气缸启动前使排气侧产生背压 (2)采用进气节流调速方法 |
|
|
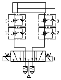
采用中位加压式电磁阀防止启动飞出 |
采用进气节流调速阀防止启动飞出 |
|
|
|
|
采用具有中间加压机能的三位五通电磁阀1在气缸启动前使排气侧产生背压。当气缸为单活塞杆气缸时,由于气缸有杆腔和无杆腔的压力作用面积不同,因此考虑电磁阀处于中位时,使气缸两侧的压力保持平衡
|
当三位五通电磁阀断电时,气缸两腔都卸压;启动时,利用调速阀3的进气节流调速防止启动飞出。由于进气节流调速的调速性能较差,因此在气缸的出口侧还串联了一个排气节流调速阀2,用来改善启动后的调速特性。需要注意进气节流调速阀3和排气节流调速阀2的安装顺序,进气节流调速阀3应靠近气缸 |
|
利用SSC阀防止启动飞出(排气节流控制) |
|
|
|
|
|
当换向阀由中间位置切换到左位时,有压气体经SSC阀的固定节流孔7和6充入无杆腔,压力pH逐渐上升,有杆腔仍维持为大气压力。当pH升至一定值,活塞便开始做低速右移,从图中的A位置移至行程末端B,pH压力上升。当pH大于急速供气阀3的设定压力时,阀切换至全开,并打开单向阀5,急速向无杆腔供气,pH由C点压力急速升至D点压力(气源压力)。CE虚线表示只用进气节流的情况。当初期动作已使pH变成气源压力后,换向阀再切换至左位和右位,气缸的动作、压力pH、pR和速度的变化,便与用一般排气节流式速度控制阀时的特性相同了 |
|



