|
自动往复回路 |
||
|
一 次 自 动 往 复 回 路 |
加压控制回路 |
卸压控制回路 |
|
|
|
|
|
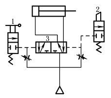
手动阀1动作后,换向阀左端压力下降,右端压力大于左端,使阀3换向。活塞杆伸出至压下行程阀2,阀3右端压力下降,又使换向阀3切换,活塞杆收回,完成一次往复 |
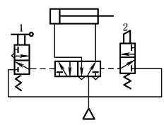
手动阀1动作后,换向阀换向,活塞杆伸出。当撞块压下行程阀2后,接通压缩空气使换向阀换向,活塞杆缩回,一次行程完毕 |
|
|
连 续 自 动 往 复 回 路 |
利用行程阀的自动往复回路 |
利用时间控制的连续自动往复回路 |
|
|
|
|
|
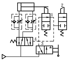
当启动阀3后,压缩空气通过行程阀1使阀4换向,活塞杆伸出。当压住行程阀2后,换向阀4在弹簧作用下换向,使活塞杆返回。这样使活塞进行连续自动往复运动,一直到关闭阀3后,运动停止
|
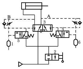
当换向阀3处于图中所示位置时,压缩空气沿管路A经节流阀向气室6充气,过一段时间后,气室6内压力增高,切换二位三通阀4,压缩空气通过阀4使阀3换向,活塞杆伸出;同时压缩空气经管路B及节流阀又向气室1充气,待压力增高后切换阀5,从而使阀3换向。这样活塞杆进行连续自动往复运动。手动阀2为启动、停止用 |
|




