|
延时回路 |
|
|
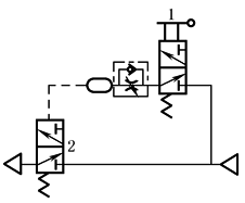
延时给气回路 |
延时排气回路 |
|
|
|
|
按钮1必须按下一段时间后,阀2才能动作 |
当按钮1松开一段时间后,阀2才切断 |
|
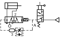
延时返回回路 |
当手动阀1按下后,阀2立即切换至右边工作。活塞杆伸出,同时压缩空气经管路A流向气室3,待气室3中的压力增高后,差压阀2又换向,活塞杆收回。延时长短根据需要选用不同大小气室及调节进气快慢而定 |
|
|
|
|
延时回路 |
|
|
延时给气回路 |
延时排气回路 |
|
|
|
|
按钮1必须按下一段时间后,阀2才能动作 |
当按钮1松开一段时间后,阀2才切断 |
|
延时返回回路 |
当手动阀1按下后,阀2立即切换至右边工作。活塞杆伸出,同时压缩空气经管路A流向气室3,待气室3中的压力增高后,差压阀2又换向,活塞杆收回。延时长短根据需要选用不同大小气室及调节进气快慢而定 |
|
|
|