|
同步回路 |
|
|
同步控制是指驱动两个或多个执行元件时,使它们在运动过程中位置保持同步。同步控制实际是速度控制的一种特例。当各执行机构的负载发生变动时,为了实现同步,通常采用以下方法: (1)使用机械连接使各执行机构同步动作 (2)使流入和流出执行机构的流量保持一定 (3)测量执行机构的实际运动速度,并对流入和流出执行机构的流量进行连续控制 |
|
|
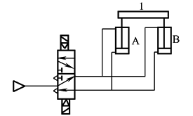
采用刚性零件1连接,使A、B两缸同步运动 |
使用连杆机构的同步控制回路
|
|
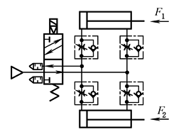
利用出口节流阀的简单同步控制回路 |
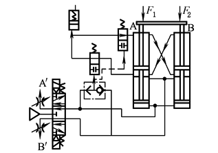
使用串联型气/液联动缸的同步控制回路 |
|
|
|
|
这种同步回路的同步精度较差,易受负载变化的影响,如果气缸的缸径相对于负载来说足够大,若工作压力足够高,可以取得一定的同步效果。此外,如果使用两只电磁阀,使两只气缸的给排气独立,相互之间不受影响,同步精度会好些 |
当三位五通电磁阀的A′侧通电时,压力气体经过管路流入气/液联动缸A、B的气缸中,克服负载推动活塞上升。此时,在先导压力的作用下,常开型二位二通阀关闭,使气/液联动缸A的液压缸上腔的油压入气/液联动缸B的液压缸下腔,从而使它们同步上升。三位五通电磁阀的B′侧通电时,可使气/液联动缸向下的运动保持同步。为补偿液压缸的漏油可设贮油缸,在不工作时进行补油 |
|
使用气/液转换缸的同步控制回路(1) |
|
|
|
|
|
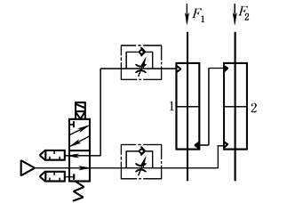
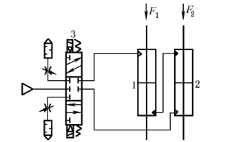
使用两只双出杆气/液转换缸,缸1的下侧和缸2的上侧通过配管连接,其中封入液压油。如果缸1和缸2的活塞及活塞杆面积相等,则两者的速度可以一致。但是,如果气/液转换缸有内泄漏和外泄漏,因为油量不能自动补充,所以两缸的位置会产生累积误差 |
气/液转换缸1和2利用具有中位封闭机能的三位五通电磁阀3驱动,可实现两缸同步控制和中位停止。该回路中,调速阀不是设置在电磁阀和气缸之间,而是连接在电磁阀的排气口,这样可以改善中间停止精度
|
|
闭环同步控制方法 |
|
|
|
|
|
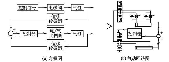
在开环同步控制方法中,所产生的同步误差虽然可以在气缸的行程端点等特殊位置进行修正,但为了实现高精度的同步控制,应采用闭环同步控制方法,在同步动作中连续地对同步误差进行修正。闭环同步控制系统主要由电/气比例阀、位移传感器、同步控制器等组成 |
|







