|
位置控制回路 |
|
|
气缸通常只能保持在伸出和缩回两个位置。如果要求气缸在运动过程中的某个中间位置停下来,则要求气动系统具有位置控制功能。由于气体具有压缩性,因此只利用三位五通电磁阀对气缸两腔进行给、排气控制的纯气动方法,难以得到高精度的位置控制。对于定位精度要求较高的场合,应采用机械辅助定位或气/液转换器等控制方法 |
|
|
利用外部挡块的定位方法 |
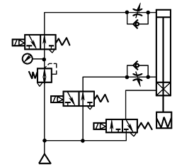
采用三位五通阀的位置控制回路 |
|
|
|
|
在定位点设置机械挡块,是使气缸在行程中间定位的最可靠方法,定位精度取决于机械挡块的设置精度。这种方法的缺点是定位点的调整比较困难,挡块与气缸之间应考虑缓冲的问题 |
采用中位加压型三位五通阀可实现气缸的位置控制,但位置控制精度不高,容易受负载变化的影响 |
|
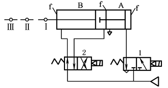
使用串联气缸的三位置控制回路 |
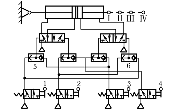
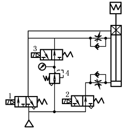
采用全气控方式的四位置控制回路 |
|
|
|
|
图示位置为两缸的活塞杆均处于缩进状态,当阀2如图示位置,而阀1通电换向时,A缸活塞杆向左推动B缸活塞杆,其行程为Ⅰ—Ⅱ。反之,当阀1如图示状态而阀2通电切换时,缸B活塞杆杆端由位置Ⅱ继续前进到Ⅲ(因缸B行程为Ⅰ—Ⅲ)。此外,可在两缸端盖上f处与活塞杆平行安装调节螺钉,以相应地控制行程位置,使缸B活塞杆端可停留在Ⅰ—Ⅱ、Ⅱ—Ⅲ之间的所需位置 |
图示位置为按动手控阀1时,压缩空气通过手控阀1,分两路由梭阀5、6控制两个二位五通阀,使主气源进入多位缸而得到位置Ⅰ。此外,当按动手动阀2、3或4时,同上可相应得到位置Ⅱ、Ⅲ或Ⅳ
|
|
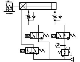
利用制动气缸的位置控制回路 |
|
|
|
|
|
如果制动装置为气压制动型,气源压力应在0.1MPa以上;如果为弹簧+气压制动型,气源压力应在0.35MPa以上。气缸制动后,活塞两侧应处于力平衡状态,防止制动解除时活塞杆飞出,为此设置了减压阀1。解除制动信号应超前于气缸的往复信号或同时出现 |
制动装置为双作用型,即卡紧和松开都通过气压来驱动。采用中位加压型三位五通阀控制气缸的伸出与缩回
|
|
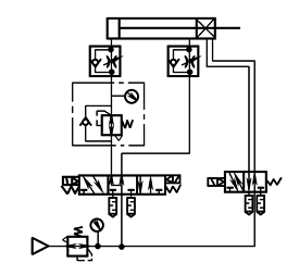
带垂直负载的制动气缸位置控制回路 |
|
|
|
|
|
带垂直负载时,为防止突然断气时工件掉下,应采用弹簧+气压制动型或弹簧制动型制动装置 |
垂直负载向上时,为了使制动后活塞两侧处于力平衡状态,减压阀4应设置在气缸有杆腔侧 |
|
使用气/液转换器的位置控制回路 |
|
|
|
|
|
通过气/液转换器,利用气体压力推动液压缸运动,可以获得较高的定位精度,但在一定程度上要牺牲运动速度 |
通过气/液转换器,利用气体压力推动摆动液压缸运动,可以获得较高的中间定位精度 |










