|
压力、力矩与力控制回路 |
|||||
|
压
力
控
制
回
路 |
气动系统中,压力控制不仅是维持系统正常工作所必需的,而且也关系到系统总的经济性、安全性及可靠性。作为压力控制方法,可分为一次压力(气源压力)控制、二次压力(系统工作压力)控制、双压驱动、多级压力控制、增压控制等 |
||||
|
一次压力控制回路 |
|
控制气罐使其压力不超过规定压力。常采用外控制式溢流阀1来控制,也可用带电触点的压力表2代替溢流阀1来控制压缩机电机的动、停,从而使气罐内压力保持在规定范围内。采用安全阀结构简单,工作可靠,但无功耗气量大;而后者对电机及其控制有要求 |
|||
|
二次压力 控制回路 |
|
利用气动三联件中的溢流式减压阀控制气动系统的工作压力 |
|||
|
采用差压操作,可以减少空气消耗量,并减少冲击 |
|||||
|
差
压
回
路 |
采用单向减压阀的差压回路 |
|
|||
|
|
|
||||
|
当活塞杆伸出时为高压,返回时空气通过减压阀减压 |
与图a原理一样,只是用快速排气阀代替单向节流阀 |
||||
|
|
|
||||
|
与图a比较,只是减压阀安装在换向阀之前,减压阀的工作要求较高,而省去单向节流阀 |
气缸活塞一端通过减压阀供给一定的压力,另外安装卸荷阀做排气用 |
||||
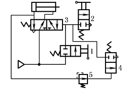
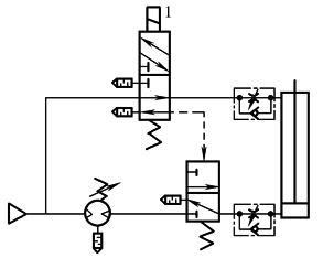
|
限 压 回 路 |
|
启动按钮1作用后,活塞开始伸出,挡块遇行程阀2后,换向阀3使活塞返回。但如果在前进中遇到大的阻碍,气缸左腔压力增高,顺序阀5动作,打开二位二通阀4排气,活塞自动返回 |
|||
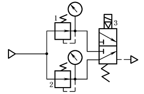
|
高、低压转换回路
|
气源经过调压阀1与2可调至两种不同的压力,通过换向阀3可得两种不同的压力输出 |
||||
|
多 级 压 力 控 制 回 路 |
采用远程调压阀的多级压力控制回路 |
采用比例调压阀的无级压力控制回路 |
|||
|
|
|
||||
|
远程调压阀的先导压力通过三通电磁阀1的切换来控制,可根据需要设定低、中、高三种先导压力。在进行压力切换时,必须用电磁阀2先将先导压力泄压,然后再选择新的先导压力 |
采用一个小型的比例压力阀作为先导压力控制阀可实现压力的无级控制。比例压力阀的入口应使用一个微雾分离器,防止油雾和杂质进入比例阀,影响阀的性能和使用寿命 |
||||
|
增
压
回
路 |
使用增压阀的增压回路 |
||||
|
|
|
||||
|
当二位五通电磁阀1通电时,气缸实现增压驱动;当电磁阀1断电时,气缸在正常压力作用下返回
|
当二位五通电磁阀1通电时,利用气控信号使主换向阀切换,进行增压驱动;电磁阀1断电时,气缸在正常压力作用下返回 |
||||
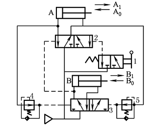
|
使用气/液增压缸的增压回路 |
|
当三通电磁阀3、4通电时,气/液缸6在与气压相同的油压作用下伸出;当需要大输出力时,则使五通电磁阀2通电,让气/液增压缸1动作,实现气/液缸的增压驱动。让五通电磁阀2和三通电磁阀3、4断电时,则可使气/液缸返回。气/液增压缸1的输出可通过减压阀5进行设定 |
|||
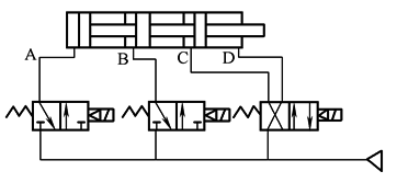
|
串联气缸增力回路 |
|
三段活塞缸串联,工作行程时,电磁换向阀通电,A、B、C进气,使活塞杆增力推出。复位时,电磁阀断电,气缸右端口D进气,把杆拉回 |
|||
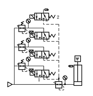
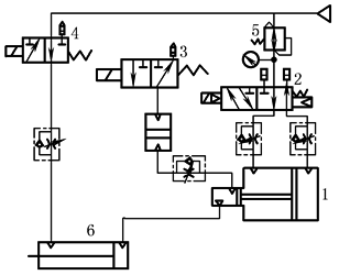
|
压 力 控 制 顺 序 回 路 |
|
为完成A1、B1、A0、B0顺序动作的回路,启动按钮1动作后,换向阀2换向,A缸活塞杆伸出完成A1动作;A缸左腔压力增高,顺序阀4动作,推动阀3换向,B缸活塞杆伸出完成B1动作,同时使阀2换向完成A0动作;最后A缸右腔压力增高,顺序阀5动作,使阀3换向完成B0动作。此处顺序阀4及5调整至一定压力后动作 |
|||
|
力 矩 控 制 回 路 |
|
气马达是产生力矩的气动执行元件。叶片式气马达是依靠叶片使转子高速旋转,经齿轮减速而输出力矩,借助于速度控制改变离心力而控制力矩,其回路就是一般的速度控制回路。活塞式气马达和摆动马达则是通过改变压力来控制扭矩的。下面介绍活塞式气马达的力矩控制回路 |
|||
|
气马达的力矩控制回路 |
|
摆 动 马 达 的 力 矩 控 制 回 路 |
|
||
|
活塞式气马达经马达内装的分配器向大气排气,转速一高则排气受节流而力矩下降。力矩控制一般通过控制供气压力实现 |
应该注意的是,若在停止过程中负载具有较大的惯性力矩,则摆动马达还必须使用挡块定位
|
||||
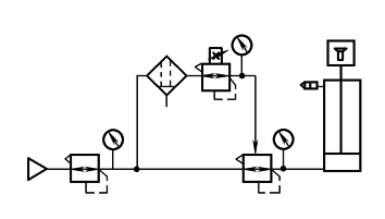
|
力 控 制 回 路 |
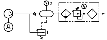
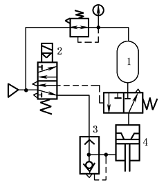
冲击气缸的典型力控制回路 |
|
该回路由冲击气缸4、快速供给气压的气罐1、把气缸背压快速排入大气的快速排气阀3及控制气缸换向的二位五通阀2组成。当电磁阀得电时,冲击气缸的排气侧快速排出大气,同时使二位三通阀换向,气罐内的压缩空气直接流入冲击气缸,使活塞以极高的速度向下运动,该活塞所具有的动能给出很大的冲击力。冲击力与活塞的速度平方成正比,而活塞的速度取决于从气罐流入冲击气缸的空气流量。为此,调节速度必须调节气罐的压力 |
||


















