|
速度控制回路 |
||||
|
单 作 用 气 缸 的 速 度 控 制 回 路 |
|
|
利用快速排气阀的双速驱动回路
|
|
|
采用两个速度控制阀串联,用进气节流和排气节流分别控制活塞两个方向运动的速度 |
直接将节流阀安装在换向阀的进气口与排气口,可分别控制活塞两个方向运动的速度 |
为快速返回回路。活塞伸出时为进气节流速度控制,返回时空气通过快速排气阀直接排至大气中,实现快速返回 |
||
|
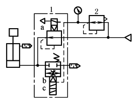
利用多功能阀的双速驱动回路
|
多功能阀1(SMC产品VEX5系列)具有调压、调速和换向三种功能。当多功能阀1的电磁铁a、b、c都不通电时,多功能阀1可输出由小型减压阀设定的压力气体,驱动气缸前进;当电磁铁a断电,b通电时,进行高速排气;当电磁铁c通电时,进行节流排气 |
|||
|
双 作 用 气 缸 的 速 度 控 制 回 路 |
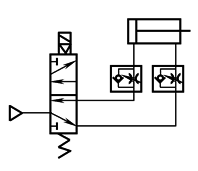
采用单向节流阀的速度控制回路 |
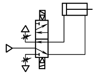
采用排气节流阀的速度控制回路 |
快速返回回路 |
|
|
|
|
|
||
|
在气缸两个气口分别安装一个单向节流阀,活塞两个方向的运动分别通过每个单向节流阀调节。常采用排气节流型单向节流阀 |
采用二位四通(五通)阀,在阀的两个排气口分别安装节流阀,实现排气节流速度控制,方法比较简单 |
活塞杆伸出时,利用单向节流阀调节速度,返回时通过快速排气阀排气,实现快速返回 |
||
|
高速动作回路 |
中间变速回路 |
利用电/气比例节流 阀的速度控制回路 |
||
|
|
|
|
||
|
在气缸的进(排)气口附近两个管路中均装有快速排气阀,使气缸活塞运动加速 |
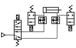
用两个二位二通阀与速度控制阀并联,可以控制活塞在运动中任意位置发出信号,使背压腔气体通过二位二通阀直接排出到大气中,改变气缸的运动速度 |
可实现气缸的无级调速。当三通电磁阀2通电时,给电气比例节流阀1输入电信号,使气缸前进。当三通电磁阀2断电时,利用电信号设定电气比例阀1的节流阀开度,使气缸以设定的速度后退。阀1和阀2应同时动作,以防止气缸启动“冲出” |
||










