|
换向回路 |
||||
|
单 作 用 气 缸 控 制 回 路 |
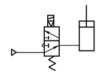
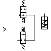
气缸活塞杆运动的一个方向靠压缩空气驱动,另一个方向则靠其他外力,如重力、弹簧力等驱动。回路简单,可选用简单结构的二位三通阀来控制 |
|||
|
常断二位三通电磁阀控制回路 |
常通二位三通电磁阀控制回路 |
三位三通电磁阀控制回路 |
两个二位二通电磁阀代替一个二位三通阀的控制回路 |
|
|
|
|
|
|
|
|
通电时活塞杆伸出,断电时靠弹簧力返回 |
断电时活塞杆上升,通电时靠外力返回 |
控制气缸的换向阀带有全封闭型中间位置,可使气缸活塞停止在任意位置,但定位精度不高 |
两个二位二通阀同时通电换向,可使活塞杆伸出。断电后,靠外力返回 |
|
|
双 作 用 气 缸 控 制 回 路 |
气缸活塞杆伸出或缩回两个方向的运动都靠压缩空气驱动,通常选用二位五通阀来控制 |
|||
|
采用单电控二位五 通阀的控制回路 |
双电控阀控制回路 |
中间封闭型三位 五通阀控制回路 |
中间排气型三位 五通阀控制回路 |
|
|
|
|
|
|
|
|
通电时活塞杆伸出,断电时活塞杆返回 |
采用双电控电磁阀,换向电信号可为短脉冲信号,因此电磁铁发热少,并具有断电保持功能 |
左侧电磁铁通电时,活塞杆伸出。右侧电磁铁通电时,活塞杆缩回。左、右两侧电磁铁同时断电时,活塞可停止在任意位置,但定位精度不高 |
当电磁阀处于中间位置时活塞杆处于自由状态,可由其他机构驱动 |
|
|
中间加压型三位阀控制回路 |
电磁远程控制回路 |
双气控阀控制回路 |
||
|
|
|
|
|
|
|
当左、右两侧电磁铁同时断电时,活塞可停止在任意位置,但定位精度不高。采用一个压力控制阀,调节无杆腔的压力,使得在活塞双向加压时,保持力的平衡 |
采用带有双活塞杆的气缸,使活塞两端受压面积相等,当双向加压时,也可保持力的平衡 |
采用二位五通气控阀作为主控阀,其先导控制压力用一个二位三通电磁阀进行远程控制。该回路可应用于有防爆等要求的特殊场合 |
主控阀为双气控二位五通阀,用两个二位三通阀作为主控阀的先导阀,可进行遥控操作 |
|
|
以上两种回路,均可使活塞停止在任意位置 |
||||
|
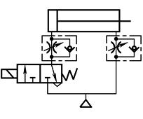
采用两个二位三通 阀的控制回路 |
采用一个二位三通 阀的差动回路 |
带有自保回路的 气动控制回路 |
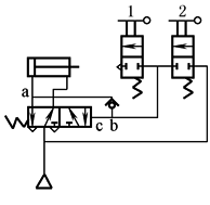
二位四(五)通阀和二位 二通阀串接的控制回路 |
|
|
|
|
|
|
|
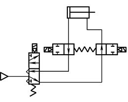
|
两个二位三通阀中,一个为常通阀,另一个为常断阀,两个电磁阀同时动作可实现气缸换向 |
气缸右腔始终充满压缩空气,接通电磁阀后,左腔进气,靠压差推动活塞杆伸出,动作比较平稳,断电后,活塞自动复位 |
两个二位二通阀分别控制气缸运动的两个方向。图示位置为气缸右腔进气。如将阀2按下,由气控管路向阀右端供气,使二位五通阀切换,则气缸左腔进气,右腔排气,同时自保回路a、b、c也从阀的右端增加压气,以防中途气阀2失灵,阀芯被弹簧弹回,自动换向,造成误动作(即自保作用)。再将阀2复位,按下阀1,二位五通阀右端压气排出,则阀芯靠弹簧复位,进行切换,开始下一次循环 |
二位五通阀起换向作用,两个二位二通阀同时动作,可保证活塞停止在任意位置。当没有合适的三位阀时,可用此回路代替 |
|
















