|
外形及安装尺寸 |
|
杆不回转基本型
|
|
表1 mm |
||||||||||||||||||||||||
|
缸径 |
行程 范围 |
B |
C |
D |
E |
KA |
GA |
GB |
H |
I |
J |
K |
M |
MA |
MB |
MC |
MM |
NA |
NB |
P |
S |
XA |
Y |
ZZ |
|
20 |
≤800 |
39 |
29 |
25 |
11 |
21 |
16 |
12.5 |
20 |
51 |
M5×0.8 |
11 |
8 |
11 |
4 |
10 |
M5×0.8 |
19 |
21 |
M5×0.8 |
86 |
6 |
5 |
106 |
|
25 |
≤800 |
43 |
33 |
30 |
12 |
24 |
26 |
18 |
21 |
57 |
M5×0.8 |
12 |
8 |
11 |
4 |
10 |
M5×0.8 |
26 |
34 |
1/8 |
107 |
6 |
6.5 |
128 |
|
32 |
≤1000 |
49 |
38 |
36 |
16 |
30 |
28.5 |
19.5 |
35 |
66 |
M6×1 |
22 |
10 |
16 |
4 |
12 |
M6×1 |
37 |
1/8 |
120 |
12 |
8.5 |
155 |
|
|
40 |
≤1000 |
59 |
46 |
45 |
21 |
36 |
34.5 |
23.5 |
40 |
78 |
M6×1 |
25 |
10 |
16 |
4 |
12 |
M6×1 |
44 |
1/4 |
138 |
12 |
9.5 |
178 |
|
|
50 |
≤1000 |
71 |
55 |
55 |
26 |
46 |
40 |
28 |
45 |
92 |
M8×1.25 |
25 |
14 |
16 |
5 |
15 |
M8×1.25 |
50 |
1/4 |
150 |
16 |
12.5 |
195 |
|
|
63 |
≤1000 |
82 |
66 |
68 |
32 |
53 |
46.5 |
34.5 |
50 |
110 |
M8×1.25 |
25 |
14 |
16 |
5 |
15 |
M8×1.25 |
56 |
1/4 |
171 |
16 |
15 |
221 |
|
|
80 |
≤1000 |
106 |
86 |
87 |
36 |
65 |
54 |
36 |
50 |
144 |
M12×1.75 |
25 |
20 |
20 |
6 |
23 |
M12×1.75 |
66 |
3/8 |
198 |
20 |
20 |
248 |
|
|
轴直角脚座型/(L)
|
|||||||||||
|
表2 mm |
|||||||||||
|
缸径 |
脚座安装件型号 |
X |
Y |
LD |
LH |
LT |
LX |
LY |
LZ |
LS |
ZZ |
|
20 |
MGZ-L02 |
16 |
0 |
6.6 |
22 |
13 |
58 |
41.5 |
72 |
86 |
114 |
|
25 |
MGZ-L25 |
16 |
0 |
6.6 |
24 |
14 |
62 |
45.5 |
75 |
107 |
136 |
|
32 |
MGZ-L03 |
22 |
0 |
9 |
27.5 |
16 |
70 |
52 |
88 |
120 |
166 |
|
40 |
MGZ-L04 |
24 |
0 |
9 |
34 |
19 |
80 |
63.5 |
100 |
138 |
190 |
|
50 |
MGZ-L05 |
32 |
1 |
11 |
40 |
22 |
96 |
75.5 |
120 |
148 |
210 |
|
63 |
MGZ-L06 |
36 |
3 |
13 |
47 |
24 |
110 |
88 |
140 |
165 |
236 |
|
80 |
MGZ-L08 |
40 |
3 |
17 |
59 |
30 |
146 |
112 |
180 |
192 |
265 |
|
杆侧法兰型/(F)
|
|||||||
|
表3 mm |
|||||||
|
缸径 |
法兰安装件型号 |
B |
FD |
FT |
FX |
FY |
FZ |
|
20 |
MGZ-F02 |
44 |
5.5 |
8 |
50 |
34 |
60 |
|
25 |
MGZ-F25 |
48 |
6.6 |
8 |
57 |
36 |
70 |
|
32 |
MGZ-F03 |
60 |
9 |
12 |
64 |
46 |
78 |
|
40 |
MGZ-F04 |
74 |
9 |
12 |
80 |
58 |
100 |
|
50 |
MGZ-F05 |
78 |
9 |
16 |
100 |
61 |
125 |
|
63 |
MGZ-F06 |
100 |
12 |
16 |
112 |
75 |
138 |
|
80 |
MGZ-F08 |
120 |
14 |
16 |
132 |
95 |
155 |
|
无杆侧法兰型/(G)
|
||||||||
|
表4 mm |
||||||||
|
缸径 |
法兰安装件型号 |
B |
FD |
FT |
FX |
FY |
FZ |
ZZ |
|
20 |
MGZ-F02 |
44 |
5.5 |
8 |
50 |
34 |
60 |
114 |
|
25 |
MGZ-F25 |
48 |
6.6 |
8 |
57 |
36 |
70 |
136 |
|
32 |
MGZ-F03 |
60 |
9 |
12 |
64 |
46 |
78 |
167 |
|
40 |
MGZ-F04 |
74 |
9 |
12 |
80 |
58 |
100 |
190 |
|
50 |
MGZ-F05 |
78 |
9 |
16 |
100 |
61 |
125 |
211 |
|
63 |
MGZ-F06 |
100 |
12 |
16 |
112 |
75 |
138 |
237 |
|
80 |
MGZ-F08 |
120 |
14 |
16 |
132 |
95 |
155 |
264 |
|
双耳环型/(D)
|
|||||||||
|
表5 mm |
|||||||||
|
缸径 |
双耳环安装件型号 |
L |
RR |
U |
CDH10 |
|
CZ |
Z |
ZZ |
|
20 |
MGZ-D02 |
23 |
8.5 |
14 |
10 |
14 |
28 |
129 |
137.5 |
|
25 |
MGZ-D25 |
23 |
11 |
14 |
10 |
14 |
28 |
151 |
162 |
|
32 |
MGZ-D03 |
30 |
12 |
17 |
14 |
20 |
40 |
185 |
197 |
|
40 |
MGZ-D04 |
30 |
15 |
17 |
14 |
20 |
40 |
208 |
223 |
|
50 |
MGZ-D05 |
42 |
18 |
26 |
22 |
30 |
60 |
237 |
255 |
|
63 |
MGZ-D06 |
42 |
23 |
26 |
22 |
30 |
60 |
263 |
286 |
|
80 |
MGZ-D08 |
50 |
28 |
30 |
25 |
32 |
64 |
298 |
326 |
|
双耳环脚座
|
||||||||||||||||
|
表6 mm |
||||||||||||||||
|
型号 |
缸径 |
B |
DA |
DB |
DC |
DDH10 |
DE |
DH |
DL |
DO |
DR |
DS |
DT |
DU |
DX |
Z |
|
MB-B03 |
20 |
39 |
42 |
32 |
44 |
|
62 |
33 |
22 |
9 |
6.6 |
7 |
15 |
10 |
14 |
129 |
|
25 |
43 |
42 |
32 |
44 |
|
62 |
33 |
22 |
9 |
6.6 |
7 |
15 |
10 |
14 |
151 |
|
|
MB-B05 |
32 |
49 |
53 |
43 |
60 |
|
81 |
45 |
30 |
10.5 |
9 |
8 |
18 |
11.5 |
20 |
185 |
|
40 |
59 |
53 |
43 |
60 |
|
81 |
45 |
30 |
10.5 |
9 |
8 |
18 |
11.5 |
20 |
208 |
|
|
MB-B08 |
50 |
71 |
73 |
64 |
86 |
|
111 |
65 |
45 |
12.5 |
11 |
10 |
22 |
14 |
30 |
237 |
|
63 |
82 |
73 |
64 |
86 |
|
111 |
65 |
45 |
12.5 |
11 |
10 |
22 |
14 |
30 |
263 |
|
|
MB-B12 |
80 |
106 |
90 |
78 |
110 |
|
136 |
75 |
60 |
13 |
13.5 |
14 |
24 |
15 |
32 |
298 |
|
摆动角度 |
|
缸径 |
A |
B |
A+B+90° |
|||||||||||
|
20 |
35° |
50° |
175° |
|||||||||||||
|
25 |
30° |
50° |
170° |
|||||||||||||
|
32,40 |
30° |
50° |
170° |
|||||||||||||
|
50,63 |
35° |
50° |
175° |
|||||||||||||
|
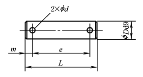
耳环用销轴
表7 mm |
|||||||
|
型号 |
缸径 |
Dd9 |
L |
e |
m |
d(通孔) |
使用的开口销① |
|
CD-M03 |
20,25 |
|
44 |
36 |
4 |
3 |
f 3×18e |
|
CD-M05 |
32,40 |
|
60 |
51 |
4.5 |
4 |
f 4×25e |
|
CD-M08 |
50,63 |
|
82 |
72 |
5 |
4 |
f 4×35e |
|
CDP-7A |
80 |
|
88 |
78 |
5 |
4 |
f 4×36e |
|
① 使用开销口时,并用平垫圈。 |
|||||||
|
浮动接头
|
|
表8 mm |
|
适合 缸径 |
型号 |
M |
A |
B |
C |
D |
E |
F |
G |
H |
球 心 距 R |
最大螺纹 拧入深度P |
允许 偏心量U |
最大使用拉伸压缩力/N |
质量 /kg |
||
|
名义 直径 |
螺距 |
压缩 |
拉伸 |
||||||||||||||
|
20,25 |
JB40-8-125 |
8 |
1.25 |
51 |
8.5 |
11 |
31 |
6 |
11 |
11 |
22 |
29 |
13 |
0.75 |
6000 |
1300 |
0.15 |
|
32 |
JB63-10-150 |
10 |
1.5 |
62.5 |
10 |
13 |
41 |
7.5 |
14 |
13.5 |
27 |
35.5 |
15 |
1 |
11000 |
3100 |
0.29 |
|
40 |
JB80-16-200 |
16 |
2 |
80.5 |
16 |
20 |
50 |
9.5 |
19 |
16 |
32 |
47.5 |
18 |
1.25 |
18000 |
5000 |
0.56 |
|
50,63 |
JB100-20-250 |
20 |
2.5 |
101 |
21 |
26 |
59.5 |
11.5 |
24 |
20 |
41 |
59 |
24 |
2 |
28000 |
7900 |
1.04 |
|
80 |
JB140-22-250 |
22 |
2.5 |
129 |
18 |
22 |
79 |
14 |
30 |
22 |
46 |
71.5 |
38 |
2.5 |
54000 |
15300 |
2.6 |









