|
电感式接近传感器SIEN-M12(Festo) |
|||||||||||||||||
|
Festo公司电感式传感器有标准检测距离的传感器和加长检测距离的传感器,从外形上来说,有外壳是公制螺纹系列或外形为长方形结构系列,SIEN-M12是外壳为公制螺纹系列传感器的一种规格(该系列有M5、M8、M12、M18、M30等规格) |
|||||||||||||||||
|
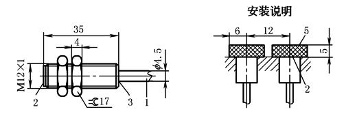
原理图与外观图 |
|
||||||||||||||||
|
主
要
技
术
参
数 |
安装方式 |
齐平 |
非齐平 |
安装方式 |
齐平 |
非齐平 |
|||||||||||
|
电参数 |
|||||||||||||||||
|
开关元件功能 |
常开或常闭 |
|
残余电流/mA |
≤0.01 |
800 |
||||||||||||
|
开关输出 |
PNP或NPN |
|
最大切换频率/Hz |
1200 |
|||||||||||||
|
电连接 |
电缆或插头 |
|
短路保护 |
有,脉冲式 |
|||||||||||||
|
工作电压范围/V |
DC:15~34 |
|
极性容错保护 |
用于所有的电接口 |
|||||||||||||
|
最大输出 电流/mA |
T<50℃ |
200 |
|
防护等级,符合EN60529标准 |
IP67 |
||||||||||||
|
T<85℃ |
150 |
|
CE标记 |
89/336/EEC(EMC) |
|||||||||||||
|
电压降/V |
≤3.2 |
|
|
|
|
||||||||||||
|
结构 |
|||||||||||||||||
|
额定检测距离Sn/mm |
2 |
4 |
安装位置 |
任意 |
|
||||||||||||
|
可靠检测距离Sa/mm |
1.62 |
3.24 |
材料 |
外壳 |
黄铜,镀镍 |
||||||||||||
|
切换点的重复精度/mm |
±0.10 |
±0.20 |
电缆护套 |
聚氨酯 |
|||||||||||||
|
迟滞/mm |
0.02~0.44 |
0.03~0.88 |
有关材料的说明 |
不含铜和聚四氟乙烯 |
|||||||||||||
|
切换状态显示 |
黄色LED |
质量/g |
带电缆 |
80 |
80 |
||||||||||||
|
电缆长度/m |
2.5 |
带插头 |
30 |
30 |
|||||||||||||
|
安装方式 |
用锁紧螺母 |
|
|
|
|||||||||||||
|
额定检测距离Sn的修正系数(相对于检测板) |
|||||||||||||||||
|
材料 |
SIEN-M12B… |
SIEN-M12NB… |
黄铜 |
0.5Sn |
0.5Sn |
||||||||||||
|
钢St 37 |
1.0Sn |
1.0Sn |
铝合金 |
0.4Sn |
0.5Sn |
||||||||||||
|
不锈钢St 18/8 |
0.7Sn |
0.8Sn |
铜 |
0.2Sn |
0.4Sn |
||||||||||||
|
工作和环境条件 |
|||||||||||||||||
|
环境温度/℃ |
-25~+85 |
||||||||||||||||
|
外
形
及
安
装
尺
寸 |
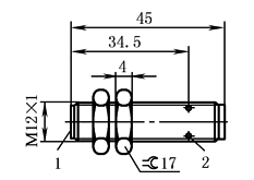
齐 平 安 装 |
电 缆 |
|
1—3芯电缆,2.5m长; 2—检测面; 3—黄色LED,用于切换状态显示; 4—4个黄色LED,用于切换状态显示; 5—非金属区 |
|||||||||||||
|
插 头 |
|
1—检测面; 2—4个黄色LED,用于切换状态显示 |
|||||||||||||||
|
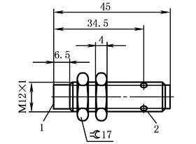
非 齐 平 安 装 |
电 缆 |
|
1—3芯电缆,2.5m长; 2—检测面; 3—黄色LED,用于切换状态显示; 4—非金属区 |
||||||||||||||
|
插 头 |
|
1—检测面; 2—4个黄色LED,用于切换状态显示 |
|||||||||||||||
|
针 脚 分 配 |
用于带插头型传感器
|
||||||||||||||||
|
订货数据 |
开关输出 |
电连接 |
电缆长度 /m |
安装 |
订货号 型号 |
||||||||||||
|
电缆 |
插头M12×1 |
齐平 |
非齐平 |
||||||||||||||
|
常开触点 |
|||||||||||||||||
|
PNP |
3芯 |
— |
2.5 |
�肌� |
|
150402 SIEN-M12B-PS-K-L |
|||||||||||
|
— |
3针 |
— |
�肌� |
|
150403 SIEN-M12B-PS-S-L |
||||||||||||
|
3芯 |
— |
2.5 |
|
�肌� |
150410 SIEN-M12NB-PS-K-L |
||||||||||||
|
— |
3针 |
— |
|
�肌� |
150411 SIEN-M12NB-PS-S-L |
||||||||||||
|
NPN |
3芯 |
— |
2.5 |
�肌� |
|
150400 SIEN-M12B-NS-K-L |
|||||||||||
|
— |
3针 |
— |
�肌� |
|
150401 SIEN-M12B-NS-S-L |
||||||||||||
|
3芯 |
— |
2.5 |
|
�肌� |
150408 SIEN-M12NB-NS-K-L |
||||||||||||
|
— |
3针 |
— |
|
�肌� |
150409 SIEN-M12NB-NS-S-L |
||||||||||||
|
常闭触点 |
|||||||||||||||||
|
PNP |
3芯 |
— |
2.5 |
�肌� |
|
150406 SIEN-M12B-PO-K-L |
|||||||||||
|
— |
3针 |
— |
�肌� |
|
150407 SIEN-M12B-PO-S-L |
||||||||||||
|
3芯 |
— |
2.5 |
|
�肌� |
150414 SIEN-M12NB-PO-K-L |
||||||||||||
|
— |
3针 |
— |
|
�肌� |
150415 SIEN-M12NB-PO-S-L |
||||||||||||
|
NPN |
3芯 |
— |
2.5 |
�肌� |
|
150404 SIEN-M12B-NO-K-L |
|||||||||||
|
— |
3针 |
— |
�肌� |
|
150405 SIEN-M12B-NO-S-L |
||||||||||||
|
3芯 |
— |
2.5 |
|
�肌� |
150412 SIEN-M12NB-NO-K-L |
||||||||||||
|
— |
3针 |
— |
|
�肌� |
150413 SIEN-M12NB-NO-S-L |
||||||||||||







