|
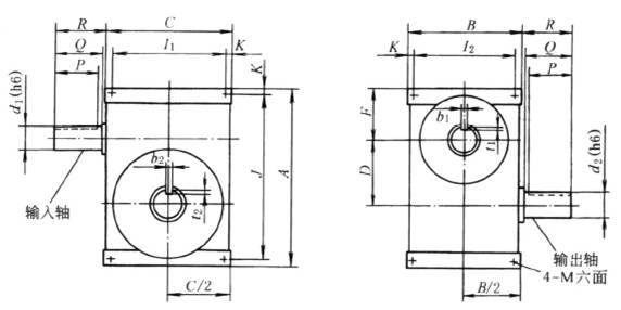
GT型弧面凸轮分度机构 长度:mm;转矩:N·m |
||||||||||||||||||||
|
|
||||||||||||||||||||
|
尺寸 规格 |
A |
B |
C |
D |
F |
I1 |
I2 |
J |
K |
P |
Q |
|||||||||
|
GT50 |
140 |
100 |
100 |
50 |
45 |
76 |
76 |
116 |
12 |
37 |
40 |
|||||||||
|
GT63 |
203 |
140 |
140 |
63 |
70 |
106 |
106 |
169 |
17 |
40 |
45 |
|||||||||
|
GT70 |
213 |
172 |
126 |
70 |
73 |
100 |
146 |
187 |
13 |
37 |
40 |
|||||||||
|
GT80 |
223 |
172 |
126 |
80 |
73 |
100 |
146 |
197 |
13 |
47 |
50 |
|||||||||
|
GT100 |
273 |
204 |
160 |
100 |
88 |
118 |
162 |
231 |
21 |
57 |
60 |
|||||||||
|
GT120 |
328 |
204 |
237 |
120 |
108 |
195 |
162 |
286 |
21 |
67 |
70 |
|||||||||
|
GT150 |
400 |
279 |
260 |
150 |
132 |
210 |
229 |
350 |
25 |
77 |
80 |
|||||||||
|
GT200 |
488 |
288 |
275 |
200 |
146 |
225 |
238 |
438 |
25 |
90 |
100 |
|||||||||
|
GT250 |
597 |
315 |
344 |
250 |
177 |
284 |
285 |
547 |
30 |
160 |
170 |
|||||||||
|
尺寸 规格 |
R |
d1 |
d2 |
b1 |
t1 |
b2 |
t2 |
M |
静转矩Tj |
动转矩Td |
||||||||||
|
GT50 |
43 |
20 |
20 |
6 |
3.5 |
6 |
3.5 |
M8 |
12~60 |
5~47 |
||||||||||
|
GT63 |
50 |
20 |
25 |
6 |
3.5 |
8 |
4 |
M8 |
23~116 |
9~107 |
||||||||||
|
GT70 |
43 |
20 |
25 |
6 |
3.5 |
8 |
4 |
M8 |
49~210 |
13~160 |
||||||||||
|
GT80 |
53 |
25 |
25 |
8 |
4 |
8 |
4 |
M10 |
85~345 |
18~235 |
||||||||||
|
GT100 |
63 |
30 |
30 |
8 |
4 |
8 |
4 |
M12 |
148~792 |
34~518 |
||||||||||
|
GT120 |
73 |
35 |
35 |
10 |
5 |
10 |
5 |
M12 |
307~1528 |
45~917 |
||||||||||
|
GT150 |
83 |
40 |
45 |
12 |
5 |
14 |
5.5 |
M16 |
473~2192 |
63~1354 |
||||||||||
|
GT200 |
103 |
65 |
75 |
18 |
7 |
20 |
7.5 |
M20 |
1214~4817 |
184~2665 |
||||||||||
|
GT250 |
173 |
80 |
90 |
22 |
9 |
25 |
9 |
M24 |
2190~5320 |
368~3648 |
||||||||||
|
注:生产厂家:西安第一钟表机械厂。 |
||||||||||||||||||||

