|
GJC系列弧面凸轮分度机构安装结构尺寸 |
|||||||||||||||||||||||||||||||||||||
|
mm |
|||||||||||||||||||||||||||||||||||||
|
尺寸 规格 |
A |
B |
C |
D |
E |
F |
N |
Z |
P |
Q |
R |
e |
f |
||||||||||||||||||||||||
|
GJC50 |
140 |
90 |
100 |
50 |
45 |
45 |
112 |
114 |
35 |
40 |
43 |
5 |
3 |
||||||||||||||||||||||||
|
GJC63 |
180 |
120 |
130 |
63 |
59 |
58 |
142 |
144 |
40 |
45 |
48 |
5 |
3 |
||||||||||||||||||||||||
|
尺寸 规格 |
d1 |
d2 |
S1 |
S2 |
S3 |
I1 |
I2 |
K |
L |
M |
M1 |
a |
h |
||||||||||||||||||||||||
|
GJC50 |
16 |
20 |
20 |
50 |
35 |
76 |
66 |
12 |
125 |
M8 |
M6 |
4 |
15 |
||||||||||||||||||||||||
|
GJC63 |
20 |
25 |
25 |
60 |
44 |
110 |
100 |
10 |
160 |
M8 |
M6 |
6 |
15 |
||||||||||||||||||||||||
|
轴 输 出 结 构 |
|||||||||||||||||||||||||||||||||||||
|
GJC系列机构常用主参数: 分度精度等级:高精级≤±15",精密级≤±30"、普通级≤±50" 转盘分度期运动规律:变形正弦加速、变形等速运动、变形梯形运动 凸轮分度廓线旋向:左旋、右旋;分度数:2~6、8、10、12、16、20、24;凸轮动程角:90°~330°(间隔30°);最高输入轴转速:1000r/min mm |
|||||||||||||||||||||||||||||||||||||
|
尺寸 规格 |
A |
B |
C |
D |
E |
F |
G |
I |
J |
K |
L |
P |
|||||||||||||||||||||||||
|
GJC45 |
130 |
90 |
90 |
45 |
40 |
45 |
108 |
70 |
110 |
10 |
110 |
26 |
|||||||||||||||||||||||||
|
GJC70 |
195 |
130 |
130 |
70 |
60 |
65 |
148 |
100 |
165 |
15 |
165 |
40 |
|||||||||||||||||||||||||
|
GJC83 |
222 |
140 |
160 |
83 |
73.5 |
65.5 |
166 |
110 |
192 |
15 |
192 |
36 |
|||||||||||||||||||||||||
|
尺寸 规格 |
Q |
R |
b |
e |
f |
d1 |
d2 |
S1 |
S2 |
d |
M |
a1 |
a2 |
||||||||||||||||||||||||
|
GJC45 |
34 |
35 |
32 |
40 |
42 |
≈14 |
≈17 |
≈16 |
≈20 |
≈65 |
M8 |
5 |
5 |
||||||||||||||||||||||||
|
GJC70 |
48 |
50 |
40 |
50 |
52 |
≈20 |
≈25 |
≈25 |
≈35 |
≈90 |
M10 |
6 |
8 |
||||||||||||||||||||||||
|
GJC83 |
40 |
42 |
50 |
60 |
62 |
≈20 |
≈25 |
≈25 |
≈35 |
≈80 |
M12 |
6 |
8 |
||||||||||||||||||||||||
|
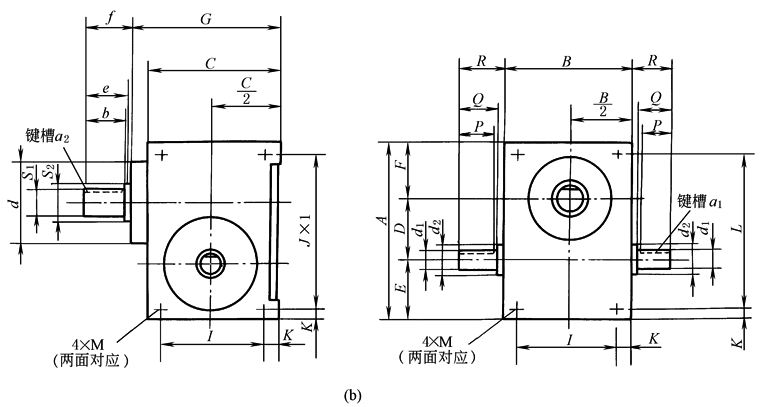
GJC系列说明: 1.该机构六个面都可以做安装面,上下顶面安装尺寸I1、I2关于中心对称 2.d1、S1分别代表输入,输出轴,d1可以单端输入,S1的输出形式可以为止口法兰式,法兰式 3.规格的大小以中心距D定义 4.特殊要求可单独订做 mm |
|||||||||||||||||||||||||||||||||||||
|
尺寸 规格 |
A |
B |
C |
D |
E |
F |
I1 |
I2 |
L |
J |
K |
P |
|||||||||||||||||||||||||
|
GJC80 |
240 |
170 |
170 |
80 |
80 |
80 |
120 |
120 |
190 |
220 |
25 |
45 |
|||||||||||||||||||||||||
|
GJC100 |
290 |
200 |
200 |
100 |
95 |
95 |
140 |
140 |
230 |
260 |
30 |
55 |
|||||||||||||||||||||||||
|
GJC110 |
310 |
200 |
220 |
110 |
100 |
100 |
170 |
150 |
260 |
280 |
25 |
60 |
|||||||||||||||||||||||||
|
GJC125 |
335 |
230 |
230 |
125 |
100 |
110 |
170 |
170 |
275 |
305 |
30 |
65 |
|||||||||||||||||||||||||
|
GJC140 |
400 |
260 |
260 |
140 |
130 |
130 |
200 |
200 |
340 |
340 |
30 |
75 |
|||||||||||||||||||||||||
|
GJC150 |
430 |
280 |
280 |
150 |
140 |
140 |
220 |
220 |
370 |
370 |
30 |
85 |
|||||||||||||||||||||||||
|
GJC180 |
500 |
320 |
350 |
180 |
160 |
160 |
270 |
240 |
420 |
420 |
40 |
90 |
|||||||||||||||||||||||||
|
GJC200 |
580 |
380 |
380 |
200 |
190 |
190 |
290 |
290 |
490 |
490 |
45 |
110 |
|||||||||||||||||||||||||
|
尺寸 规格 |
Q |
R |
b |
e |
f |
d1 |
d2 |
S1 |
S2 |
a1 |
a2 |
M |
|||||||||||||||||||||||||
|
GJC80 |
48 |
50 |
70 |
78 |
80 |
22 |
30 |
30 |
35 |
6 |
8 |
M10 |
|||||||||||||||||||||||||
|
GJC100 |
58 |
60 |
70 |
78 |
90 |
25 |
30 |
35 |
40 |
8 |
10 |
M12 |
|||||||||||||||||||||||||
|
GJC110 |
70 |
75 |
80 |
85 |
90 |
30 |
35 |
35 |
40 |
8 |
10 |
M12 |
|||||||||||||||||||||||||
|
GJC125 |
78 |
80 |
80 |
105 |
110 |
30 |
35 |
42 |
50 |
8 |
12 |
M12 |
|||||||||||||||||||||||||
|
GJC140 |
80 |
85 |
80 |
85 |
90 |
40 |
45 |
45 |
50 |
10 |
12 |
M16 |
|||||||||||||||||||||||||
|
GJC150 |
100 |
105 |
85 |
100 |
105 |
40 |
45 |
50 |
55 |
12 |
16 |
M16 |
|||||||||||||||||||||||||
|
GJC180 |
110 |
115 |
100 |
105 |
110 |
50 |
55 |
60 |
70 |
14 |
18 |
M16 |
|||||||||||||||||||||||||
|
GJC200 |
120 |
125 |
135 |
140 |
145 |
50 |
70 |
75 |
85 |
18 |
20 |
M20 |
|||||||||||||||||||||||||
|
注:生产厂家为浙江省瑞安市力中传动机械有限责任公司,http://www.lzjk.com.cn; 山东诸城恒瑞精密机械有限责任公司,http://www.hengruimachinery.com。 |
|||||||||||||||||||||||||||||||||||||



