|
真空系统的概述 |
|||||||||||||||||||||
|
气动技术中应用的真空元件品种越来越多,技术更新速度也越来越快,已成为气动技术中十分重要的一个分支。有些气动制造厂商专门把它列为真空技术,也有些气动制造厂商专门把它列为模块化机械手范畴 |
|||||||||||||||||||||
|
真 空 度 |
在真空技术中,将低于当地大气压力的压力称为真空度。在工程计算中,为简化常取“当地大气压”pa=0.1MPa。以此为基准,将绝对压力、表压力及真空度表示如图a ISO规定的压力单位是帕斯卡(Pa):1Pa=1N/m2 |
|
|||||||||||||||||||
|
真 空 度 分 类 |
分类 |
压力范围(绝对) |
应 用 |
(b) |
|||||||||||||||||
|
低真空 |
大气压力~1mbar |
应用于工业的抓取技术 在实际应用中,真空水平通常以百分比的方式来表示,即真空度被表示为与其环境压力的比例。在真空应用中工件的材料和表面的加工程度也是至关重要的 |
|||||||||||||||||||
|
中等 真空 |
10-3~1mbar |
钢的去除气体,轻型灯泡的生产,塑料的干燥以及食品的冷冻干燥等 |
|||||||||||||||||||
|
高真空 |
10-3~10-8mbar |
金属的熔炼或退火,电子管的生产 |
|||||||||||||||||||
|
超高 真空 |
10-8~10-11mbar |
金属的喷射,真空镀金属(外层镀金属)以及电子束熔化 |
|||||||||||||||||||
|
真空范围从技术角度讲已经可以达到10-16的数量级,但在实际应用中一般将其分为较小的范围。图b的真空范围是按照物理特点和技术要求来划分的 |
|||||||||||||||||||||
|
真 空 度 单 位 换 算 |
工作压力可以两种不同的方式正确表达,即相对压力和绝对压力。相对压力为0bar的工作压力相当于1bar的绝对压力,这种表达方式也同样适用于真空。真空通常被表述为一个相对的工作压力值,即带有负号。最低压力值(即100%真空)就相当于-1bar的相对工作压力 真空度以相对于绝对压力0数值表示。绝对压力0数值(即0bar)是最低真空度,相当于100%真空。在这一真空范围内,1bar为最大值,代表了大气压力 目前真空的法定计量单位仍旧是帕斯卡(Pa),但在实际应用中已很少采用这一单位。事实上更多采用的是bar、mbar以及真空度(%),尤其是在低真空的情况下(如抓取技术) |
||||||||||||||||||||
|
最常用的压力单位之间的关系:100Pa=1hPa;1hPa=1mbar;1mbar=0.001bar
真空度单位换算 |
|||||||||||||||||||||
|
工作压力 /bar |
真空 /% |
绝对压力 /bar |
真空度与压力单位换算 |
单位 |
bar |
N/cm2 |
kPa |
atm, kgf/cm2 |
mH2O |
torr, mmHg |
inHg |
psi |
|||||||||
|
6 |
|
7 |
bar |
1 |
10 |
100 |
1.0197 |
1.0197 |
750.06 |
29.54 |
14.5 |
||||||||||
|
5 |
6 |
N/cm2 |
0.1 |
1 |
10 |
0.1019 |
0.1019 |
75.006 |
2.954 |
1.45 |
|||||||||||
|
4 |
5 |
kPa |
0.01 |
0.1 |
1 |
0.0102 |
0.0102 |
7.5006 |
0.2954 |
0.145 |
|||||||||||
|
3 |
4 |
atm,kgf/cm2 |
9.807 |
98.07 |
980.7 |
1 |
1 |
7355.6 |
289.7 |
142.2 |
|||||||||||
|
2 |
3 |
mH2O |
0.9807 |
9.807 |
98.07 |
1 |
1 |
735.56 |
28.97 |
14.22 |
|||||||||||
|
1 |
2 |
torr,mmHg |
0.00133 |
0.01333 |
0.1333 |
0.00136 |
0.00136 |
1 |
0.0394 |
0.0193 |
|||||||||||
|
0 |
0 |
1 |
inHg |
0.0338 |
0.3385 |
3.885 |
0.03446 |
0.03446 |
25.35 |
1 |
0.49 |
||||||||||
|
-0.1 |
10 |
0.9 |
psi |
0.0689 |
0.6896 |
6.896 |
0.0703 |
0.0703 |
51.68 |
2.035 |
1 |
||||||||||
|
-0.2 |
20 |
0.8 |
真空度与压力单位换算及绝对值和相对值的比较 |
相对压力 /% |
剩余压 力绝对 值/bar |
压力相 对值/bar |
N/cm2 |
kPa |
atm, kgf/cm2 |
mH2O |
torr, mmHg |
inHg |
|||||||||
|
-0.3 |
30 |
0.7 |
|||||||||||||||||||
|
-0.4 |
40 |
0.6 |
10 |
0.912 |
-0.101 |
-1.01 |
-10.1 |
-1.03 |
-0.103 |
-76 |
-3 |
||||||||||
|
-0.5 |
50 |
0.5 |
20 |
0.810 |
-0.203 |
-2.03 |
-20.3 |
-2.07 |
-0.207 |
-152 |
-6 |
||||||||||
|
-0.6 |
60 |
0.4 |
30 |
0.709 |
-0.304 |
-3.04 |
-30.4 |
-3.1 |
-0.31 |
-228 |
-9 |
||||||||||
|
-0.7 |
70 |
0.3 |
40 |
0.608 |
-0.405 |
-4.05 |
-40.5 |
-4.13 |
-0.413 |
-304 |
-12 |
||||||||||
|
-0.8 |
80 |
0.2 |
50 |
0.506 |
-0.507 |
-5.07 |
-50.7 |
-5.17 |
-0.517 |
-380 |
-15 |
||||||||||
|
-0.85 |
85 |
0.15 |
60 |
0.405 |
-0.608 |
-6.08 |
-60.8 |
-6.2 |
-0.62 |
-456 |
-18 |
||||||||||
|
-0.9 |
90 |
0.1 |
70 |
0.304 |
-0.709 |
-7.09 |
-70.9 |
-7.23 |
-0.723 |
-532 |
-21 |
||||||||||
|
-0.95 |
95 |
0.05 |
80 |
0.202 |
-0.811 |
-8.11 |
-81.1 |
-8.27 |
-0.827 |
-608 |
-24 |
||||||||||
|
-1.0 |
100 |
0 |
90 |
0.101 |
-0.912 |
-9.12 |
-91.2 |
-9.3 |
-0.93 |
-684 |
-27 |
||||||||||
|
空气压力的变化对真空技术的影响 |
空气压力随海拔的上升而不断下降,这当然也会对真空技术甚至真空发生器本身产生影响。由于大气压力随海拔的上升而不断下降,因此所能获得的最大差压以及真空吸盘所能获得的最大吸力也会相应减小(见图c)。即使真空发生器80%的真空性能水平仍旧保持不变,它所产生的真空能力会随着海拔高度的上升而下降 在海平面的空气压力约为1013mbar。如果在海平面上一个真空发生器可以产生80%真空度,它即产生了约0.2bar(200mbar)的绝对压力,相当于-0.8bar的相对压力(工作压力)。如果在海拔2000m的高度时,空气压力仅为763mbar(空气压力呈线性下降,每100m约下降12.5mbar),虽然真空发生器80%的真空水平未变,但此时真空发生器产生80%的真空度时所产生的绝对压力数值是不同的:[1013mbar-(763mbar×0.8)]=0.4026bar(402.6mbar),相当于-0.5974bar的相对压力。同样,海拔高度达到5500m时,空气压力仅为海平面压力值的50%(506mbar)。真空气爪的吸力会随着所能得到的最大真空度的下降而下降 因此计算真空发生器产生的吸力应注意考虑海拔因素 |
|
|||||||||||||||||||
|
真空的产生装置及其工作原理 |
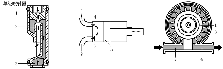
产生真空的传统装置有吸气式真空泵和送气式真空泵。在近代气动技术中有另一种产生真空的装置,以空气进入喷射嘴产生真空,称为真空喷射器(在气动技术中俗称为真空发生器)。真空发生器(真空喷射器)、吸气式真空泵和送气式真空泵技术原理和工作方式有很大的差别
|
||||||||||||||||||||
|
(d)真空发生器 1—文丘里喷嘴(气流喷嘴); 2—接收器喷嘴;3—真空口 |
(e)送气式置换真空泵 1—压力一侧;2—吸气一侧; 3—进气阀;4—排气阀; 5—活塞 |
(f)真空送风机 1—叶轮;2—吸气侧; 3—叶片;4—压缩 |
|||||||||||||||||||
|
真空发 生器 |
典型的喷射器包括一个气流喷嘴(文丘里喷嘴)和至少一个接收器喷嘴(根据结构原理而定)。压缩空气进入喷射器,气流在通过狭小的喷嘴(文丘里喷嘴)时流速被加速到音速的5倍。在喷射器的出口和接收器喷嘴的压缩空气在通过该缝隙时体积膨胀,并产生了吸气的效应,于是在这个装置的输出口(即真空口)就形成了真空 |
||||||||||||||||||||
|
送气式 置换真 空泵与 送气式 动力真 空泵 |
在置换式真空泵(高真空,小流量)中,空气(气体)可自由流入扩张区域,然后通过机械方式进行关闭、压缩以及喷射。这类真空泵的主要特点是能达到很高的真空度,但流量相对较小 图e是这种真空泵的简图,它显示了这种置换式真空泵的工作原理。虽然在设计方案和构造上有所不同,但所有的泵在工作原理上都是相同的。其真空度最高可达到98%,维护成本低,但安装位置受到限制,尺寸较大 在动力真空泵(低真空,大流量)的真空形成的过程中,空气(气体)微粒在外部机械力的作用下被强制流入传送方向 这类真空泵的主要特点是所产生的真空度相对较低,但它们同时所能达到的流量(抽气能力)却很高 |
||||||||||||||||||||
|
吸气式 真空泵 |
这种真空泵不能去除气体微粒,而是在真空系统内部将它们转换成液体、固体或是可吸着的状态。这样在封闭空间内的气体(空气)体积就会缩小,于是真空便产生了(如用医学针筒抽血) |
||||||||||||||||||||
|
真空 送风机 |
真空送风机(图f)也被归为动力真空泵一类。这些真空发生装置是按照脉动原理进行工作的,也就是在旋转叶轮1将动能传递给空气的过程中,空气在吸气侧2被吸入并通过叶轮上的叶片3进行压缩。它可以在较短的时间内将较大的容积抽空,维护成本高 |
||||||||||||||||||||
|
真空 压缩机 |
真空压缩机是另一种具有相似特性的动力真空泵。吸入的空气在通过多级叶轮室时在叶轮旋转产生离心力的作用下获得低脉动的压缩。和真空送风机一样,这类真空泵的流量也很大,可以在较短的时间内将较大的容积抽空,但维护成本高,形成的真空度较低 |
||||||||||||||||||||
|
真空发生器(真空喷射器)和真空泵的特性比较 |
项目 |
真空发生器 |
真空泵 |
||||||||||||||||||
|
真空度/kPa |
可达88 |
可达101.3 |
|||||||||||||||||||
|
吸入流量/m3·min-1 |
-0.3 |
-20 |
|||||||||||||||||||
|
尺寸大小 |
1 |
60 |
|||||||||||||||||||
|
重量 |
1 |
40 |
|||||||||||||||||||
|
结构 |
简单 |
复杂 |
|||||||||||||||||||
|
寿命 |
无可动部件,无需维修,寿命长 |
有可动部件,需要定期维修 |
|||||||||||||||||||
|
消耗功率 |
小(尤其对省气式组合发生器) |
较大 |
|||||||||||||||||||
|
安装 |
方便 |
不便 |
|||||||||||||||||||
|
与配套件的组合 |
容易(如气管短、细) |
困难(如气管壁厚、长) |
|||||||||||||||||||
|
真空的产生及消除 |
快 |
慢 |
|||||||||||||||||||
|
真空压力的脉动 |
无脉动,不需要真空管 |
有脉动,需要真空管 |
|||||||||||||||||||
|
产生真空的成本比 |
1 |
27 |
|||||||||||||||||||
|
应用场合 |
需要气源,宜从事流量不大的间歇工作,适合分散及集中点使用 适用于工业机器人、自动流水线、抓取放置系统、印刷、包装、传输等领域 |
适合连续的、大流量工作,不宜频繁启停,也不宜分散点使用 适用于抓取透气性较好、质量较轻的物件,如沙袋、纸板箱、刨花板(送气式动力真空泵) |
|||||||||||||||||||
|
真空系统 |
组成 |
真空系统一般由真空压力源(真空发生器、真空泵)、吸盘(执行元件)、真空阀(控制元件有手动阀、机控阀、气控阀及电磁阀等)及辅助元件(管件接头、过滤器和消声器等)组成。有些元件在正压系统和负压系统中能够通用,如管接头、过滤器和消声器以及部分控制元件 |
|||||||||||||||||||
|
真空由 真空泵 产生的 回路 |
用真空发生器产生的真空回路,往往是正压系统的一部分,同时组成一个完整的气动系统 |
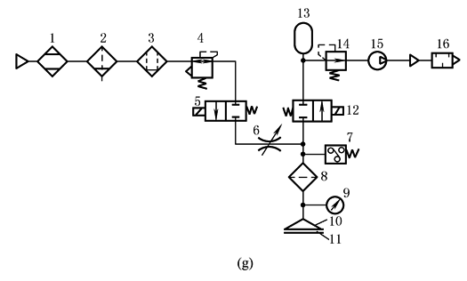
典型真空回路(图g、图h) 1—冷冻式干燥机; 2—过滤器; 3—油雾分离器; 4—减压阀; 5—真空破坏阀; 6—节流阀; 7—真空压力开关; 8—真空过滤器; 9—真空表; 10—吸盘; 11—被吸吊物; 12—真空切换阀; 13—真空罐; 14—真空减压阀; 15—真空泵; 16—消声器; 17—供给阀; 18—真空发生器; 19—单向阀 |
|||||||||||||||||||
|
应
用 |
真空系统作为实现自动化的一种手段,已在电子、半导体元件组装、汽车组装、自动搬运机械、轻工机械、医疗机械、印刷机械、塑料制品机械、包装机械、锻压机械、机器人等许多方面得到广泛的应用。如真空包装机械中,包装纸的吸附、送标、贴标,包装袋的开启;电视机的显像管、电子枪的加工、运输、装配及电视机的组装;印刷机械中的双张、折面的检测,印刷纸张的运输;玻璃的搬运和装箱;机器人抓起重物,搬运和装配;真空成型、真空卡盘等。总之,对任何具有较光滑表面的物体,特别对于非金属且不适合夹紧的物体,如薄的柔软的纸张、塑料膜、铝箔、易碎的玻璃及其制品、集成电路等微型精密零件,都可以使用真空吸附,完成各种作业 |
||||||||||||||||||||






