|
SMC ITV 2090/209真空用电气比例阀(PWM型) |
||||||||||||||||||||||||
|
ITV 2090/209真空用电气比例阀是输出压力随电气信号成比例变化的电气比例阀,其实质是PWM(PulseWidthModulation)脉冲宽度调制的比例压力阀。它采用脉宽调制技术将输入的模拟信号经脉冲调制器调制成具有一定频率和一定幅值的脉冲信号,脉冲信号放大后,控制两个二位二通高速电磁换向阀 灵敏度为0.2%,线性度±1%(FS),迟滞0.5%(FS),IP65防护等级。有LED显示。有两种输出信号模式:模拟量和开关量。 |
||||||||||||||||||||||||
|
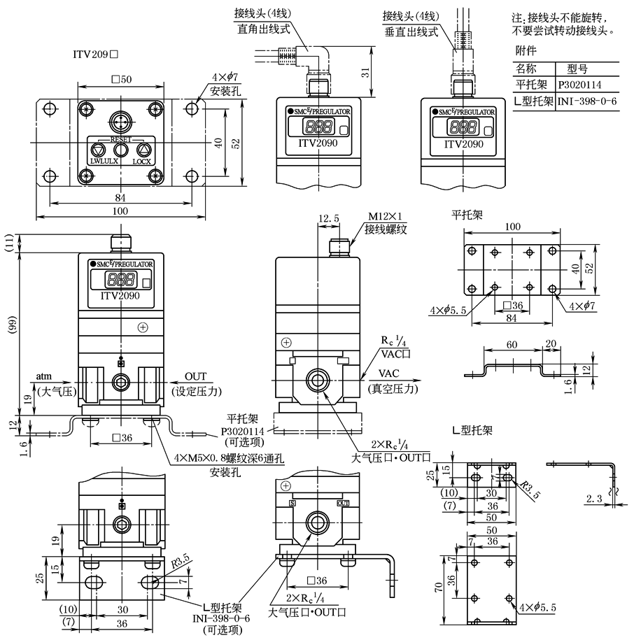
ITV 2090/209真空用电气比例阀的外形尺寸图/mm |
|
|||||||||||||||||||||||
|
工作原理 |
|
动作原理: 输入信号增大,真空压用电磁阀1接通,大气压用电磁阀2断开,则VAC口与先导室3接通,先导室的压力变成负压,该负压作用在膜片4的上部,其结果是与膜片4联动的真空压阀芯5开启,VAC口与OUT口接通,则设定压力变成负压。此负压通过压力传感器7反馈至控制回路8,在这里进行修正动作,直到OUT口的真空压力与输入信号成比例地变化 |
||||||||||||||||||||||
|
|
||||||||||||||||||||||||
|
ITV2090/209真空用电气比例阀的主要技术参数 |
型 号 |
ITV2090 |
ITV2091 |
型号标记:
|
||||||||||||||||||||
|
最低供给真空度/kPa |
设定真空度+13.3 |
|||||||||||||||||||||||
|
最高供给真空度/kPa |
+101 |
|||||||||||||||||||||||
|
设定真空度范围/kPa |
1.3~80 |
|||||||||||||||||||||||
|
电源 |
电压/VDC |
24~10% |
12~15 |
|||||||||||||||||||||
|
消耗电流/A |
使用电压24VDC:0.12或以下 使用电压12~15VDC:0.18或以下 |
|||||||||||||||||||||||
|
输入 信号 |
电流型①/mA |
4~20,0~20 |
||||||||||||||||||||||
|
电压型/VDC |
0~5,0~10 |
|||||||||||||||||||||||
|
预设输入 |
4点 |
|||||||||||||||||||||||
|
输入阻 抗/kΩ |
电流型 |
250或以下 |
||||||||||||||||||||||
|
电压型 |
约6.5 |
|||||||||||||||||||||||
|
预设输入 |
约2.7 |
|||||||||||||||||||||||
|
输出信 号②(电 信号监 控输出) |
模拟输出 |
1~5VDC(负载阻抗:1kΩ或以上) 4~20mA(汇式)(负载阻抗: 250Ω或以上) |
||||||||||||||||||||||
|
开关输出 |
NPN集电极开路:最高30V,30mA PNP集电极开路:最高30mA |
|||||||||||||||||||||||
|
线性度 |
-1%FS以内 |
|||||||||||||||||||||||
|
迟滞现象 |
0.5%FS以内 |
|||||||||||||||||||||||
|
重复精度 |
-0.5%FS以内 |
|||||||||||||||||||||||
|
敏感度 |
0.2%FS以内 |
|||||||||||||||||||||||
|
温度特性/℃ |
-0.12%FS以内 |
|||||||||||||||||||||||
|
输出压 力指示 |
精度 |
-3%FS以内 |
||||||||||||||||||||||
|
单位 |
kPa(最小为1) |
|||||||||||||||||||||||
|
环境及流体温度/℃ |
0~50(但未冻结) |
|||||||||||||||||||||||
|
保护构造 |
相当IP65 |
|||||||||||||||||||||||
|
①2线式4~20mA没有,供应电压为24VDC或12~15VDC ②可选择模拟输出或开关输出,若选择开关输出,请选择NPN输出或PNP输出 |
||||||||||||||||||||||||
|
ITV 2090/209真空用电气比例阀的主要技术参数 |
|
① 有LED跳字式显示 ② 可选择开关输出或模拟输出两种 ③ 接线方式可选择垂直出线式或直角出线式两种 ④ 安装尺寸与IT系列相同 ⑤ 保护等级达IP65 |
电源24VDC 12~15VDC P1~P4预设输出压力的选择依靠S1和S2的开、关组合决定
*建议其中一个预设压力设定为0MPa,控制上会较安全 |
|||||||||||||||||||||
|
线性度、迟滞、重复精度、压力特性、流量特性 |
|
|||||||||||||||||||||||
|
流量特性测定条件 ①测定时使用的真空泵的排气流量(ANR)500L/min ②一次侧VAC,压力-100kPa(二次侧流量0时) ③最大流量(ANR)132L/min(一次侧VAC,压力-39kPa) |
||||||||||||||||||||||||







