|
NORGREN VP22系列二位三通比例阀 |
|||||||||||||||||||||||||||
|
VP22系列二位三通比例阀是直动式比例阀,用于闭环、高精度、高速场合,如可用于增压先导控制 |
|||||||||||||||||||||||||||
|
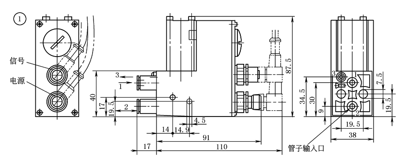
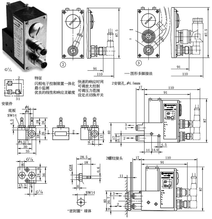
VP22系列三通比例压力阀外形尺寸图 |
|
||||||||||||||||||||||||||
|
VP22系列二位三通比例阀主要技术参数 |
介质不确定 |
工作环 境温度 /℃ |
介质 温度 /℃ |
连接 |
安装 位置 |
流动 方向 |
电气保 护等级 |
最高工 作压力 /bar |
设定 压力 /bar |
磁 |
重复 性 |
线性 度 |
响应灵 敏度 |
材料 |
|||||||||||||
|
壳体 |
密封件 |
||||||||||||||||||||||||||
|
经40μm过滤 的润滑或非润 滑压缩空气 |
0~ +50 |
-5~ +50 |
f 6mm 软管 |
最好立 式安装 |
固定 |
IP65 |
12 |
0~6 |
|
|
|
|
PA6 |
NBR |
|||||||||||||
|
设定压力 p2/bar |
最高工作 压力p1/bar |
输入 |
输出 /V |
调节压力 |
|
|
|
型号 |
|||||||||||||||||||
|
0~2 |
3 |
0~10V |
0~10 |
· |
· |
1 |
A+D |
4094700.9000 |
|||||||||||||||||||
|
0~2 |
3 |
0~20mA |
0~10 |
· |
· |
1 |
A+B |
4094701.9000 |
|||||||||||||||||||
|
0~2 |
3 |
4~20mA |
0~10 |
· |
· |
1 |
A+B |
4094702.9000 |
|||||||||||||||||||
|
0~2 |
3 |
8 |
0~10 |
· |
· |
3 |
A+D |
4094703.9000 |
|||||||||||||||||||
|
0~8 |
12 |
0 |
0~8 |
· |
· |
1 |
A+B |
4094710.9000 |
|||||||||||||||||||
|
0~8 |
12 |
0 |
0~8 |
· |
· |
1 |
A+B |
4094711.9000 |
|||||||||||||||||||
|
0~8 |
12 |
4 |
0~8 |
· |
· |
1 |
A+D |
4094712.9000 |
|||||||||||||||||||
|
0~8 |
12 |
8 |
0~8 |
· |
· |
3 |
A+D |
4094713.9000 |
|||||||||||||||||||
|
0~2 |
3 |
0~10V |
0~10 |
· |
— |
2 |
C |
4095700.9000 |
|||||||||||||||||||
|
0~2 |
3 |
0~20mA |
0~10 |
· |
— |
2 |
C |
4095701.9000 |
|||||||||||||||||||
|
0~2 |
3 |
4~20mA |
0~10 |
· |
— |
2 |
C |
4095702.9000 |
|||||||||||||||||||
|
0~8 |
12 |
0~8V |
0~8 |
· |
— |
2 |
C |
4095710.9000 |
|||||||||||||||||||
|
0~8 |
12 |
0~16mA |
0~8 |
· |
— |
2 |
C |
4095711.9000 |
|||||||||||||||||||
|
0~8 |
12 |
|
0~8 |
· |
— |
2 |
C |
4095712.9000 |
|||||||||||||||||||
|
VP22系列二位三通比例阀线性度和流量特性 |
特性曲线 |
静态特性曲线 |
|
12bar 工 作 压 力 时 的 流 量 特 性 曲 线 |
|
||||||||||||||||||||||
|
7bar 工 作 压 力 时 的 流 量 特 性 曲 线 |
|
||||||||||||||||||||||||||
|
7bar 工 作 压 力 时 的 流 量 特 性 曲 线 |
|
||||||||||||||||||||||||||






