|
Festo MPPES气动压力比例阀(比例电磁铁型) |
||||||||||||||||||||||||||||||||||||
|
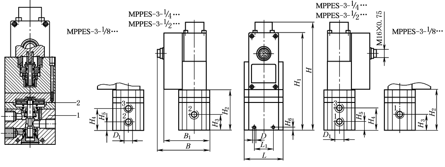
剖视图、外形尺寸图 |
1—阀体(精制铝合金); 2—隔膜(丁腈橡胶) |
|||||||||||||||||||||||||||||||||||
|
主 要 技 术 参 数 |
气接口 |
G1/8 |
G¼ |
G½ |
工作原理见表几种电-气比例/伺服阀中动铁式比例压力阀 |
|||||||||||||||||||||||||||||||
|
结构特点 |
直动活塞式减压阀 |
先导驱动活塞式减压阀 |
||||||||||||||||||||||||||||||||||
|
密封原理 |
软性密封方式 |
|||||||||||||||||||||||||||||||||||
|
驱动方式 |
电 |
|||||||||||||||||||||||||||||||||||
|
先导控制方式 |
直动式 |
通过两位两通阀进行先导驱动 |
||||||||||||||||||||||||||||||||||
|
安装方式 |
采用通孔安装 |
|||||||||||||||||||||||||||||||||||
|
安装位置 |
任意位置 |
|||||||||||||||||||||||||||||||||||
|
公称通径/mm |
换气 |
5 |
7 |
11 |
||||||||||||||||||||||||||||||||
|
排气 |
5 |
7 |
12 |
|||||||||||||||||||||||||||||||||
|
标准额定流量/L·min-1 |
见下图 |
|||||||||||||||||||||||||||||||||||
|
质量/g |
915 |
1310 |
2670 |
|||||||||||||||||||||||||||||||||
|
尺
寸 |
mm |
|||||||||||||||||||||||||||||||||||
|
气接口 D1 |
B |
B1 |
D |
H |
H1 |
H2 |
H3 |
H4 |
H5 |
H6 |
L |
L1 |
||||||||||||||||||||||||
|
G1/8 |
77.1 |
67.1 |
4.4 |
116.5 |
100 |
55 |
34 |
45 |
23 |
4 |
62 |
34 |
||||||||||||||||||||||||
|
G¼ |
82.1 |
72.1 |
4.5 |
170.2 |
153.7 |
63.7 |
25.3 |
34.8 |
13.8 |
5 |
62 |
30 |
||||||||||||||||||||||||
|
G½ |
96.1 |
86.1 |
7 |
227.1 |
210.6 |
120.6 |
53 |
74 |
32 |
18 |
86 |
50 |
||||||||||||||||||||||||
|
接口 |
切换功能 |
|||||||||||||||||||||||||||||||||||
|
端子分配
|
1 WH 常闭 2 BN 接地 3 GN 接地 4 YE Win(设定点输入值) 5 GY 常闭 6 PK Xout(实际输出值) 7 RD 24VDC(电源电压) 8 BU 接地 |
|
||||||||||||||||||||||||||||||||||
|
输出压力与流量的关系 |
气接口G¼ |
|||||||||||||||||||||||||||||||||||
|
|
||||||||||||||||||||||||||||||||||||
|
气接口G¼ |
||||||||||||||||||||||||||||||||||||
|
|
||||||||||||||||||||||||||||||||||||
|
气接口G½ |
||||||||||||||||||||||||||||||||||||
|
|
||||||||||||||||||||||||||||||||||||
|
气动压力比例阀的压力调节范围 |
|
说明 |
||||||||||||||||||||||||||||||||||
|
工作和环 境条件 |
压力调节范围/bar |
0~2 |
0~6 |
0~10 |
||||||||||||||||||||||||||||||||
|
工作介质 |
过滤压缩空气,润滑或未润滑 中性气体 |
①耐腐蚀等级2,符合Festo940070标准要求元件具有一定的耐腐蚀能力,外部可视元件带有基本涂层,直接与工业环境或诸如冷却液或润滑剂等介质接触 |
||||||||||||||||||||||||||||||||||
|
输入压力/bar |
3~4 |
7~8 |
11~2 |
|||||||||||||||||||||||||||||||||
|
最大迟滞/mbar |
10 |
50 |
50 |
|||||||||||||||||||||||||||||||||
|
环境温度/℃ |
0~50 |
|||||||||||||||||||||||||||||||||||
|
介质温度/℃ |
0~60 |
|||||||||||||||||||||||||||||||||||
|
耐腐蚀等级CRC① |
2 |
2 |
2 |
|||||||||||||||||||||||||||||||||
|
在p1max下输出口2处的响应时间/阶跃响应/s |
压力调节范围/bar |
0~2.5 |
0~6 |
0~10 |
|
|||||||||||||||||||||||||||||||
|
输出口2处的容积 |
开① |
关② |
开① |
关② |
开① |
关② |
||||||||||||||||||||||||||||||
|
01 |
G1/8 |
0.220 |
0.410 |
0.210 |
0.280 |
0.200 |
0.290 |
① 开=(0~90%)p2max ② 关=(100%~10%)p2max |
||||||||||||||||||||||||||||
|
G¼ |
0.200 |
0.890 |
0.200 |
0.640 |
0.200 |
0.360 |
||||||||||||||||||||||||||||||
|
G½ |
0.220 |
1.000 |
0.230 |
0.660 |
0.230 |
0.450 |
||||||||||||||||||||||||||||||
|
21 |
G1/8 |
0.660 |
2.530 |
1.200 |
5.760 |
1.370 |
6.300 |
|||||||||||||||||||||||||||||
|
G¼ |
0.200 |
1.000 |
0.450 |
0.760 |
0.460 |
0.900 |
||||||||||||||||||||||||||||||
|
G½ |
0.320 |
1.000 |
0.340 |
0.570 |
0.350 |
0.630 |
||||||||||||||||||||||||||||||
|
101 |
G1/8 |
2.700 |
2.800 |
5.150 |
24.000 |
5.800 |
27.000 |
|||||||||||||||||||||||||||||
|
G¼ |
0.900 |
2.700 |
1.500 |
3.000 |
1.900 |
3.400 |
||||||||||||||||||||||||||||||
|
G½ |
0.800 |
1.400 |
1.100 |
1.500 |
1.300 |
1.800 |
||||||||||||||||||||||||||||||
|
电参数 |
压力调节范围/bar |
0~2.5 |
0~6 |
0~10 |
|
|||||||||||||||||||||||||||||||
|
电接口 |
圆形插头:符合DIN 45326标准,M16×0.75,8针 |
|||||||||||||||||||||||||||||||||||
|
工作电压范围UB/V |
18~30 |
18~30 |
18~30 |
|||||||||||||||||||||||||||||||||
|
残余脉动 |
10% |
|||||||||||||||||||||||||||||||||||
|
功耗Pmax/W |
20(在30VDC时) |
|||||||||||||||||||||||||||||||||||
|
设定点 输入值 |
电压UW/V |
0~10 |
0~10 |
0~10 |
||||||||||||||||||||||||||||||||
|
电流IW/mA |
4~20 |
4~20 |
4~20 |
|||||||||||||||||||||||||||||||||
|
实际输 入值 |
电压UX/V |
0~10 |
0~10 |
0~10 |
||||||||||||||||||||||||||||||||
|
电流IX/mA |
4~20 |
4~20 |
4~20 |
|||||||||||||||||||||||||||||||||
|
外部信 号实际 输入值 |
电压UX,ext/V |
0~10 |
0~10 |
0~10 |
||||||||||||||||||||||||||||||||
|
电流IX,ext/mA |
4~20 |
4~20 |
4~20 |
|||||||||||||||||||||||||||||||||
|
防护等级(符合DIN 60529标准) |
IP65(带连接插座时) |
|||||||||||||||||||||||||||||||||||
|
安全说明 |
当电源电缆中断时,输出压力降至0bar |
|||||||||||||||||||||||||||||||||||
|
极性容 错保护 |
设定点输入值 电压信号 0~10mV |
适用于所有电接口 |
||||||||||||||||||||||||||||||||||
|
设定点输入值 电流信号 4~20mA |
适用于工作电压 |
|||||||||||||||||||||||||||||||||||
|
短路保护 |
无 |
|||||||||||||||||||||||||||||||||||







