|
QDC系列电控换向阀 |
||||||||||||||||||||||||||||||||||||||||||||||||||
|
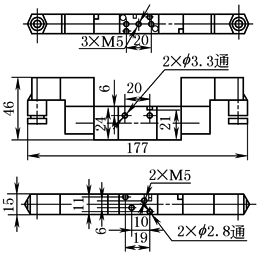
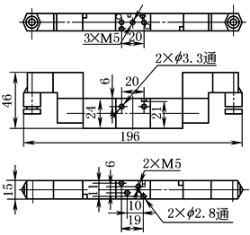
国内曾引进Taiyo的SR系列的二位五通单电控、双电控及三位五通阀。下表1以QDC系列引进产品为例,表中列出主要技术参数、结构及尺寸参数,国内生产厂商见下表2(表中列出的是在板接连接界面上尺寸相同的气动厂商)。板接连接尺寸相同是指阀安装在集成气路板上时,在气源口中心线附近两个对称穿孔,如QDC型3mm中2×f 2.8,6mm中2×f 3.3。QDC系列电控换向阀集成板式安装尺寸参数见下表1二位五通的气控阀的安装连接尺寸与电磁阀相同,只是取消电磁线圈部分,这里不作叙述 QDC系列无给油润滑电控换向阀是引进、消化吸收国外先进技术后开发的新产品,它具有小型化、轻型化、动作灵敏、低功耗、性能良好、可集成安装等特点,是国内相同通径系列中体积最小的电磁阀,可以用微电信号直接控制,适用于机电一体化领域,它广泛用于各行各业的气动控制系统中,尤其适用于电子、医药卫生、食品包装等洁净无污染的行业 |
||||||||||||||||||||||||||||||||||||||||||||||||||
|
尺寸参数 |
3mm,管接 |
3mm二位五通单电控换向 阀(管接) |
3mm二位五通双电控换向 阀(管接)
|
3mm三位五通双电控换向 阀(管接) |
||||||||||||||||||||||||||||||||||||||||||||||
|
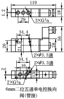
6mm,管接 |
|
|
|
|||||||||||||||||||||||||||||||||||||||||||||||
|
8mm,管接 |
|
|
|
|||||||||||||||||||||||||||||||||||||||||||||||
|
10mm,管接 |
|
|
|
|||||||||||||||||||||||||||||||||||||||||||||||
|
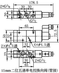
15mm,管接 |
|
|
|
|||||||||||||||||||||||||||||||||||||||||||||||
|
25(20) mm,管接 |
25(20)mm二位五通单电控换向 阀(管接)
|
25(20)mm二位五通双电控换向 阀(管接) |
25(20)mm三位五通双电控换向 阀(管接) |
|||||||||||||||||||||||||||||||||||||||||||||||
|
注:括号内的螺纹尺寸为通径20mm的气口螺纹尺寸 |
||||||||||||||||||||||||||||||||||||||||||||||||||
|
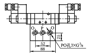
3mm,板接 |
3mm二位五通单电控换向 阀(板接) |
3mm二位五通双电控换向 阀(板接) |
3mm三位五通双电控换向 阀(板接) |
|||||||||||||||||||||||||||||||||||||||||||||||
|
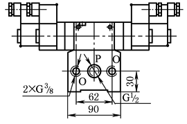
6mm,板接 |
6mm二位五通单电控换向 阀(板接) |
6mm二位五通单电控换向 阀(板接) |
6mm三位五通单电控换向 阀(板接) |
|||||||||||||||||||||||||||||||||||||||||||||||
|
8mm,板接 |
8mm二位五通单电控换向 阀(板接) |
8mm二位五通双电控换向 阀(板接) |
8mm三位五通双电控换向 阀(板接) |
|||||||||||||||||||||||||||||||||||||||||||||||
|
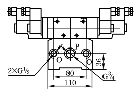
10mm,板接 |
10mm二位五通单电控换向 阀(板接) |
10mm二位五通双电控换向 阀(板接) |
10mm三位五通双电控换向 阀(板接) |
|||||||||||||||||||||||||||||||||||||||||||||||
|
15mm,板接 |
15mm二位五通单电控换向 阀(板接) |
15mm二位五通双电控换向 阀(板接) |
15mm三位五通双电控换向 阀(板接) |
|||||||||||||||||||||||||||||||||||||||||||||||
|
25(20) mm,板接 |
25(20)mm二位五通单电控换向 阀(板接) |
25(20)mm二位五通双电控换向 阀(板接) |
25(20)mm三位五通双电控换向 阀(板接) |
|||||||||||||||||||||||||||||||||||||||||||||||
|
注:括号内的螺纹尺寸为通径20mm的气口螺纹尺寸 |
||||||||||||||||||||||||||||||||||||||||||||||||||
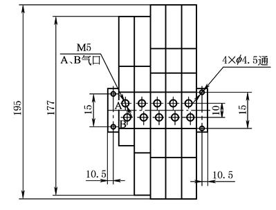
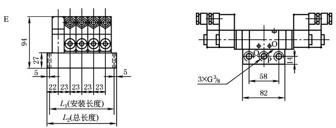
|
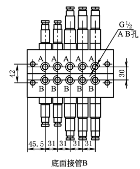
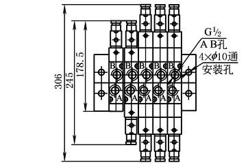
3mm电控换向阀,M型集装式、E型集装式尺寸 |
侧面接管A |
底面接管B |
||||||||||||||||||||||||||||||||||||||||||||||||
|
|
||||||||||||||||||||||||||||||||||||||||||||||||||
|
|
M型集装式 mm
E型集装式 mm
|
|||||||||||||||||||||||||||||||||||||||||||||||||
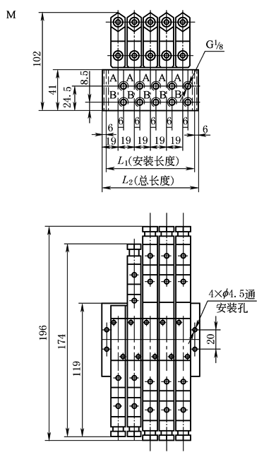
|
6mm电控换向阀,M型集装式、E型集装式尺寸 |
侧面接管A |
底面接管B |
||||||||||||||||||||||||||||||||||||||||||||||||
|
|
||||||||||||||||||||||||||||||||||||||||||||||||||
|
|
M型集装式 mm
E型集装式 mm
|
|||||||||||||||||||||||||||||||||||||||||||||||||
|
8mm电控换向阀,M型集装式、E型集装式尺寸 |
侧面接管A |
底面接管B |
||||||||||||||||||||||||||||||||||||||||||||||||
|
|
||||||||||||||||||||||||||||||||||||||||||||||||||
|
|
M型集装式 mm
E型集装式 mm
|
|||||||||||||||||||||||||||||||||||||||||||||||||
|
10mm电控换向阀,M型集装式、E型集装式尺寸 |
侧面接管A |
底面接管B |
||||||||||||||||||||||||||||||||||||||||||||||||
|
|
||||||||||||||||||||||||||||||||||||||||||||||||||
|
|
mm
|
|||||||||||||||||||||||||||||||||||||||||||||||||
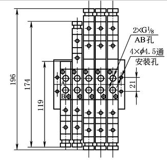
|
15mm电控换向阀,M型集装式、E型集装式尺寸 |
|
|
||||||||||||||||||||||||||||||||||||||||||||||||
|
|
||||||||||||||||||||||||||||||||||||||||||||||||||
|
|
mm
|
|||||||||||||||||||||||||||||||||||||||||||||||||
|
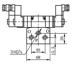
主要技术参数 |
公称通径/mm |
3 |
6 |
8 |
10 |
15 |
20 |
25 |
||||||||||||||||||||||||||||||||||||||||||
|
工作压力范围/bar |
二位阀 |
1.5~8 |
||||||||||||||||||||||||||||||||||||||||||||||||
|
三位阀 |
2.5~8 |
|||||||||||||||||||||||||||||||||||||||||||||||||
|
使用温度范围/℃ |
-10~+55(但在不冻结条件下) |
|||||||||||||||||||||||||||||||||||||||||||||||||
|
有效截面积/mm2 |
二位阀 |
≥3 |
≥10 |
≥20 |
≥40 |
≥60 |
≥110 |
≥190 |
||||||||||||||||||||||||||||||||||||||||||
|
三位阀 |
≥3 |
≥5 |
≥10 |
≥20 |
≥40 |
≥60 |
≥110 |
|||||||||||||||||||||||||||||||||||||||||||
|
工作电压/V |
AC:220,50Hz;DC:24 |
|||||||||||||||||||||||||||||||||||||||||||||||||
|
允许电压波动/% |
-15~+10 |
|||||||||||||||||||||||||||||||||||||||||||||||||
|
换向时间/s |
≤0.03 |
≤0.04 |
≤0.06 |
≤0.10 |
||||||||||||||||||||||||||||||||||||||||||||||
|
工作介质 |
经过滤的压缩空气,可有油或无给油润滑 |
|||||||||||||||||||||||||||||||||||||||||||||||||
|
消耗功率/W |
|
3 |
AC:9,DC:7 |
|||||||||||||||||||||||||||||||||||||||||||||||
|
表2 符合QDC阀尺寸的国内气动厂商 |
||||||
|
厂商 |
型号 |
公称通径/mm |
气接口尺寸 |
压力/温度范围 |
电压/V |
基本型式 |
|
方大 Fangda |
Q25DC |
3、6、8、10、15、20、25 |
M5、Rc½ |
1.5~8bar;-10~+55℃ |
DC:24;AC:220 |
单电控、双电控 |
|
Q35DC |
3、6、8、10、15、20、25 |
M5、Rc½ |
2.5~8bar;-10~+55℃ |
DC:24;AC:220 |
单电控、双电控 |
|
|
华能 Huaneng |
SR530 |
4.5、4 |
M5、Rc1/8 |
单电控:1.5~7bar,双电控:1~7bar,三位五通:1.5~7bar;0~+50℃ |
DC:12、24;AC:110、220 |
单电控、双电控 |
|
SR540 |
9、10 |
Rc1/8、Rc¼ |
单电控:1.5~7bar,双电控:1~7bar,三位五通:1.5~7bar;0~+50℃ |
DC:12、24;AC:110、220 |
单电控、双电控 |
|
|
SR550 |
13、15 |
Rc1/8、Rc¼ |
单电控:1.5~9bar,双电控:1~9bar,三位五通:2~9bar;0~+50℃ |
DC:12、24;AC:110、220 |
单电控、双电控 |
|
|
SR551 |
18、20 |
Rc¼、Rc3/8 |
单电控:1.5~9bar,双电控:1~9bar,三位五通:2~9bar;0~+50℃ |
DC:12、24;AC:110、220 |
单电控、双电控 |
|
|
SR561 |
30、35、40 |
Rc3/8、Rc½ |
单电控:1.5~9bar,双电控:1~9bar,三位五通:2~9bar;0~+50℃ |
DC:12、24;AC:110、220 |
单电控、双电控 |
|
|
注:以上公司均以开头字母顺序排列。 |
||||||





























































