|
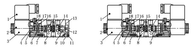
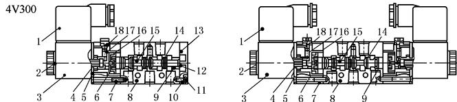
国内常见的二位五通、三位五通电磁阀 |
||||||
|
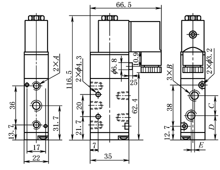
目前国内众多的气动制造厂商都生产二位五通单电控、双电控及三位五通阀。下表1以亚德客4V系列产品为例,表中列出了结构及尺寸参数、主要技术参数,生产厂商见下表2(表中列出的是在板接连接界面上尺寸相同的气动厂商)。板接连接尺寸相同是指阀安装在集成气路板上时,在气源口中心线附近两个对称穿孔,如3V110-M5中的2×f 3.3。还有许多气动厂商生产二位五通阀的连接尺寸与表1中给出的并不一致,如方大Fangda、华能Huaneng等。详细的技术资料可查询各厂商的网址(见表二位二通角座阀中表2)。两位五通的气控阀,如4A100、4A200、4A300、4A400等,连接尺寸与电磁阀相同,只是取消电磁线圈部分,这里不作叙述,尺寸均与下列图相同 表1 |
||||||
|
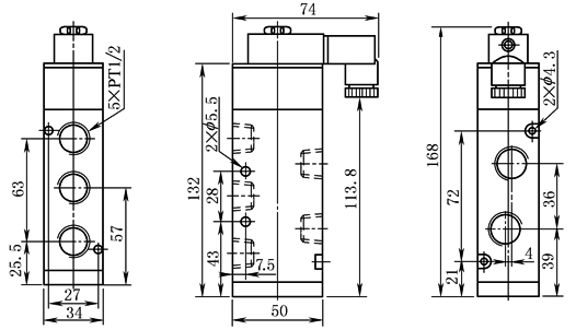
主 要 结 构 及 尺 寸 参 数 |
|
|||||
|
|
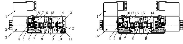
1—端子;2—固定螺母;3—线圈;4—可动铁; 5—固定铁片;6—活塞;7—引导本体;8—本体; 9—耐磨环;10—底盖;11—螺钉;12,17,20—弹簧; 13—止泄垫;14—O令;15—轴芯;16—异型O 令;18—手动销;19,22—弹簧座;21—侧盖 |
|||||
|
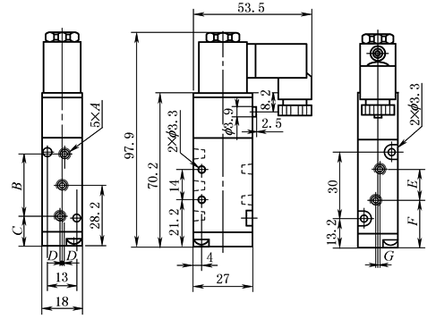
4V110
|
mm |
|||||
|
尺寸/型号 |
4V110-M5 |
4V110-06 |
||||
|
A |
M5×0.8 |
PT1/8 |
||||
|
B |
27 |
28 |
||||
|
C |
14.7 |
14.2 |
||||
|
D |
0 |
1 |
||||
|
E |
14 |
16 |
||||
|
F |
21.2 |
20.2 |
||||
|
G |
0 |
3 |
||||
|
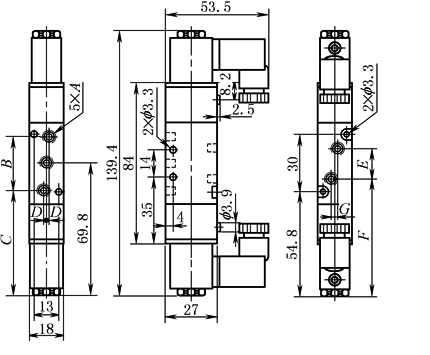
4V120
|
mm |
|||||
|
尺寸/型号 |
4V120-M5 |
4V120-06 |
||||
|
A |
M5×0.8 |
PT1/8 |
||||
|
B |
27 |
28 |
||||
|
C |
56.2 |
55.7 |
||||
|
D |
0 |
1 |
||||
|
E |
14 |
16 |
||||
|
F |
62.7 |
61.7 |
||||
|
G |
0 |
3 |
||||
|
4V130
|
mm |
|||||
|
尺寸/型号 |
4V130-M5 |
4V130-06 |
||||
|
A |
M5×0.8 |
PT1/8 |
||||
|
B |
27 |
28 |
||||
|
C |
63.8 |
63.3 |
||||
|
D |
0 |
1 |
||||
|
E |
14 |
16 |
||||
|
F |
70.3 |
69.3 |
||||
|
G |
0 |
3 |
||||
|
4V200
|
||||||
|
|
1—端子;2—固定螺母;3—线圈;4—可动铁; 5—固定铁片;6—活塞;7—引导本体;8—本体; 9—耐磨环;10—底盖;11—螺钉;12,17,20—弹簧; 13—止泄垫;14—O令;15—轴芯;16—异型O 令;18—手动销;19,22—弹簧座;21—侧盖 |
|||||
|
4V210
|
mm |
|||||
|
尺寸/型号 |
4V210-06 |
4V210-08 |
||||
|
A |
PT1/8 |
PT1/8 |
||||
|
B |
PT1/8 |
PT¼ |
||||
|
C |
18 |
21 |
||||
|
D |
22.7 |
21.2 |
||||
|
E |
0 |
3 |
||||
|
|
mm |
|||||
|
尺寸/型号 |
4V220-06 |
4V220-08 |
||||
|
A |
PT1/8 |
PT1/8 |
||||
|
B |
PT1/8 |
PT¼ |
||||
|
C |
18 |
21 |
||||
|
D |
76 |
74.5 |
||||
|
E |
0 |
3 |
||||
|
|
mm |
|||||
|
尺寸/型号 |
4V230-06 |
4V230-08 |
||||
|
A |
PT1/8 |
PT1/8 |
||||
|
B |
PT1/8 |
PT¼ |
||||
|
C |
18 |
21 |
||||
|
D |
95 |
93.5 |
||||
|
E |
0 |
3 |
||||
|
|
||||||
|
|
1—端子;2—固定螺母;3—线圈;4—可动铁; 5—固定铁片;6—活塞;7—引导本体;8—本体; 9—耐磨环;10—底盖;11—螺钉;12,17,20—弹簧; 13—止泄垫;14—O令;15—轴芯;16—异型O 令;18—手动销;19,22—弹簧座;21—侧盖 |
|||||
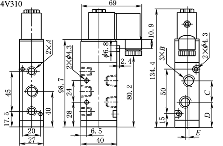
|
|
mm |
|||||
|
尺寸/型号 |
4V310-08 |
4V310-10 |
||||
|
A |
PT¼ |
PT¼ |
||||
|
B |
PT¼ |
PT3/8 |
||||
|
C |
22 |
24 |
||||
|
D |
29 |
28 |
||||
|
E |
0 |
4 |
||||
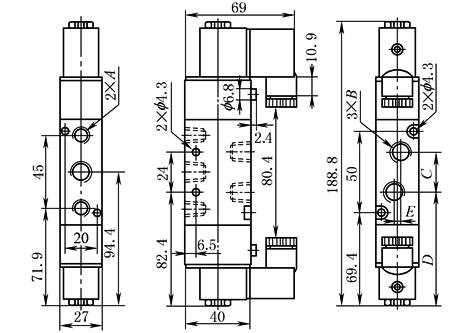
|
4V320
|
mm |
|||||
|
尺寸/型号 |
4V320-08 |
4V320-10 |
||||
|
A |
PT¼ |
PT¼ |
||||
|
B |
PT¼ |
PT3/8 |
||||
|
C |
22 |
24 |
||||
|
D |
83.4 |
82.4 |
||||
|
E |
0 |
4 |
||||
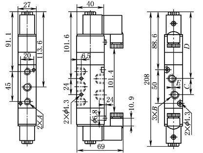
|
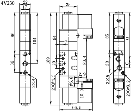
4V330
|
mm |
|||||
|
尺寸/型号 |
4V330-08 |
4V330-10 |
||||
|
A |
PT¼ |
PT¼ |
||||
|
B |
PT¼ |
PT3/8 |
||||
|
C |
22 |
24 |
||||
|
D |
102.6 |
101.6 |
||||
|
E |
0 |
4 |
||||
|
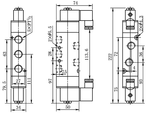
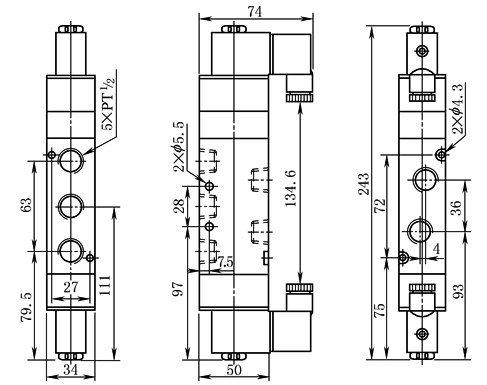
4V400
|
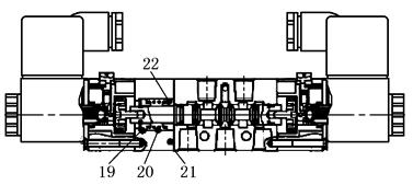
1—端子;2—固定螺母;3—线圈;4—可动铁; 5—固定铁片;6—活塞;7—引导本体;8—本体; 9—底盖;10—螺钉;11—止泄垫;12,16—弹簧; 13—O令;14—轴芯;15—异型O令;17—手动销; 18—侧盖;19—弹簧座;20—复归弹簧4V410 |
|||||
|
4V410
|
||||||
|
4V420
|
||||||
|
4V430
|
||||||
|
主 要 技 术 参 数 |
项目/型号 |
4V110-M5 |
4V120-M5 |
4V130C-M5 |
4V130E-M5 |
4V130P-M5 |
4Vl10-06 |
4V120-06 |
4V130C-06 |
4V130E-06 |
4V130P-06 |
||
|
工作介质 |
空气(经40μm滤网过滤) |
||||||||||||
|
动作方式 |
内部先导式 |
||||||||||||
|
位置数 |
五口二位 |
五口三位 |
五口二位 |
五口三位 |
|||||||||
|
有效截面积/mm2 |
5.5(Cv=0.31) |
5(Cv=0.28) |
12(Cv=0.67) |
9(Cv=0.50) |
|||||||||
|
接管口径 |
进气=出气=排气=M5 |
进气=出气=排气=PT1/8 |
|||||||||||
|
润滑 |
不需要 |
||||||||||||
|
使用压力/kgf·cm-2 |
1.5~8.0(21~114psi) |
||||||||||||
|
最大耐压力/kgf·cm-2 |
12(170.6psi) |
||||||||||||
|
工作温度/℃ |
-5~60(-41~140°F) |
||||||||||||
|
电压范围 |
±10% |
||||||||||||
|
耗电量 |
AC:3.0VA;DC:2.5W |
||||||||||||
|
绝缘性 |
F级 |
||||||||||||
|
保护等级 |
IP65(DIN40050) |
||||||||||||
|
接电型式 |
直接出线式或端子式 |
||||||||||||
|
最高动作频率 |
5次/秒 |
3次/秒 |
5次/秒 |
3次/秒 |
|||||||||
|
最短励磁时间/s |
0.05 |
||||||||||||
|
质量/g |
120 |
175 |
200 |
200 |
200 |
120 |
175 |
200 |
200 |
200 |
|||
|
项目/型号 |
4V210-06 |
4V220-06 |
4V230C-06 |
4V230E-06 |
4V230P-06 |
4V210-08 |
4V220-08 |
4V230C-08 |
4V230E-08 |
4V230P-08 |
|||
|
工作介质 |
空气(经40μm滤网过滤) |
||||||||||||
|
动作方式 |
内部先导式 |
||||||||||||
|
位置数 |
五口二位 |
五口三位 |
五口二位 |
五口三位 |
|||||||||
|
有效截面积/mm2 |
14(Cv=0.78) |
12(Cv=0.67) |
16(Cv=0.89) |
12(Cv=0.67) |
|||||||||
|
接管口径 |
进气=出气=排气=PT1/8 |
进气=出气=PT¼,排气=PT1/8 |
|||||||||||
|
润滑 |
不需要 |
||||||||||||
|
使用压力/MPa |
0.15~0.8(21~114psi) |
||||||||||||
|
最大耐压力/MPa |
1.2MPa(170psi) |
||||||||||||
|
工作温度/℃ |
-5~60(23~140°F) |
||||||||||||
|
电压范围 |
-15%~+10% |
||||||||||||
|
耗电量 |
AC:220V,2.0VA;AC:110V,2.5VA;AC:24V,3.5VA;DC:24V,3.0W;DC:12V,2.5W |
||||||||||||
|
耐热等级 |
B级 |
||||||||||||
|
保护等级 |
IP65(DIN 40050) |
||||||||||||
|
接电型式 |
端子式 |
||||||||||||
|
最高动作频率 |
5次/秒 |
3次/秒 |
5次/秒 |
3次/秒 |
|||||||||
|
最短励磁时间/s |
0.05以下 |
||||||||||||
|
质量/g |
220 |
320 |
400 |
400 |
400 |
220 |
320 |
400 |
400 |
400 |
|||
|
项目/型号 |
4V410-15 |
4V420-15 |
4V430C-15 |
4C430E-15 |
4V430P-15 |
||||||||
|
工作介质 |
空气(经40μm滤网过滤) |
||||||||||||
|
动作方式 |
内部引导式 |
||||||||||||
|
位置数 |
五口二位 |
五口三位 |
|||||||||||
|
有效截面积/mm2 |
50(Cv=2.79) |
30(Cv=1.67) |
|||||||||||
|
接管口径 |
进气=出气=排气=PT½ |
||||||||||||
|
润滑 |
不需要 |
||||||||||||
|
使用压力/kgf·cm-2 |
1.5~8.0(21~114psi) |
||||||||||||
|
最大耐压力/kgf·cm-2 |
12(170.6psi) |
||||||||||||
|
工作温度/℃ |
-5~60(-41~140°F) |
||||||||||||
|
电压范围 |
-15%~+10% |
||||||||||||
|
耗电量 |
AC:380V,2.5VA;AC:220V,2.0VA;AC:110V,2.5VA;AC:24V,3.5VA;DC:24V,3.0W;DC:12V,2.5W |
||||||||||||
|
绝缘性 |
F级 |
||||||||||||
|
保护等级 |
IP65(DIN 40050) |
||||||||||||
|
接电型式 |
端子式 |
||||||||||||
|
最高动作频率 |
3次/秒 |
||||||||||||
|
最短励磁时间/s |
0.05 |
||||||||||||
|
质量/g |
590 |
770 |
770 |
770 |
770 |
||||||||
|
表2 符合4V阀尺寸的国内气动厂商 |
||||||
|
厂商 |
型号 |
公称通径 |
气接口尺寸 |
压力/温度范围 |
电压/功耗 |
基本型式 |
|
亚德客 Airtac |
4V100 |
5.5、5、12、9 |
M5、1/8 |
1.5~8bar; -5~+60℃ |
DC:2.5W;AC:3.0VA |
内部先导式 |
|
4V200 |
12、14、16 |
1/8、¼ |
1.5~8bar; -5~+60℃ |
DC:12V、24V;AC:24V、110V,220V |
内部先导式 |
|
|
4V300 |
18、25、30 |
¼、3/8 |
1.5~8bar; -5~+60℃ |
DC:12V、24V;AC:24V、110V、220V |
内部先导式 |
|
|
4V400 |
30、50 |
½ |
1.5~8bar; -5~+60℃ |
DC:12V、24V;AC:24V、110V、220V |
内部先导式 |
|
|
亿日 Easun |
4V2 |
12、14、16 |
1/8、¼ |
1.5~9bar; 5~+60℃ |
DC:3.0W;AC:4.0V·A |
内部先导式 |
|
4V3 |
18、25、30 |
¼、3/8 |
1.5~9bar; 5~+60℃ |
DC:3.0W;AC:4.0V·A |
内部先导式 |
|
|
法斯特 Fast |
4V系列 |
10、14、25、50 |
1/8~½ |
1.7~7bar; 5~+50℃ |
DC:12V、24V;AC:24V/50~60Hz、110V/50~60Hz、220V/50~60Hz、380V/50~60Hz |
内部先导式 |
|
佳尔灵 Jiaerling |
4V系列 |
有效截面积(mm2):12、16、30、50 |
M5;G1/8、G¼、G3/8、G½ |
1.5~8bar; 5~+50℃ |
DC:12V、24V; AC:24V/50~60Hz、110V/50~60Hz、220V/50~60Hz、380V/50~60Hz |
单电控、双电控、三位五通 |
|
天工 STNC |
TG2500系列 |
6、8、10、15 |
G1/8、G¼、G3/8、G½ |
1.5~8bar; -5~+50℃ |
DC:24V;AC:110V、220V |
内部先导式 |
|
新益 Xinvi |
XC4V系列 |
有效截面积(mm2):12、17.1、40、64.8 |
G1/8、G¼、G3/8、G½ |
单电控:1.5~10bar:双电控:1~10bar、5~+50℃ |
DC:24V;AC:36V/50Hz、110V/50Hz、220V/50Hz |
内部先导式 |



















