|
国内常见的二位三通电磁阀 |
||||||||||
|
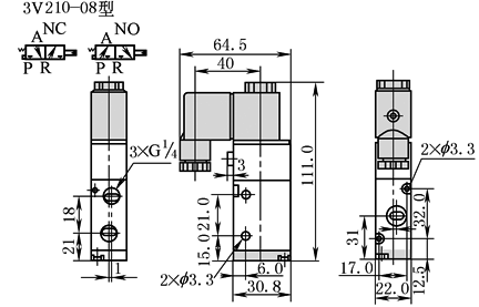
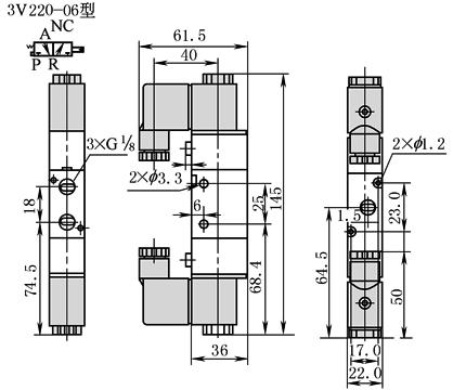
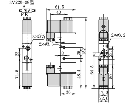
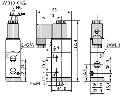
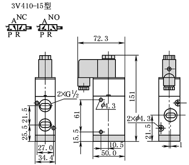
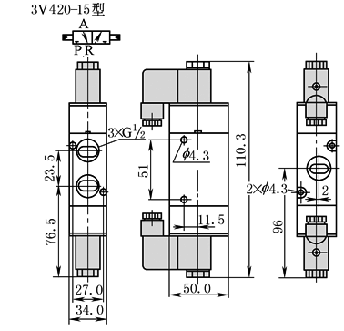
国内许多气动厂商都生产二位三通电磁阀,下表1以佳尔灵、天工二位三通阀为例列出了尺寸参数,下表2列出了符合3V阀尺寸的国内气动厂商,这些阀的安装连接尺寸几乎是一致的(阀安装在集成气路板上时,在气源口中心线附近两个对称穿孔如3V110-M5中的2×f 3.3)。一些气动厂商生产二位三通的连接尺寸并不一致,如方大Fangda、法斯特Fast、恒立Hengli、华能Huaneng、新益Xinyi等。这些二位三通均有同系列的气控阀,如3A110、3A210、3A310等,连接尺寸与电磁阀相同,只是取消电磁线圈部分,这里不作叙述。详细的技术资料请登录各厂商的网址查询(见表二位二通角座阀中表2) 表1 |
||||||||||
|
尺
寸
参
数 |
|
|
||||||||
|
|
|
|||||||||
|
|
|
|||||||||
|
|
|
|||||||||
|
|
|
|||||||||
|
|
|
|||||||||
|
|
|
|||||||||
|
主要技术参数 |
型号 |
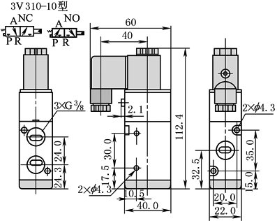
3V310-08 |
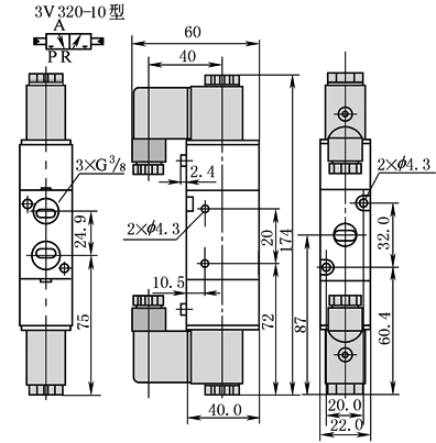
3V320-08 |
3A310-08 |
3A320-08 |
3V310-10 |
3V320-10 |
3A310-10 |
3A320-10 |
|
|
位置数 |
二位三通 |
二位三通 |
||||||||
|
有效截面积/mm2 |
25(Cv=1.40) |
30(Cv=1.68) |
||||||||
|
接管口径 |
进气=出气=排气=G¼ |
进气=出气=G3/8,排气=G¼ |
||||||||
|
工作介质 |
经40μm过滤的空气 |
|||||||||
|
动作方式 |
内部先导式 |
|||||||||
|
使用压力/MPa |
0.15~0.8 |
|||||||||
|
最大耐压力/MPa |
1.2 |
|||||||||
|
工作温度/℃ |
5~50 |
|||||||||
|
电压范围 |
±10% |
|||||||||
|
耗电量 |
AC:5.5V·A;DC:4.8W |
|||||||||
|
绝缘性及防护等级 |
F级,IP65 |
|||||||||
|
接线形式 |
出线式或端子式 |
|||||||||
|
最高动作频率 |
5次/秒 |
|||||||||
|
最短励磁时间/s |
0.05 |
|||||||||
|
表2 符合3V阀尺寸的国内气动厂商 |
|||||||
|
厂商 |
型号 |
公称通径 |
气接口 尺寸 |
压力/温 度范围 |
电压/V |
基本型式 |
备注 |
|
亚德客 Airtac |
3V1、3V100、 3V200、3V300 |
|
M5、3/8 |
0~8bar; -5~+60℃ |
DC:12,24; AC:24,110,220,380 |
|
3V210、220的板接安装连接尺寸为30/17 |
|
亿日 Easun |
3V2、3V3 |
14、16、25、30 |
1/8、3/8 |
1.5~9bar; -10~+60℃ |
DC:12,24; AC:24,110,220,380 |
单电控、 双电控 |
3V210、220及3V310、330的板接安装连接尺寸分别为22/17、31/20 |
|
佳尔灵 Jiaerling |
3V100、3V200、 3V300、3V400 |
|
M5、1/2 |
|
DC:12,24; AC:24,110,220,380 |
单电控、双 电控、气 控阀 |
|
|
天工 SNTC |
TG23系列 |
|
|
|
|
|
|
|
注:以上公司均以开头字母顺序排列。 |
|||||||














