|
人力控制阀 |
|||||||||||
|
面板操作阀 |
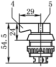
按钮开关 |
蘑菇式按钮开关 |
带锁定装置的蘑菇式按钮开关 |
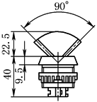
选择开关 |
拨动开关 |
钥匙开关 |
|||||
|
|
|
|
|
4=关 5=开 |
转动蘑菇式按钮上的锁定环即可开锁 |
按下按钮后,按钮被锁住,只能用钥匙打开,在两个开关位置都可以拔出钥匙 锁定开关只能用钥匙操作,在两个开关位置都可以拔出钥匙 |
|||||
|
可锁定 |
|||||||||||
|
二位三通手压式操作阀 |
(a) |
|
|||||||||
|
手压式操作阀操作简便,压下手柄便有工作压力输出,松开手柄即复位,无工作压力输出,手柄无记忆功能。根据各制造厂商的产品规格、参数不同,查得其操作力为24N,流量600L/min,材质为压铸铝合金 |
|||||||||||
|
二位三通旋转式手动操作阀 |
旋转式手动操作阀操作简便,旋转手柄便有工作压力输出,可停在旋转后的位置(有记忆功能),并能清楚辨别该阀实际位置。根据各制造厂商的产品规格、参数不同,查得其操作力为22N,流量600L/min,材质为压铸铝合金 |
|
|||||||||
|
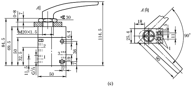
三位四通手柄操作阀 |
三位四通手柄操作阀以改变气路方向及直接控制驱动气缸为目标,它有中封式、中泄式。当气缸活塞运行速度较慢时,利用中封式三位四通手柄操作阀可使气缸做暂停动作,也可利用中泄式三位四通手柄操作阀使气缸处于排气状态,气缸活塞可做自由移动。旋转手柄后可停在旋转后的位置(有记忆功能),并能清楚辨别该阀实际位置。根据各制造厂商的产品规格、参数不同,查得其中一些规格的操作力12~26N,流量130~3500L/min,小规格阀的材质为工程塑料、大规格的为压铸铝合金 |
||||||||||
|
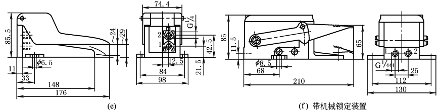
脚踏阀 |
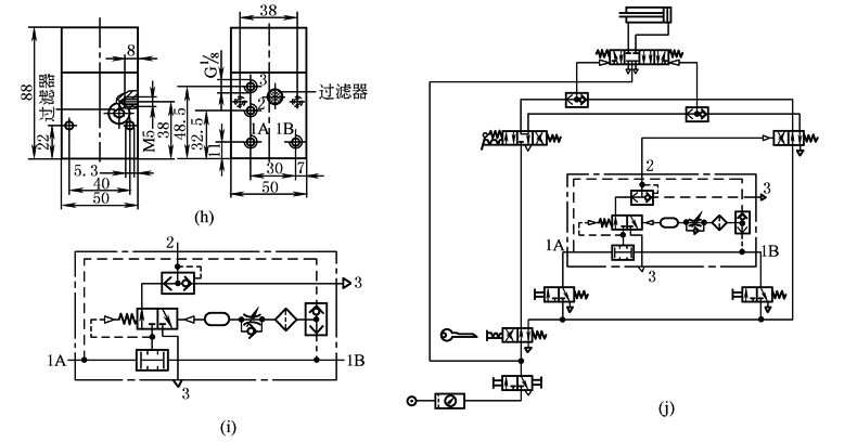
1—进气口;2—工作口
脚踏阀是用脚操作,不影响人的双手操作,在半自动流水线上应用也较广泛。图e为无记忆功能的脚踏阀,当脚踩下踏板后,阀被切换,脚一离开踏板,阀即刻恢复原状无输出压力。图f为带记忆功能的脚踏阀,当脚踩一下踏板后,阀就被切换,脚踏阀内的机械锁紧装置将其锁定,即使脚已离开踏板,脚踏阀仍保持有输出压力,只有再次驱动脚踏板后,阀才能恢复原始位置。为了防止被人误踩,应配有保护罩壳。根据各制造厂商的产品规格和参数不同,查得其中一些规格的操作力:无记忆功能的为52N,带记忆功能的为69N。流量600L/min,材质为压铸铝合金 |
||||||||||
|
手拉阀 |
1A,1B—进气口; 2—工作口或输出口; 3—排气口 |
|
|||||||||
|
气动双手启动模块 |
气动双手启动模块用于手动操作可能对操作者有危险的场合(如启动气缸时),或其他要求启动时操作者双手不接触危险区的设备。只有通过两个二位三通手动操作阀同步向两个输入口P1与P2(0.2~0.5s内)输入压力,输出口A才有连续输出信号,需要说明的是超过0.5s气动双手启动模块便失效,以确保安全。当关闭一个或两个按钮阀,输出口的流量立即中断,与A口相连接的气缸或阀复位。气动双手启动模块工作原理如图i所示,1A、1B分别接的是两个二位三通手动操作阀输出工作口,无论对1A信号还是1B信号而言,它们都一端接双压阀(与门逻辑元件),一端接梭阀(或门逻辑元件),然后把双压阀的输出信号、梭阀的输出信号再与二位三通差压阀进行一次与的逻辑运算,双压阀的压力输出分二路,一路作二位三通差压阀的工作气源,另一路作二位三通差压阀的控制信号,直接接入二位三通差压阀的左端。而梭阀的压力输出需通过单向节流阀及气容装置(即延时功能0.2~0.5s)再到达二位三通差压阀的右端,问题的关键是当梭阀的压力输出还未到达二位三通差压阀的右端时,二位三通差压阀已通过与的运算,于是信号压力通过快排阀及口2给出一个正常工作的压力信号。如果双手不同步,则梭门的信号经过0.2~0.5s先到达二位三通差压阀右端控制口,二位三通差压阀与快排阀处于断路状态,确保安全启动要求。符合EU机械标准89/392/EU,Appendix 4和CE认证。符合EN 954标准1类(仅与压力顺序阀,例如VD-3-PK-3连接),符合EN574标准Ⅲ型。气动双手启动模块在双手操作气路图中的实例见图j |
||||||||||













