|
机控阀的组成、分类和工作原理 |
|||
|
组成、分类 |
机控阀是靠机械外力驱动使阀芯切换,由主阀体与机械操作机构两大部件组成。按主阀体切换位置功能可分为二位二通、二位三通、二位四通,按主阀体气路通路状态可分常通型(常开型)、常断型(常闭型),按主阀体切换工作原理可分为直动式、先导式。按机械操作机构可分为直动式、滚轮式、杠杆滚轮式、单向杠杆滚轮式(有些气动厂商亦称可通过式,返回时阀不切换)、旋转杠杆式(有些气动厂商亦称可调杠杆滚轮式)、弹簧触须式(有些气动厂商亦称可调杆式) |
||
|
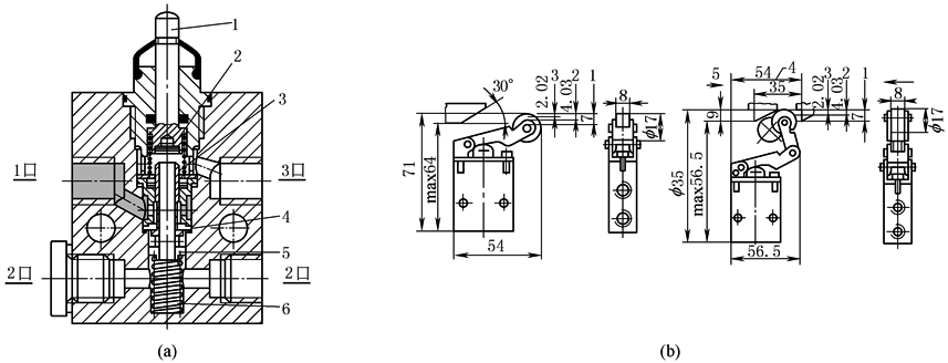
直动式二位三通机控阀 |
直动式二位三通主阀体原理见图a,机械操作机构外形尺寸参数见图b |
||
|
|
|||
|
1—驱动杆;2—驱动杆密封;3—阀芯杆; 4—阀芯杆密封;5—弹簧座;6—弹簧 |
1—起始开度;2—最大开度;3—最大行程; 4—最小驱动行程;5—驱动方向 |
||
|
直动式二位三通主阀体原理:该主阀体为截止式结构,当驱动杆受外力作用后向下移动,驱动杆上密封件封死空芯的阀芯杆,并推动空芯的阀芯杆克服弹簧力向下位移,此时,被空芯阀芯杆密封件封死的阀口被打开,工作气口1与输出气口2导通,原来输出气口2通过空芯的阀芯杆内腔向排气口3的通道被驱动杆上密封件封死。当外力去除后,弹簧复位力推动阀芯座并使阀芯杆往上移动,空芯阀芯杆密封件封死的阀口,工作气口1与输出气口2被封死,输出气口2通过空芯的阀芯杆内腔向排气口3排出。左面输出气口2根据需要可用堵头封塞,也可改为右面封死 小型直动式二位三通机控阀可有M5、G1/8接口,流量为80L/min,130L/min,阀体有工程塑料或压铸锌合金材质 |
|||
|
先导式二位三通机控阀 |
|
1—先导室膜片; 2—先导活塞; 3—滚轮; 4—先导阀杆; 5—密封垫; 6—弹簧; 7—先导气路通道 |
|
|
图c是先导式二位三通常闭型机控阀的工作原理示意图,该阀的工作原理与直动式二位三通不同的部分见图d先导阀部分,当滚轮未被压下时,来自先导气源通道的压缩空气(来自于工作气源口1),在弹簧力的作用下,由密封垫把阀口封死,当滚轮被压下时,先导阀杆下移,推开密封垫,先导气源通道的压缩空气与先导室导通,压缩空气作用在先导室膜片产生大的推力推动先导活塞,先导活塞下移。先导活塞的密封件封死主阀阀芯的中间通孔(关闭输出口2与排气口3的通路见图c),并使主阀阀芯克服弹簧力后继续下移,被空心阀芯杆密封件封死的阀口被打开,气源工作口1与输出口2导通。先导式二位三通机控阀可使机械控制滚轮的驱动力在6bar时仅1.8N,该阀流量为120L/min |
|||
|
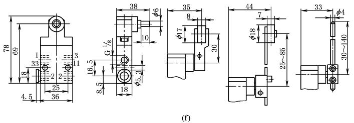
旋转杠杆式机控阀 |
旋转杠杆式机控阀由主阀体与机械操作机构两大部件组成,见图e。它的机械驱动部件根据需要可配置杠杆型(有些气动厂商亦称可调杆式)、长臂型、短臂型(图f)。短臂型驱动力为7N,长臂型、杠杆型驱动力低于7N(根据调整后长度,驱动力会有不同),主阀体上转动控制头可调整驱动范围(见图g) |
||
|
弹簧触须式机控阀 |
弹簧触须式机控阀见图h,采用先导控制方式,只需要很小的驱动力,特别适合于控制对象在不同轴向位置或不在一个平面上的场合。该阀可以在任何与弹簧触须轴向垂直的方向上驱动。它的驱动力见图i 例:当与弹簧根部距离30mm、在切换行程为54mm时,其切换力为0.57N。在扫过行程为88mm时,其扫过力为0.75N |
||





