|
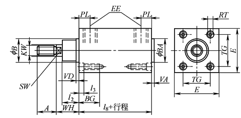
ISO 15552标准普通型气缸(f 32~320mm) |
||||||||||||||||||||
|
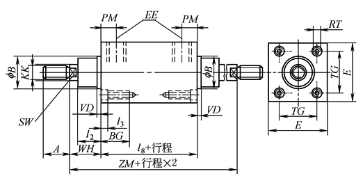
ISO15552标准普通型气缸(f 32~320mm)的最早前身是ISO 6431标准(1983年),由于ISO 6431标准不能满足工业界对其互换性的要求,于是在ISO6431标准基础上再增加了对TG、f B、WH和l8、RT等尺寸的一致性规定,开始形成VDMA 24562标准(1992年),直至2004年正式颁布ISO 15552标准。新颁发的ISO 15552标准普通型气缸增加了双出杆(气缸两端均有伸出活塞杆)尺寸的规定。新补充的规定尺寸也是应用最广、最重要的互换性尺寸,如TG尺寸:通过TG尺寸可直接固定气缸或固定连接辅件(前法兰、后法兰、气缸导向装置、单耳环连接件、双耳环连接件等)。f B尺寸可使气缸在作固定时能方便定中心。新增加WH和l8尺寸的规定,实质上是把该气缸的总长作了统一的规定(ISO 6431标准已对A长度作了规定)。因此ISO 15552标准在连接界面上的尺寸互换性几乎是百分之百 |
||||||||||||||||||||
|
ISO 15552标准普通型气缸基本尺寸(f 32~320mm)mm |
||||||||||||||||||||
|
单 出 杆 型 气 缸 |
|
|||||||||||||||||||
|
缸径 |
|
B BA d11 |
BG min |
E max |
KK(依据 ISO 4395) |
l2 |
l3 max |
l8 |
PL min |
RT |
SW |
TG |
|
VD min |
WH |
|||||
|
nom |
tol |
nom |
tol |
nom |
tol |
nom |
tol |
|||||||||||||
|
32 |
22 |
30 |
16 |
50 |
M10×1.25 |
20 |
0 -5 |
5 |
94 |
±0.4 |
13 |
M6 |
10 |
32.5 |
±0.5 |
4 |
4 |
26 |
±1.4 |
|
|
40 |
24 |
35 |
16 |
58 |
M12×1.25 |
22 |
5 |
105 |
±0.7 |
14 |
M6 |
13 |
38 |
±0.5 |
4 |
4 |
30 |
±1.4 |
||
|
50 |
32 |
40 |
16 |
70 |
M16×1.5 |
29 |
5 |
106 |
±0.7 |
14 |
M8 |
17 |
46.5 |
±0.6 |
4 |
4 |
37 |
±1.4 |
||
|
63 |
32 |
45 |
16 |
85 |
M16×1.5 |
29 |
5 |
121 |
±0.8 |
16 |
M8 |
17 |
56.5 |
±0.7 |
4 |
4 |
37 |
±1.8 |
||
|
80 |
40 |
45 |
17 |
105 |
M20×1.5 |
35 |
0 |
128 |
±0.8 |
16 |
M10 |
22 |
72 |
±0.7 |
4 |
4 |
46 |
±1.8 |
||
|
100 |
40 |
55 |
17 |
130 |
M20×1.5 |
38 |
0 |
138 |
±1 |
18 |
M10 |
22 |
89 |
±0.7 |
4 |
4 |
51 |
±1.8 |
||
|
125 |
54 |
60 |
20 |
157 |
M27×2 |
50 |
0 -10 |
0 |
160 |
±1 |
18 |
M12 |
27 |
110 |
±1.1 |
6 |
6 |
65 |
±2.2 |
|
|
160 |
72 |
55 |
24 |
195 |
M36×2 |
60 |
0 |
180 |
±1.1 |
25 |
M16 |
36 |
140 |
±1.1 |
6 |
6 |
80 |
±2.2 |
||
|
200 |
72 |
75 |
24 |
238 |
M36×2 |
70 |
0 -15 |
0 |
180 |
±1.6 |
25 |
M16 |
36 |
175 |
±1.1 |
6 |
6 |
95 |
±2.2 |
|
|
250 |
84 |
90 |
25 |
290 |
M42×2 |
80 |
0 |
200 |
±1.6 |
31 |
M20 |
46 |
220 |
±1.5 |
10 |
10 |
105 |
±2.2 |
||
|
320 |
96 |
110 |
28 |
353 |
M48×2 |
90 |
0 |
220 |
±2.2 |
31 |
M24 |
55 |
270 |
±1.5 |
10 |
10 |
120 |
±2.2 |
||
|
双 出 杆 型 气 缸 |
|
||||||||||||||||||||
|
缸径 |
|
B d11 |
BG min |
E max |
KK(依据 ISO 4395) |
l2 |
l3 max |
l8 |
PM min |
RT |
SW |
TG |
VD min |
WH |
ZM |
||||||
|
nom |
tol |
nom |
tol |
nom |
tol |
nom |
tol |
nom |
tol |
||||||||||||
|
32 |
22 |
30 |
16 |
50 |
M10×1.25 |
20 |
0 -5 |
5 |
94 |
±0.4 |
13 |
M6 |
10 |
32.6 |
±0.5 |
4 |
26 |
±1.4 |
146 |
|
|
|
40 |
24 |
35 |
16 |
58 |
M12×1.25 |
22 |
5 |
105 |
±0.7 |
14 |
M6 |
13 |
38 |
±0.5 |
4 |
30 |
±1.4 |
165 |
|||
|
50 |
32 |
40 |
16 |
70 |
M16×1.5 |
29 |
5 |
106 |
±0.7 |
14 |
M8 |
17 |
46.5 |
±0.6 |
4 |
37 |
±1.4 |
180 |
|||
|
63 |
32 |
45 |
16 |
85 |
M16×1.5 |
29 |
5 |
121 |
±0.8 |
16 |
M8 |
17 |
56.5 |
±0.7 |
4 |
37 |
±1.8 |
195 |
|||
|
80 |
40 |
45 |
17 |
105 |
M20×1.5 |
35 |
0 |
128 |
±0.8 |
16 |
M10 |
22 |
72 |
±0.7 |
4 |
46 |
±1.8 |
220 |
|||
|
100 |
40 |
55 |
17 |
130 |
M20×1.5 |
38 |
0 |
138 |
±1 |
18 |
M10 |
27 |
89 |
±0.7 |
4 |
51 |
±1.8 |
240 |
|
||
|
125 |
54 |
60 |
20 |
157 |
M27×2 |
50 |
0 -10 |
0 |
160 |
±1 |
18 |
M12 |
27 |
110 |
±1.1 |
6 |
65 |
±2.2 |
290 |
||
|
160 |
72 |
65 |
24 |
195 |
M36×2 |
60 |
0 |
180 |
±1.1 |
25 |
M16 |
36 |
140 |
±L1 |
6 |
80 |
±2.2 |
340 |
|||
|
200 |
72 |
75 |
24 |
238 |
M36×2 |
70 |
0 -15 |
0 |
180 |
±1.6 |
25 |
M16 |
36 |
175 |
±1.1 |
6 |
95 |
±2.2 |
370 |
|
|
|
250 |
84 |
90 |
25 |
290 |
M42×2 |
80 |
0 |
200 |
±1.6 |
31 |
M20 |
46 |
220 |
±1.5 |
10 |
105 |
±2.2 |
410 |
|||
|
320 |
96 |
110 |
28 |
353 |
M48×2 |
90 |
0 |
220 |
±2.2 |
31 |
M24 |
55 |
270 |
±1.5 |
10 |
120 |
±2.2 |
460 |
|||
|
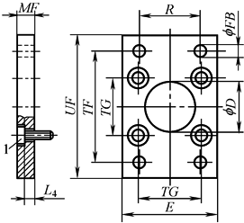
双 出 杆 型 气 缸 |
|
缸 径 |
D H11 |
FB H13 |
TG |
E max |
R JS14 |
MF JS14 |
TF JS14 |
UF max |
|
螺栓 尺寸 |
W |
ZF |
|||
|
nom |
tol |
nom |
tol |
nom |
tol |
||||||||||||
|
32 |
30 |
7 |
32.5 |
±0.2 |
50 |
32 |
10 |
64 |
86 |
5 |
M6×20 |
16 |
±1.6 |
130 |
±1.25 |
||
|
40 |
35 |
9 |
38 |
±0.2 |
58 |
36 |
10 |
72 |
96 |
5 |
M6×20 |
20 |
145 |
||||
|
50 |
40 |
9 |
46.5 |
±0.2 |
70 |
45 |
12 |
90 |
115 |
6.5 |
M8×20 |
25 |
155 |
||||
|
63 |
45 |
9 |
56.5 |
±0.2 |
85 |
50 |
12 |
100 |
130 |
6.5 |
M8×20 |
25 |
±2 |
170 |
±1.6 |
||
|
80 |
45 |
12 |
72 |
±0.2 |
105 |
63 |
16 |
126 |
165 |
9 |
M10×25 |
30 |
190 |
||||
|
100 |
55 |
14 |
89 |
±0.2 |
130 |
75 |
16 |
150 |
187 |
9 |
M10×25 |
35 |
205 |
||||
|
125 |
60 |
16 |
110 |
±0.3 |
157 |
90 |
20 |
180 |
224 |
10.5 |
M12×25 |
45 |
±25 |
245 |
±2 |
||
|
160 |
65 |
18 |
140 |
±0.3 |
195 |
115 |
20 |
230 |
280 |
9.5 |
M16×30 |
60 |
280 |
||||
|
200 |
75 |
22 |
175 |
±0.3 |
238 |
135 |
25 |
270 |
320 |
12.5 |
M16×30 |
70 |
300 |
||||
|
250 |
90 |
26 |
220 |
±0.3 |
290 |
165 |
25 |
330 |
395 |
10.5 |
M20×30 |
80 |
330 |
||||
|
320 |
110 |
33 |
270 |
±0.3 |
353 |
200 |
30 |
400 |
475 |
15 |
M24×40 |
90 |
370 |
±2.5 |
|||
|
|
|||||||||||||||||
|
双 出 杆 型 气 缸 |
|
缸径 |
E max |
UB h14 |
CB H14 |
TG |
FL ±0.2 |
L1 min |
L min |
L4 ±0.5 |
D H11 |
CD H9 |
MR max |
螺栓 尺寸 |
XD |
||
|
nom |
tol |
nom |
tol |
||||||||||||||
|
32 |
50 |
45 |
26 |
32.5 |
±0.2 |
22 |
4.5 |
12 |
5.5 |
30 |
10 |
1l |
M6×20 |
142 |
±1.25 |
||
|
40 |
58 |
52 |
28 |
38 |
25 |
4.5 |
15 |
5.5 |
35 |
12 |
13 |
M6×20 |
160 |
||||
|
50 |
70 |
60 |
32 |
46.5 |
27 |
4.5 |
15 |
6.5 |
40 |
12 |
13 |
M8×20 |
170 |
||||
|
63 |
85 |
70 |
40 |
56.5 |
32 |
4.5 |
20 |
6.5 |
45 |
16 |
17 |
M8×20 |
190 |
||||
|
80 |
105 |
90 |
50 |
72 |
36 |
4.5 |
20 |
10 |
46 |
16 |
17 |
M10×25 |
210 |
±1.6 |
|||
|
100 |
130 |
110 |
60 |
89 |
41 |
4.5 |
25 |
10 |
55 |
20 |
21 |
M10×25 |
230 |
||||
|
125 |
157 |
130 |
70 |
110 |
±0.3 |
50 |
7 |
30 |
10 |
60 |
25 |
26 |
M12×25 |
275 |
±2 |
||
|
160 |
195 |
170 |
90 |
140 |
55 |
7 |
35 |
10 |
65 |
30 |
31 |
M16×30 |
315 |
||||
|
200 |
238 |
170 |
90 |
175 |
60 |
7 |
35 |
11 |
75 |
30 |
31 |
M16×30 |
335 |
||||
|
250 |
290 |
200 |
110 |
220 |
70 |
11 |
45 |
11 |
90 |
40 |
41 |
M20×35 |
375 |
||||
|
320 |
353 |
220 |
120 |
270 |
80 |
11 |
50 |
15 |
110 |
45 |
46 |
M24×40 |
420 |
±2.5 |
|||
|
|
|||||||||||||||||





