|
ISO 15552标准气缸(f 32~125mm) |
||||||||||||||||||||||||||||||||||||
|
ISO 15552标准气缸外表型式有四拉杆及型材型式,目前型材气缸最大缸径为f 125mm,超过f 125mm均采用四拉杆型式。有些缸径(f 32~125mm)气缸外表看似型材型式,但缸筒和前后端盖的连接是采用四拉杆型式 |
||||||||||||||||||||||||||||||||||||
|
表1 ISO 15552标准气缸普通型气缸尺寸(f 32~125mm) mm |
||||||||||||||||||||||||||||||||||||
|
单
出
杆
型 |
|
|||||||||||||||||||||||||||||||||||
|
缸径 |
AM |
f B d11 |
BG |
E |
EE |
J2 |
J3 |
KK |
L1 |
L2 |
为了实现互换,ISO 15552气缸中的AM、KK、f B、TG、WH、ZJ、RT尺寸保持一致。此外,BG、VD为下限尺寸,E为上限尺寸 |
|||||||||||||||||||||||||
|
32 40 50 63 80 100 125 |
22 24 32 32 40 40 54 |
30 35 40 45 45 55 60 |
16 16 17 17 17 17 22 |
45 54 64 75 93 110 134 |
G1/8 G¼ G¼ G3/8 G3/8 G½ G½ |
6 8 10.4 12.4 12.5 12 13 |
5.2 6 8.5 10 8 10 8 |
M10×125 M12×125 M16×15 M16×15 M20×15 M20×15 M27×2 |
18 21.5 28 28.5 34.7 38.2 46 |
94 105 106 121 128 138 160 |
||||||||||||||||||||||||||
|
缸径 |
L7 |
f MM f8 |
PL |
RT |
TG |
VA |
VD |
WH |
ZJ |
C1 |
C2 |
C3 |
||||||||||||||||||||||||
|
32 40 50 63 80 100 125 |
3.3 3.6 5.1 6.6 10.5 8 14 |
12 16 20 20 25 25 32 |
15.6 14 14 17 16.4 18.8 18 |
M6 M6 M8 M8 M10 M10 M12 |
32.5 38 46.5 56.5 72 89 110 |
4 4 4 4 4 4 6 |
10 10.5 11.5 15 15.7 19.2 20.5 |
26 30 37 37 46 51 65 |
120 135 143 158 174 189 225 |
10 13 17 17 22 22 27 |
16 18 24 24 30 30 36 |
6 6 8 8 6 6 8 |
||||||||||||||||||||||||
|
双
出
杆
型 |
|
|||||||||||||||||||||||||||||||||||
|
缸径 |
AM |
B f d11 |
BG |
E |
EE |
J2 |
J3 |
KK |
L1 |
L2 |
ZM |
为了实现互换,ISO 15552气缸中的AM、KK、f B、TG、WH、ZM、RT尺寸保持一致。此外,BG、VD为下限尺寸,E为上限尺寸 |
||||||||||||||||||||||||
|
32 40 50 63 80 100 125 |
22 24 32 32 40 40 54 |
30 35 40 45 45 55 60 |
16 16 17 17 17 17 22 |
45 54 64 75 93 110 134 |
G1/8 G¼ G¼ G3/8 G3/8 G½ G½ |
6 8 10.4 12.4 12.5 12 13 |
5.2 6 8.5 10 8 10 8 |
M10×125 M12×125 M16×15 M16×15 M20×15 M20×15 M27×2 |
18 21.5 28 28.5 34.7 38.2 46 |
94 105 106 121 128 138 160 |
148 167 183 199 222 240 291 |
|||||||||||||||||||||||||
|
缸径 |
L7 |
MM f f8 |
PL |
RT |
TG |
VA |
VD |
WH |
ZJ |
|
|
|
||||||||||||||||||||||||
|
32 40 50 63 80 100 125 |
3.3 3.6 5.1 6.6 10.5 8 14 |
12 16 10 20 25 25 32 |
15.6 14 14 17 16.4 18.8 18 |
M6 M6 M8 M8 M10 M10 M12 |
32.5 38 46.5 56.5 72 89 110 |
4 4 4 4 4 4 6 |
10 10.5 11.5 15 15.7 19.2 20.5 |
26 30 37 37 46 51 65 |
120 135 143 158 174 189 225 |
10 13 17 17 22 22 27 |
16 18 24 24 30 30 36 |
6 6 8 8 6 6 8 |
||||||||||||||||||||||||
|
表2 ISO15552标准的连接型式及连接件尺寸 mm |
|||||||||||||||||||||||||||||||||||||||||||||||||||||||||
|
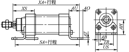
脚
架
式 |
|
备注:尺寸SA、XA一栏中的KP表示带活塞杆锁紧装置的气缸 |
|||||||||||||||||||||||||||||||||||||||||||||||||||||||
|
适用 直径 |
f AB |
AH |
AO |
AT |
AU |
SA |
TR |
US |
XA |
XS |
|||||||||||||||||||||||||||||||||||||||||||||||
|
基本 气缸 |
KP |
基本 气缸 |
KP |
||||||||||||||||||||||||||||||||||||||||||||||||||||||
|
32 40 50 63 80 100 125 |
7 10 10 10 12 14.5 16.5 |
32 36 45 50 63 71 90 |
6.5 9 10.5 12.5 15 17.5 22 |
5 5 6 6 6 6 8 |
24 28 32 32 41 41 45 |
142 161 170 185 210 220 250 |
187 214 237 261 305 318 375 |
32 36 45 50 63 75 90 |
45 54 64 75 93 110 131 |
144 163 175 190 215 230 270 |
189 216 242 266 310 328 395 |
45 53 62 63 81 86 102 |
|||||||||||||||||||||||||||||||||||||||||||||
|
前 / 后 法 兰 板 式 |
|
备注:尺寸ZF一栏中的KP表示带活塞杆锁紧装置的气缸 |
|||||||||||||||||||||||||||||||||||||||||||||||||||||||
|
适用直径 |
E |
f FB H13 |
MF |
R |
TF |
UF |
W |
ZF |
|||||||||||||||||||||||||||||||||||||||||||||||||
|
基本气缸 |
KP |
||||||||||||||||||||||||||||||||||||||||||||||||||||||||
|
32 40 50 63 80 100 125 |
45 54 65 75 93 110 132 |
7 9 9 9 12 14 16 |
10 10 12 12 16 16 20 |
32 36 45 50 63 75 90 |
64 72 90 100 126 150 180 |
80 90 110 120 150 175 210 |
16 20 25 25 30 35 45 |
130 145 155 170 190 205 245 |
175 198 222 246 285 303 370 |
||||||||||||||||||||||||||||||||||||||||||||||||
|
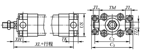
前 端 耳 轴 式 |
|
备注:尺寸XL一栏中的KP表示带活塞杆锁紧装置的气缸 |
|||||||||||||||||||||||||||||||||||||||||||||||||||||||
|
适用直径 |
C2 |
C3 |
f TD e9 |
TK |
TL |
TM |
US |
XH |
XL |
||||||||||||||||||||||||||||||||||||||||||||||||
|
基本气缸 |
KP |
||||||||||||||||||||||||||||||||||||||||||||||||||||||||
|
32 40 50 63 80 100 125 |
71 87 99 1l6 136 164 192 |
86 105 117 136 156 189 217 |
12 16 16 20 20 25 25 |
16 20 24 24 28 38 50 |
12 16 16 20 20 25 25 |
50 63 75 90 110 132 160 |
45 54 64 75 93 110 131 |
18 20 25 25 32 32 40 |
128 145 155 170 188 208 250 |
173 198 222 246 283 306 375 |
|||||||||||||||||||||||||||||||||||||||||||||||
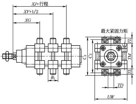
|
中
间
耳
轴
式 |
|
||||||||||||||||||||||||||||||||||||||||||||||||||||||||
|
适用直径 |
B1 |
C2 |
C3 |
f TD e9 |
TL |
TM |
UW |
XG |
|||||||||||||||||||||||||||||||||||||||||||||||||
|
基本气缸 |
KP |
||||||||||||||||||||||||||||||||||||||||||||||||||||||||
|
32 40 50 63 80 100 125 |
30 32 34 41 44 48 50 |
71 87 99 116 136 164 192 |
86 105 117 136 156 189 217 |
12 16 16 20 20 25 25 |
12 16 16 20 20 25 25 |
50 63 75 90 110 132 160 |
65 75 95 105 130 145 175 |
66.1 75.6 83.6 93.1 103.9 113.8 134.7 |
111.1 128.6 150.6 169.1 198.9 211.8 259.7 |
||||||||||||||||||||||||||||||||||||||||||||||||
|
适用直径 |
XJ |
XV |
备注:尺寸XJ、XV一栏中的KP表示带活塞杆锁紧装置的气缸 |
||||||||||||||||||||||||||||||||||||||||||||||||||||||
|
基本气缸 |
KP |
基本气缸 |
KP |
||||||||||||||||||||||||||||||||||||||||||||||||||||||
|
32 40 50 63 80 100 125 |
79.9 89.4 96.4 101.9 116.1 126.2 155.3 |
124.9 142.4 163.4 177.9 211.1 224.2 280.3 |
73 82.5 90 97.5 110 120 145 |
118 135.5 157 173.5 205 218 270 |
|||||||||||||||||||||||||||||||||||||||||||||||||||||
|
中 间 耳 轴 支 架 |
|
适用直径 |
f CR D11 |
f DA H13 |
FK ±0.1 |
FN |
FS |
H1 |
f HB H13 |
KE |
NH |
TH ±0.2 |
UL |
||||||||||||||||||||||||||||||||||||||||||||
|
32 |
12 |
11 |
15 |
30 |
10.5 |
15 |
6.6 |
6.8 |
18 |
32 |
46 |
||||||||||||||||||||||||||||||||||||||||||||||
|
40,50 |
16 |
15 |
18 |
36 |
12 |
18 |
9 |
9 |
21 |
36 |
55 |
||||||||||||||||||||||||||||||||||||||||||||||
|
63,80 |
20 |
18 |
20 |
40 |
13 |
20 |
11 |
11 |
23 |
42 |
65 |
||||||||||||||||||||||||||||||||||||||||||||||
|
100,125 |
25 |
20 |
25 |
50 |
16 |
24.5 |
14 |
13 |
28.5 |
50 |
75 |
||||||||||||||||||||||||||||||||||||||||||||||
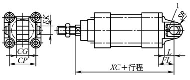
|
耳
环
式 |
1—柱销带一个定位销防止旋转 |
|||||||||||||||||||||||||||||
|
适用直径 |
CG H14 |
CP d12 |
f EK |
FL ±0.2 |
L |
SR |
XC |
备注:尺寸XC一栏中的KP表示带活塞杆锁紧装置的气缸 |
||||||||||||||||||||||
|
基本气缸 |
KP |
|||||||||||||||||||||||||||||
|
32 |
14 |
34 |
10 |
22 |
13 |
10 |
142 |
187 |
||||||||||||||||||||||
|
40 |
16 |
40 |
12 |
25 |
16 |
12 |
160 |
213 |
||||||||||||||||||||||
|
50 |
21 |
45 |
16 |
27 |
16 |
16 |
170 |
237 |
||||||||||||||||||||||
|
63 |
21 |
51 |
16 |
32 |
21 |
16 |
190 |
266 |
||||||||||||||||||||||
|
80 |
25 |
65 |
20 |
36 |
22 |
20 |
210 |
305 |
||||||||||||||||||||||
|
100 |
25 |
75 |
20 |
41 |
27 |
20 |
230 |
328 |
||||||||||||||||||||||
|
125 |
37 |
97 |
30 |
50 |
30 |
30 |
275 |
400 |
||||||||||||||||||||||
|
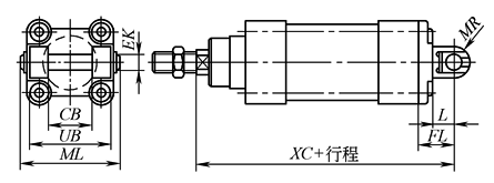
|
||||||||||||||||||||||||||||||
|
适用直径 |
CB H14 |
f EK e8 |
FL ±0.2 |
L |
ML |
MR |
UB h14 |
XC |
备注:尺寸XC一栏中的KP表示带活塞杆锁紧装置的气缸 |
|||||||||||||||||||||
|
基本气缸 |
KP |
|||||||||||||||||||||||||||||
|
32 |
26 |
10 |
22 |
13 |
55 |
10 |
45 |
142 |
187 |
|||||||||||||||||||||
|
40 |
28 |
12 |
25 |
16 |
63 |
12 |
52 |
160 |
213 |
|||||||||||||||||||||
|
50 |
32 |
12 |
27 |
16 |
71 |
12 |
60 |
170 |
237 |
|||||||||||||||||||||
|
63 |
40 |
16 |
32 |
21 |
83 |
16 |
70 |
190 |
266 |
|||||||||||||||||||||
|
80 |
50 |
16 |
36 |
22 |
103 |
16 |
90 |
210 |
305 |
|||||||||||||||||||||
|
100 |
60 |
20 |
41 |
27 |
127 |
20 |
110 |
230 |
328 |
|||||||||||||||||||||
|
125 |
70 |
25 |
50 |
30 |
148 |
25 |
130 |
275 |
400 |
|||||||||||||||||||||
|
|
||||||||||||||||||||||||||||||
|
适用直径 |
f CN |
EP ±0.2 |
EX |
FL ±0.2 |
LT |
MS |
XC |
备注:尺寸XC一栏中的KP表示带活塞杆锁紧装置的气缸 |
||||||||||||||||||||||
|
基本气缸 |
KP |
|||||||||||||||||||||||||||||
|
32 |
10 |
10.5 |
14 |
22 |
13 |
15 |
142 |
187 |
||||||||||||||||||||||
|
40 |
12 |
12 |
16 |
25 |
16 |
17 |
160 |
213 |
||||||||||||||||||||||
|
50 |
16 |
15 |
21 |
27 |
18 |
20 |
170 |
237 |
||||||||||||||||||||||
|
63 |
16 |
15 |
21 |
32 |
21 |
22 |
190 |
266 |
||||||||||||||||||||||
|
80 |
20 |
18 |
25 |
36 |
22 |
27 |
210 |
305 |
||||||||||||||||||||||
|
100 |
20 |
18 |
25 |
41 |
27 |
29 |
230 |
328 |
||||||||||||||||||||||
|
125 |
30 |
25 |
37 |
50 |
30 |
39 |
275 |
400 |
||||||||||||||||||||||
|
|
||||||||||||||||||||||||||||||
|
适用直径 |
f CD |
EW h14 |
FL ±0.2 |
L |
MR |
XC |
备注:尺寸XC一栏中的KP表示带活塞杆锁紧装置的气缸 |
|||||||||||||||||||||||
|
基本气缸 |
KP |
|||||||||||||||||||||||||||||
|
32 |
10 |
26 |
22 |
13 |
10 |
142 |
187 |
|||||||||||||||||||||||
|
40 |
12 |
28 |
25 |
16 |
12 |
160 |
213 |
|||||||||||||||||||||||
|
50 |
12 |
32 |
27 |
16 |
12 |
170 |
237 |
|||||||||||||||||||||||
|
63 |
16 |
40 |
32 |
21 |
16 |
190 |
266 |
|||||||||||||||||||||||
|
80 |
16 |
50 |
36 |
22 |
16 |
210 |
305 |
|||||||||||||||||||||||
|
100 |
20 |
60 |
41 |
27 |
20 |
230 |
328 |
|||||||||||||||||||||||
|
125 |
25 |
70 |
50 |
30 |
25 |
275 |
400 |
|||||||||||||||||||||||











