|
BOSCH功率放大器(带与不带缓冲电子放大器) |
||||||
|
技 术 性 能 |
型号 |
2STV |
2/2V |
2STV-RGC2 |
2/2V-RGC1 |
|
|
不带缓冲电子放大器 |
带缓冲电子放大器 |
|||||
|
应用对象 |
先导式闭环控制比例阀 |
插装式比例节流阀 |
先导式4/3比例方向阀 |
插装式比例节流阀 |
||
|
质量/kg |
0.2 |
0.25 |
||||
|
电源UB至z2-b2 |
24VDC额定值,电源电压21~40V,交流电压整流,Ums=21~28V(全波单相整流) |
|||||
|
输入电流 |
1.5A,该值会随着UB最小值减小和控制电磁铁用电缆长度加长而升高 |
|||||
|
位移传感器电源 |
b30:-15V |
|||||
|
z30:+15V |
||||||
|
先导级 |
实际信号值 |
b22:0~±10V,Ri>20kΩ |
||||
|
实际信号参考值 |
b24 |
|||||
|
主级 |
实际信号值 |
b26:0~±10V,Ri>20kΩ |
||||
|
实际信号参考值 |
b28 |
|||||
|
电磁铁输出b6-b8 |
脉宽调制式电流调节,Imax=2.7A |
|||||
|
放大器/阀引线 |
电磁铁引线:20m时为1.5mm2;20~60m时为2.5mm2 |
|||||
|
位移传感器:4mm×0.5mm(屏蔽) |
||||||
|
特点 |
测量回路开路保护;带PID调节的位移控制;脉宽调制输出级 |
|||||
|
快速激发和关断;输出短路保护 |
||||||
|
表2 2STV、2/2V和2STV-RGC2、2/2V-RGC1等 |
|
|
面
板 |
|
|
表3 |
|
|
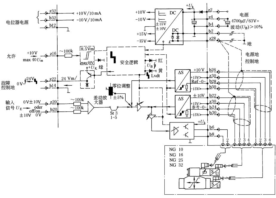
2STV原理图 |
|
|
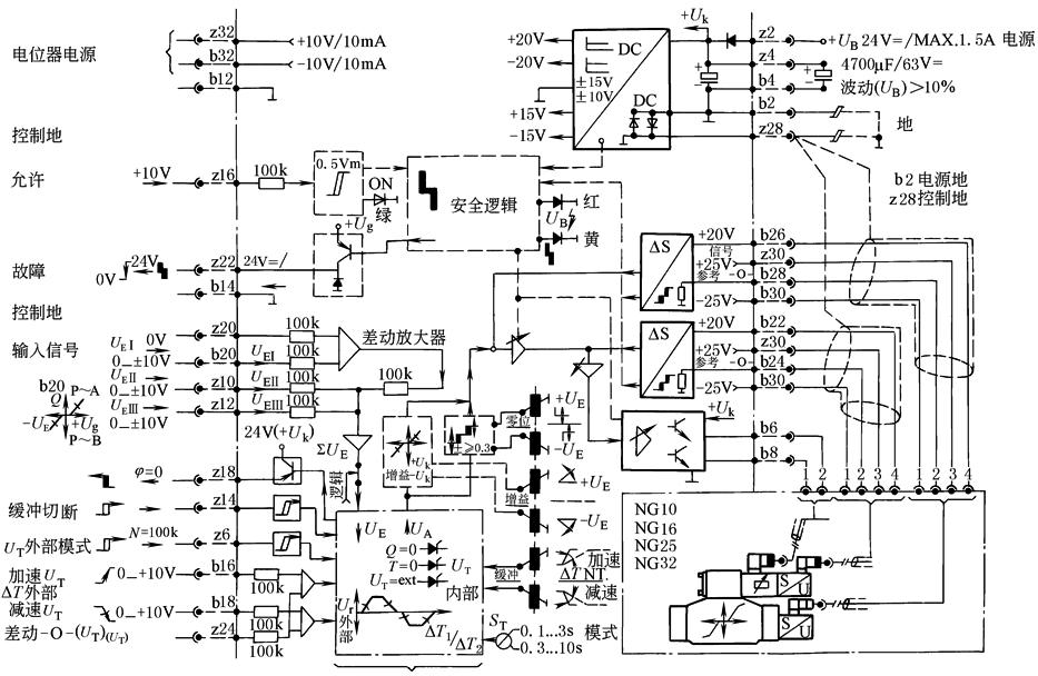
2STVRGC2原理图 |
|
|
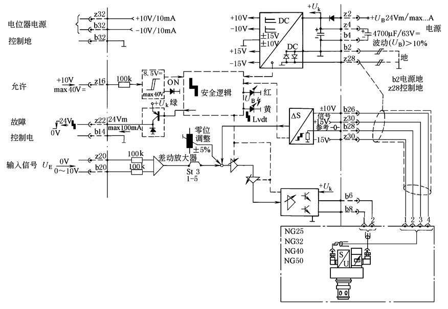
2/2V原理图 |
|
|
2/2V-RGC1原理图 |
|




