|
BOSCH带电压控制式缓冲的比例阀放大器 |
||||||
|
表1 |
||||||
|
技 术 性 能 |
型 号 |
PDL1-PGC3 |
PV45-PGC3 |
PV60-PGC3 |
QV45-PGC3 |
QV60-PGC3 |
|
应用对象 |
|
|
|
|
|
|
|
铁磁铁 |
2.7A/25W |
2.7A/50W |
3.7A/50W |
2.7A/25W |
2.7A/50W |
|
|
额定电流/A |
1.5 |
1.5 |
2.2 |
1.5 |
1.5 |
|
|
当输入电压较低,以及电磁铁连线较长时,电流会大于上述值 |
||||||
|
最大功率/W |
35 |
35 |
55 |
35 |
35 |
|
|
电缆长度及截面尺寸 |
电磁铁可达:65ft,18AWG;连线可达:130ft,14AWG |
|||||
|
位移传感器:3芯20AWG屏蔽线最长150ft |
||||||
|
电源及电容:18AWG |
||||||
|
输出到比例电磁铁信号 |
脉宽调制信号Imax=2.7A,脉宽调制信号Imax=3.7A |
|||||
|
输出短路保护 |
接电磁铁的输出级;接LVDT信号;电位器信号源 |
|||||
|
特点 |
LVDT电缆断路监测,PID位移控制 |
|||||
|
PWM输出级:冲放电快,响应高 |
||||||
|
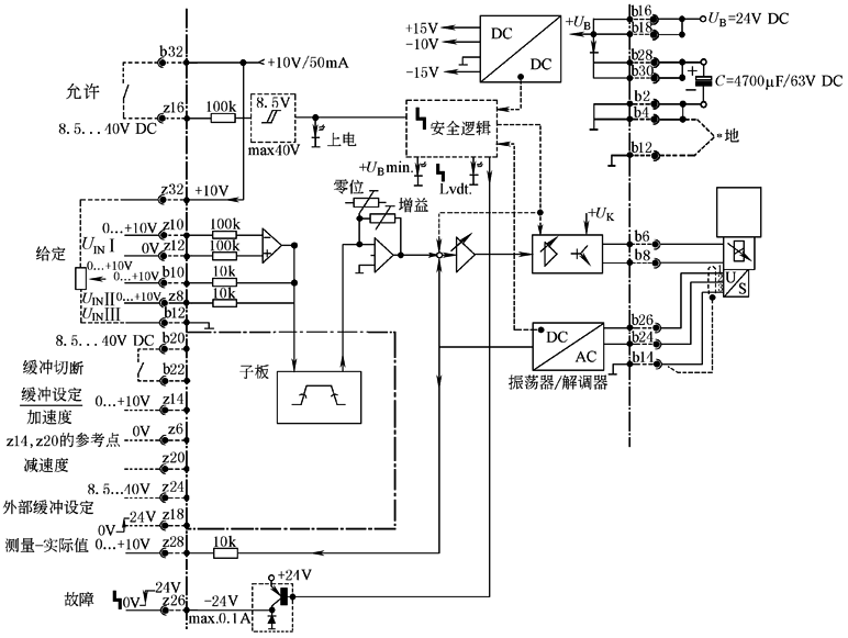
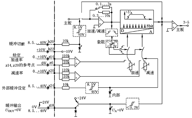
表2 PAL1-PGC3、PV45-PGC3、PV60-PGC3、QV45-PGC3和QV60-PGC3等 |
|
|
面
板 |
|
|
原
理
图 |
|
|
子
板 |
|








