|
BOSCH双通道双工放大器 |
|||
|
技 术 性 能 |
型 号 |
2M45-2.5A |
|
|
应用对象 |
所有不带位移控制的比例阀 |
||
|
电磁铁 |
2.5A/25W |
||
|
质量/kg |
0.25 |
||
|
电缆长度及截面尺寸 |
电磁铁可达:65ft,18AWG |
||
|
连线可达:130ft,14AWG |
|||
|
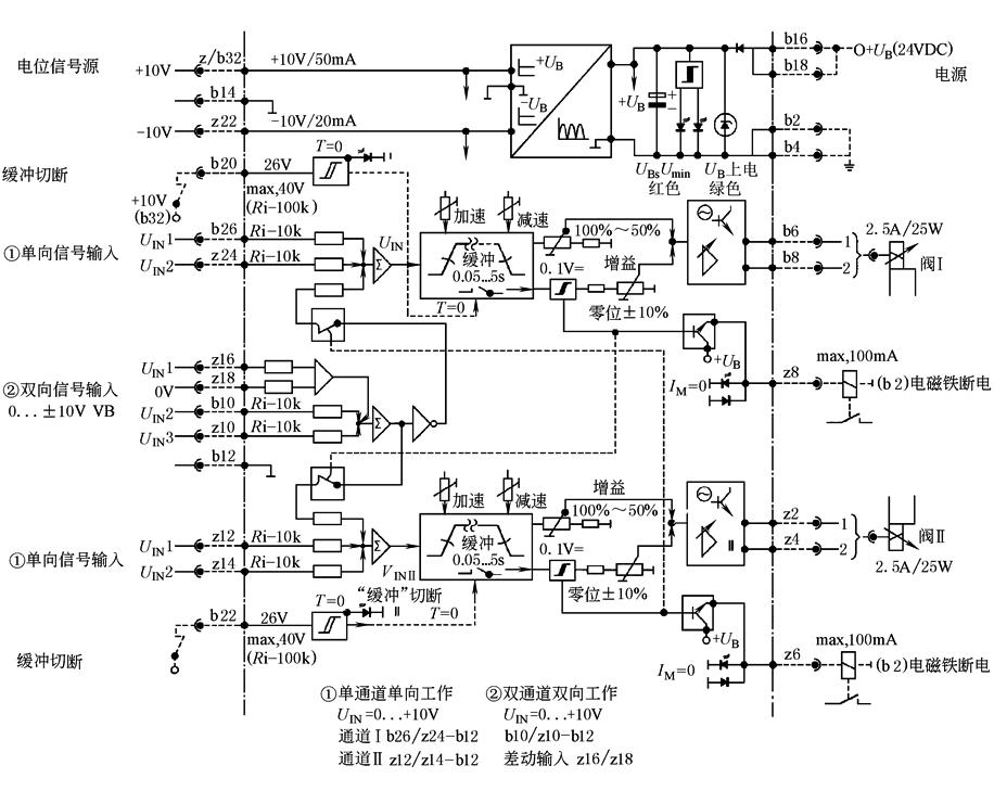
单通道单向工作输入信号 UIN=0~+10V |
通道1 |
通道2 |
|
|
b26和/或z24 |
z12和/或z14 |
||
|
二通道中,都以b12作为控制零的参考点 |
|||
|
双通道双向工作输入信号 UIN=0~±10V |
要么是差动输入信号z16/z18(0V),要么是以b12为控制零参考点,输入脚为b10或z10输入信号;放大器处于双向工作时,在b26/z24Ω及z12/z14Ω脚不能有任何信号 |
||
|
双向工作时的输出 |
UIN=+时:通道1(b6/b8);UIN=-时:通道2(z2/z4) |
||
|
缓冲时间/s |
0.05~5可调 |
||
|
缓冲切断 |
通道1 |
通道2 |
|
|
b20 |
b22 |
||
|
V=6...40,来自b32的10V |
|
||
|
特点 |
输入输出短路保护,PWM输出级 |
||
|
原 理 图 |
|
||
|
面
板 |
|
||


