|
MOOG G123-815缓冲放大器 |
|||||||||||||
|
应用及其技术特点 |
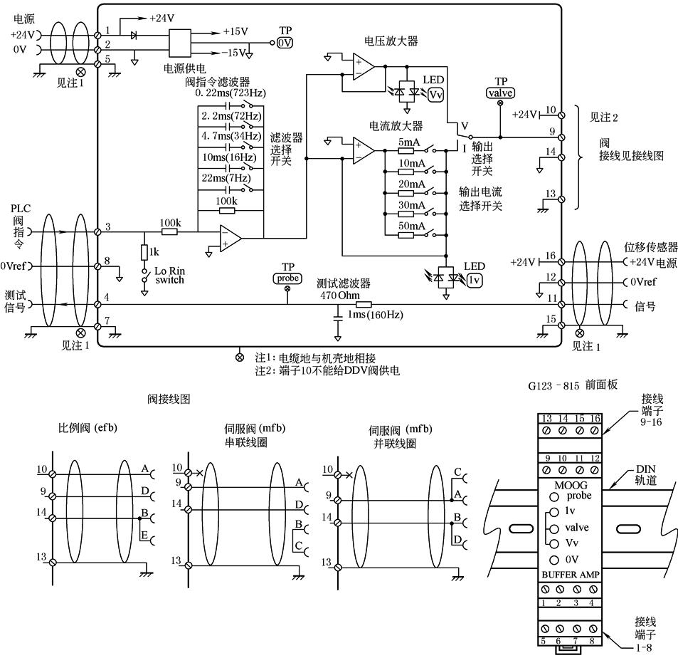
(1)缓冲放大器G123-815用在电液位置闭环控制系统中作为PLC和MOOG阀、位移传感器的接口,将二者的标准输入和输出模块接合在一起,从而简化了PLC在位置闭环中的应用 (2)缓冲放大器解决了PLC±10V输出和阀驱动要求之间常见的互不兼容问题 (3)缓冲放大器解决了阀信号和位移传感器信号数字量噪声的滤波问题。PLC±10V输出通过开关选择的指令滤波器将数字量噪声滤波后,转换为开关选择的两个输出:第一个是±10V;第二个是开关选择的±5~±100mA的电流输出。这适用于绝大多数MOOG电反馈(efb)和力反馈(mfb)伺服阀。位移传感器信号在送到PLC模拟输入模块之前先经过缓冲放大器滤波,从而保证了传感器和外界噪声不会影响闭环 (4)缓冲放大器被安装在一个精密的DIN导轨上,并被有效屏蔽,从而避免了电磁干扰和辐射干扰 (5)缓冲放大器需24V电源。前面板测试点和阀驱动LED显示灯方便了调试和试车 |
||||||||||||
|
技术性能及参数 |
阀驱动输入 |
阀驱动输出 |
阀驱动电流 |
阀驱动测试点 |
传感器测试点 |
VvLED指示灯 |
IvLED指示灯 |
||||||
|
0~±10V |
0~±10V 0~±100mAmax |
±5,10,20, 30,50mA |
Z0=10k |
Z0=10k |
±10V最亮 +=红,-=绿 |
±5mA\100mA最亮 +=红;-=绿 |
|||||||
|
阀滤波器型式 |
阀滤波器截止频率选择 |
传感器测试滤波器截止频率 |
电 源 |
||||||||||
|
有源,单极 |
7;16;34;72Hz |
154(1±10%)Hz |
标称24V,22~28V;20mA@24V空载:145mA@100mA负载 |
||||||||||
|
温度/℃ |
尺寸 |
质量/g |
CE认证 |
C认证 |
端子10最大电流/mA |
||||||||
|
0~40 |
100(长)×108(高)×22.5(深) |
120 |
EN50081.1辐射;EN50082.2抗扰性 |
AS4251.1辐射 |
500 |
||||||||
|
G123-815框图和接线图
|
|||||||||||||

