|
MOOG G122-202A1系列伺服放大器 |
|||||||||||||||||
|
应用 |
主要用于驱动闭环控制系统中的电液伺服阀。也可以用于需要与指令信号或指令信号与反馈信号之差成正比的电流或电压信号作为输出之处 |
||||||||||||||||
|
特点 |
(1)前面板为用户亲和设计。其上装有调整放大器增益、输入信号灵敏度、零偏、颤振信号的控制器及I/O(输入/输出)信号测试点。LED指示灯和阀电流测试点也在前面板上,指示灯的亮度变化反映了阀电流的情况,从而使电液伺服系统的调试更方便快速,不需要示波器 (2)比例-积分-微分(PID)控制器用跳线选择,快捷、方便 (3)五个开关选择电流输出范围 (4)有两个可调、一个固定的输入接口 (5)电流反馈,可消除负载阻抗的影响 (6)附加三个功能块:①倒相器,使指令信号与反馈信号具有相反的极性,用跳线选择;②将4~10mA成比例地变成0~10V输出的变换器,用于界面处理测试信号;③斜坡发生器,用于控制位移指令的变化速率,从而控制执行器的速度 (7)采用欧板模式。与MOOG127系列板架兼容 (8)符合CE认证及FCC第15部分的要求 |
||||||||||||||||
|
性能 参数 |
电源 |
输入电压范围 |
输出能力 |
输出范围 |
比例增益 |
线性度 |
温度系数 |
频率响应 |
|||||||||
|
±15VDC稳压 (每边25mA) ±24VDC(阀+ 继电器电流) |
端子3,7… ±10VDC 端子9…0~ 120VDC |
最大电流 ±100mA 最大电压 ±10V |
10,20,50, 100mA,还可 通过R34选择 |
5~200 mA/V |
满量程 的±3% |
0.1mV/℃ (10~50℃) (输入电阻100Ω, 增益为50mV/V) |
-3dB, f>800Hz, 带感性 负载1亨 |
||||||||||
|
颤振 |
外控继电器 |
斜坡速率 |
倒相器精度 |
4~20mA 变换器精度 |
接线插头 |
尺寸/mm |
质量/kg |
||||||||||
|
幅值:0~40% 阀额定值 频率:25~300Hz |
能耗:8mA×24VDC 触发功率:1A/125VDC, 30Wmax |
0.5~20V/s |
适加信号的 ±1% |
满量程的 ±1% |
DIN41612 C型 64芯 |
欧式插件 3U×7HP 100×160 |
0.16 |
||||||||||
|
|
|||||||||||||||||
|
前面板调整 |
前面板测试点 |
指示器 |
|||||||||||||||
|
输入灵敏度 |
零偏 |
比例增益 |
微分增益 |
积分增益 |
颤振 |
斜坡速率 |
输入电压 |
输出电压 |
LED |
||||||||
|
信号Vin7→P7 信号VR7→P9 (0…100%) |
P1 (±750mV) |
P2 |
P6,P8 |
P5 |
幅值 频率 |
不在前面板 |
端子3信号在Vin3 端子7信号在Vin7 端子9信号在Vin9 |
1sv电压 与阀电流 成正比 |
+和- 表示阀 电流 |
||||||||
|
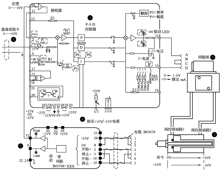
MOOGG122-202A1系列典型位置回路接线图
|
|||||||||||||||||
|
回路说明 (1)指令通道:0~+10V指令或基准信号加于端子7。通过电位器P7进行调节且低通滤波器起作用 (2)反馈通道:0~+10V的传感器信号加于倒相器的端子18。该信号被转换为0~-10V输出到端子21,然后进入综合放大器级的输入端子 (3)PID伺服放大器 综合放大器:将指令信号与传感器信号进行比较,并将得到的误差信号进行放大。放大倍数由P2调节。“GAIN(增益)”电位计及经放大的信号可以在端子12进行监控。这样被放大的位置误差信号连续通过PID级。注意,本例作为单一的P(比例)控制器使用,且未使用颤振 输出级:输出级驱动阀,而前面板上的两个LED(1sv)则指示驱动信号的极性和幅值 (4)伺服阀和执行器:控制油按指令方向进入液压缸,并使其运动 (5)传感器和控制器:位移传感器反馈一个成比例的信号到控制器将其转换成0~+10V的反馈信号 |
|||||||||||||||||


