|
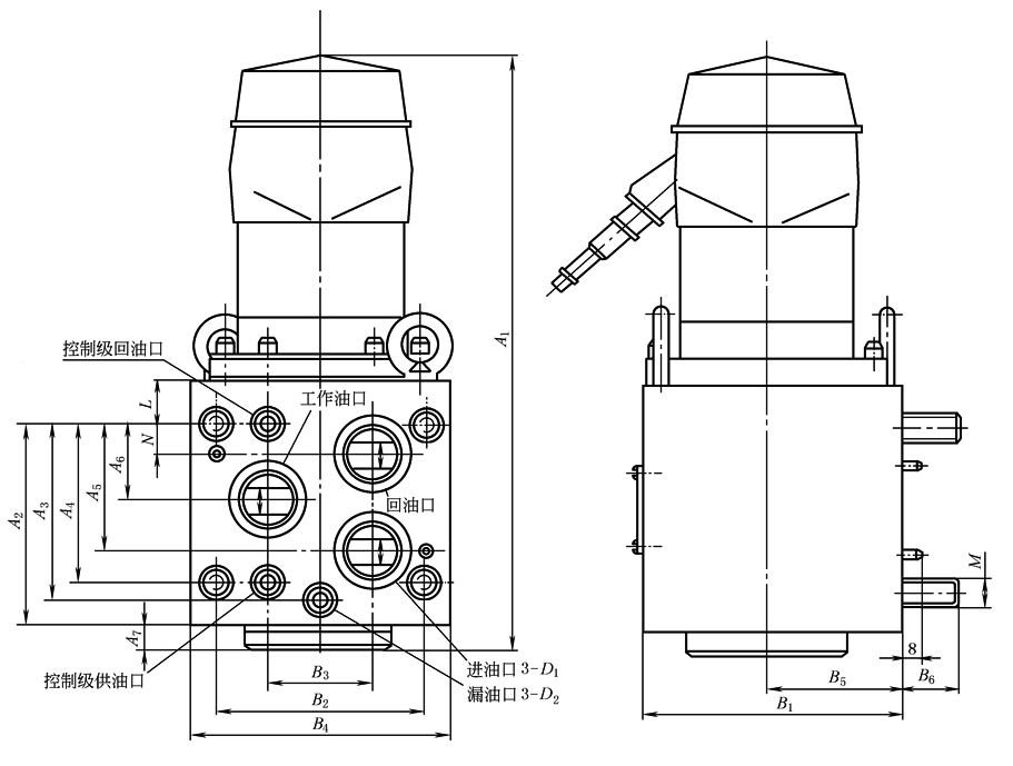
YJ741、YJ742和YJ861型电液伺服阀外形及安装尺寸 mm |
|||||||||
|
|
|||||||||
|
型号 |
A1 |
A2 |
A3 |
A4 |
A5 |
A6 |
A7 |
N |
L |
|
YJ741 |
290 |
115 |
75 |
70 |
55 |
35 |
14 |
15 |
20 |
|
YJ742 |
309 |
143 |
104 |
104 |
74 |
46 |
12 |
18 |
23 |
|
YJ861 |
344 |
175 |
139 |
127 |
103 |
64 |
12 |
27 |
21 |
|
型号 |
B1 |
B2 |
B3 |
B4 |
B5 |
B6 |
3-D1 |
3-D2 |
M |
|
YJ741 |
120 |
96 |
50 |
115 |
60 |
17 |
f 24 |
f 10 |
M12 |
|
YJ742 |
152 |
120 |
60 |
150 |
78 |
25 |
f 32 |
f 10 |
M16 |
|
YJ861 |
178 |
144 |
64 |
166 |
|
25 |
f 45 |
f 10 |
M18 |

