|
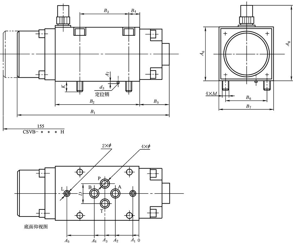
SV(CSV)和SVA型电液伺服阀外形及安装尺寸 mm |
|||||||||||
|
|
|||||||||||
|
型号 |
A1 |
A2 |
A3 |
A4 |
A5 |
A6 |
A7 |
A8 |
B1 |
B2 |
B3 |
|
SV8 |
10.5 |
27.5 |
40 |
52.5 |
87 |
65 |
2.5 |
|
170 |
102 |
52 |
|
SV10 |
20 |
44.5 |
70 |
95.5 |
120 |
90 |
2.5 |
|
258 |
161 |
73 |
|
SVA8 |
15.5 |
32.5 |
45 |
57.5 |
92 |
65 |
2.5 |
100 |
175 |
107 |
52 |
|
SVA10 |
30 |
54.5 |
80 |
105.5 |
130 |
95 |
2.5 |
130 |
270 |
169 |
73 |
|
型号 |
B4 |
B5 |
B6 |
B7 |
D |
d3 |
2×f |
4×f |
K |
M |
备注 |
|
SV8 |
14 |
30 |
52 |
65 |
25 |
f 2.5 |
4 |
10 |
12 |
M8 |
|
|
SV10 |
33.5 |
37 |
86 |
108 |
51 |
f 3 |
5 |
18 |
14.5 |
M10 |
|
|
SVA8 |
19 |
30 |
52 |
65 |
25 |
f 2.5 |
4 |
10 |
14 |
M8 |
|
|
SVA10 |
43.5 |
41 |
86 |
108 |
51 |
f 2.5 |
5 |
19 |
14.5 |
M10 |
|

