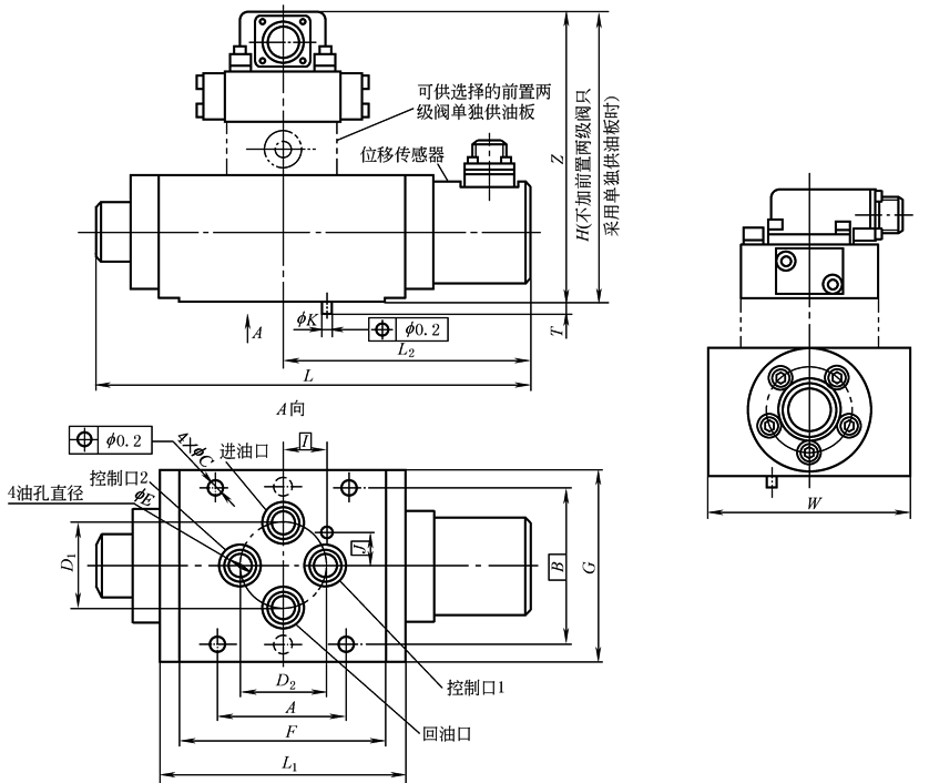
|
FF109和DYSF-3G- |
||||||||||
|
|
||||||||||
|
型号 |
A |
B |
C |
D1 |
D2 |
E |
F |
G |
H |
先导阀 |
|
FF109 |
76.2 |
80 |
10.5 |
38 |
38 |
18 |
143 |
102 |
118 |
FF102 |
|
DYSF-3G-1 |
76.4 |
100 |
10.7 |
42 |
42 |
|
125 |
120 |
139 |
DYSF-3Q |
|
DYSF-3G-11 |
90 |
105 |
10.7 |
50 |
50 |
|
130 |
130 |
177 |
DYSF-3Q |
|
型号 |
I |
J |
K |
L |
L1 |
L2 |
T |
W |
Z |
先导阀 |
|
FF109 |
|
|
|
218.1 |
143 |
133.5 |
|
102.8 |
|
FF102 |
|
DYSF-3G-1 |
|
|
|
250 |
125 |
|
|
120 |
|
DYSF-3Q |
|
DYSF-3G-11 |
|
|
|
2268 |
170 |
168 |
|
130 |
|
DYSF-3Q |
|
注:1.表中所列各阀外形相差极大,外廓尺寸只提供该阀所占安装空间。 2.尺寸Z随先导阀和先导级是否单独供油而变。 |
||||||||||

