|
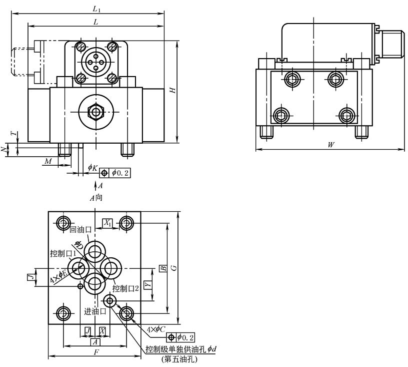
FF131、YFW06、QYSF-3Q、DOWTY45514659和MOOG78型伺服阀外形及安装尺寸 mm |
||||||||||
|
|
||||||||||
|
型号 |
A |
B |
f C |
f D |
f E |
F |
G |
H |
I |
J |
|
FF131 |
44.5 |
65 |
8.5 |
22.5 |
12.7 |
69 |
81 |
70 |
9.9 |
12.7 |
|
YFW06 |
44.5 |
65 |
8.5 |
22.5 |
14.5 |
66 |
81 |
65.1 |
10 |
12.7 |
|
QYSF-3Q |
44.5 |
65 |
8.5 |
24 |
|
66 |
82 |
72 |
|
|
|
|
44.5 |
65.1 |
8.3 |
22.2 |
14.2 |
64.8 |
81.3 |
67.8 |
9.9 |
12.7 |
|
MOOG78 |
92 |
60.3 |
8.5 |
44.5 |
16 |
77.2 |
111.8 |
103.4 |
20.6 |
20.6 |
|
型号 |
f K |
L |
L1 |
M |
X |
Y |
f d |
W |
N |
T |
|
FF131 |
2.3 |
96 |
94 |
M8 |
9.9 |
23.8 |
12.7 |
94 |
9 |
2.5 |
|
YFW06 |
2.5 |
86 |
|
M8 |
|
|
|
|
|
23.1 |
|
QYSF-3Q |
|
92 |
91 |
|
|
|
|
|
|
|
|
|
2.4 |
97.6 |
|
M8 |
|
|
|
|
14.3 |
3.1 |
|
MOOG78 |
3.0 |
146 |
|
M8 |
|
|
|
145.9 |
|
3.1 |
|
注:表中各阀外形相差较大,外形尺寸只表示其所占安装空间。 |
||||||||||

