|
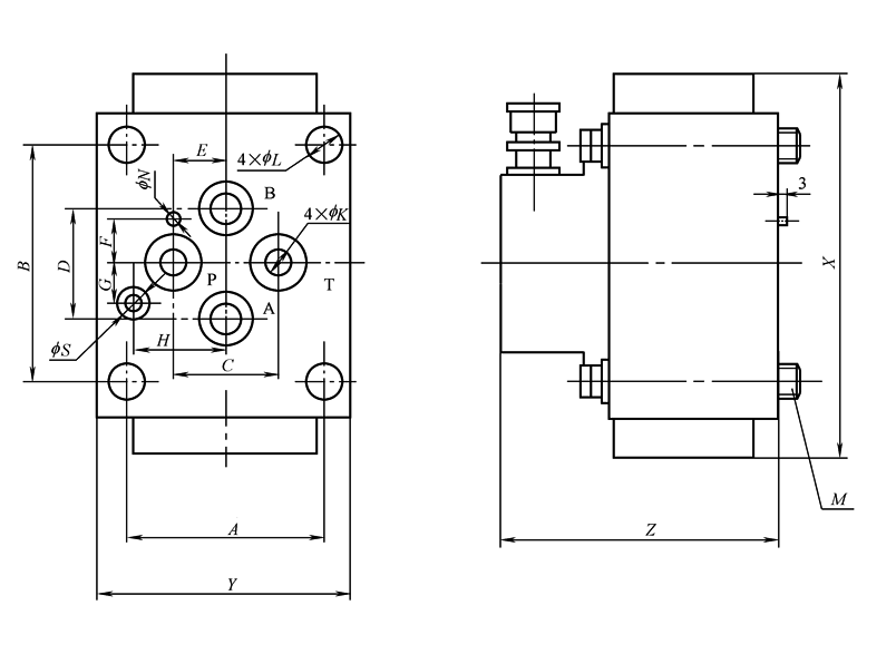
QDY系列电液伺服阀外形及安装尺寸 mm |
|||||||||||||||||
|
|
|||||||||||||||||
|
型号 |
A |
B |
C |
D |
E |
F |
G |
H |
S |
K |
L |
N |
X |
Y |
Z |
M |
|
|
QDY3 |
Q0-125 |
86 |
73 |
51 |
51 |
|
|
|
|
|
20 |
11 |
|
224 |
110 |
141 |
M10 |
|
Q0-250 |
140 |
148 |
70 |
50 |
|
|
|
|
|
22 |
17 |
|
266 |
166 |
163 |
M16 |
|
|
Q0-500 |
166 |
140 |
90 |
84 |
|
|
|
|
|
40 |
17 |
|
339 |
|
|
M16 |
|
|
QDY4 |
Q0-125 |
86 |
73 |
51 |
38 |
|
|
|
|
|
14 |
11 |
|
238 |
110 |
190 |
M10 |
|
Q0-250 |
120 |
120 |
60 |
50 |
|
|
|
|
|
25 |
17 |
|
270 |
146 |
233 |
M16 |
|
|
QDY5 |
65 |
44.4 |
22 |
22 |
13 |
10 |
|
|
|
10 |
9 |
2 |
|
81 |
|
M8 |
|
|
QDY6 |
65 |
44.4 |
22 |
22 |
13 |
10 |
11 |
24 |
6 |
10 |
9 |
2 |
90 |
81 |
75 |
M8 |
|
|
QDY8 |
65 |
44.4 |
22 |
22 |
13 |
10 |
|
|
|
10 |
9 |
2 |
125 |
81 |
75 |
M8 |
|
|
QDY11 |
Q0-125 |
86 |
73 |
51 |
51 |
19 |
25.5 |
19 |
38 |
8 |
18 |
11 |
3 |
139 |
129 |
11 |
M10 |
|
Q0-250 |
86 |
73 |
51 |
51 |
19 |
25.4 |
19 |
38 |
8 |
20 |
11 |
2 |
180 |
129 |
136 |
M10 |
|
|
QDY10 |
86 |
73 |
51 |
51 |
|
|
19 |
38 |
8 |
18 |
11 |
3 |
139 |
129 |
124 |
M10 |
|
|
QDY12 |
65 |
44.4 |
22 |
22 |
13 |
10 |
11 |
24 |
6 |
10 |
9 |
2 |
90 |
113 |
75 |
M8 |
|
|
QDY14 |
46 |
60 |
22 |
22 |
13 |
10 |
|
|
|
10 |
6.8 |
2 |
94 |
56 |
76 |
M6 |
|
|
QDY15 |
34 |
43 |
16 |
16 |
13 |
10 |
|
|
|
5 |
5.8 |
2 |
89 |
52 |
79 |
M5 |
|

