|
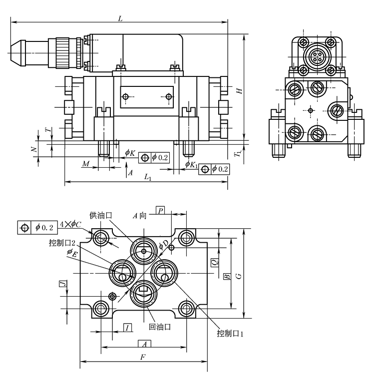
FF106、FF130、YF13、MOOG35和MOOG34型电液伺服阀外形及安装尺寸 mm |
|||||||||||
|
|
|||||||||||
|
型号 |
A |
B |
C |
D |
E |
F |
G |
H |
I |
J |
备注 |
|
FF106 |
50 |
44 |
6.5 |
25 |
15.8 |
76 |
56 |
65 |
7 |
7 |
|
|
FF130 |
42.8 |
34.14 |
4.5 |
19.8 |
12.7 |
64 |
45 |
50 |
|
|
|
|
YF13 |
50 |
44 |
6.5 |
25 |
15.8 |
76 |
56 |
64.5 |
7 |
7 |
|
|
MOOG35 |
50.8 |
44.5 |
6.7 |
25.4 |
15.9 |
76.2 |
57.4 |
64 |
|
|
|
|
MOOG34 |
42.9 |
34.1 |
5.2 |
19.8 |
12.7 |
|
45.8 |
48.5 |
|
|
|
|
型号 |
K |
K1 |
L |
L1 |
M |
N |
P |
Q |
T |
T1 |
备注 |
|
FF106 |
2.5 |
|
130 |
97 |
M6 |
9 |
|
|
2 |
|
|
|
FF130 |
2.5 |
|
112.5 |
90 |
M4 |
10 |
11.53 |
4.37 |
|
2.5 |
|
|
YF13 |
2.5 |
|
117 |
|
M6 |
|
|
|
2 |
|
|
|
MOOG35 |
|
2.5 |
96 |
96 |
|
|
6.4 |
9.5 |
|
2.5 |
|
|
MOOG34 |
|
2.5 |
82 |
76.2 |
|
|
11.5 |
4.4 |
|
2 |
|
|
注:MOOG35和MOOG34型的L尺寸为不带插头的尺寸。MOOG34型两端盖与图示不同,为四个螺栓固定。 |
|||||||||||

