|
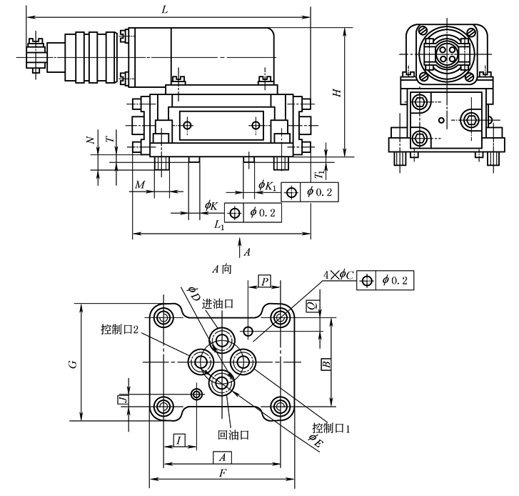
FF102、YF7、MOOG31、MOOG32、DOWTY31和DOWTY32型伺服阀外形及安装尺寸 mm |
||||||||||||||||||||
|
|
||||||||||||||||||||
|
型号 |
A |
B |
C |
D |
E |
F |
G |
H |
I |
J |
K |
K1 |
L |
L1 |
M |
N |
P |
Q |
T |
T1 |
|
FF102 |
44 |
34 |
4.5 |
16 |
10 |
52 |
43 |
48 |
12 |
5 |
2.6 |
— |
107 |
66 |
M4 |
5.7 |
— |
— |
2.5 |
— |
|
YF7 |
44 |
34 |
4.5 |
16 |
10 |
52 |
43 |
47.5 |
12 |
5 |
2.5 |
— |
102 |
66 |
M4 |
5.7 |
— |
— |
1.5 |
— |
|
MOOG31 |
42.9 |
34.1 |
5.2 |
15.9 |
10.6 |
51.8 |
45.2 |
46.2 |
— |
— |
— |
2.5 |
78.2 |
66 |
|
|
11.5 |
4.4 |
— |
2 |
|
MOOG32 |
42.9 |
34.1 |
5.2 |
19.8 |
12.7 |
51.8 |
45.2 |
46.2 |
— |
— |
— |
2.5 |
78.2 |
66 |
|
|
11.5 |
4.4 |
— |
2 |
|
DOWTY31 |
42.8 |
34.1 |
5.2 |
15.9 |
10.7 |
51.8 |
44.7 |
46 |
— |
— |
— |
2.5 |
75.4 |
66 |
|
|
11.5 |
4.4 |
— |
2.5 |
|
DOWTY32 |
42.8 |
34.1 |
5.2 |
19.8 |
12.6 |
51.8 |
44.7 |
46 |
— |
— |
— |
2.5 |
75.1 |
66 |
|
|
11.5 |
4.4 |
— |
2.5 |

