|
电液比例流量控制回路及系统 |
||||||
|
1.用比例节流阀取代普通节流阀组简化控制系统 |
|
图a为采用一个比例节流阀连续、比例、无级调节流量,取代采用多个定值节流阀调节流量的控制回路,既简化了控制回路又改善了性能。采用电液比例流量控制可以很方便地满足负载速度特性要求,实现所设定流量控制变化的规律 |
||||
|
2.比例控制节流调速的基本回路 |
|
图b为电液比例控制节流调速的基本回路,其结构与功能的基本特点与由定值节流阀构成的调速回路有共同点。但由于是电液比例控制,既可开环控制又可闭环控制,按照负载速度特性要求,以更高的精度,实现调速要求 |
||||
|
3.液压电梯的电液比例控制回路 |
1,2—比例复合阀;3—限速切断阀 |
图c液压电梯是利用液压驱动的垂直运输工具。图中比例复合阀1是一个带应急下降先导阀的比例三通调速阀,控制电梯的向上运动速度,泵的输出压力与负载相适应,从而达到节能的效果。先导压力阀可以控制柱塞突然停止所产生的液压冲击。比例复合阀2是一个带手动应急下降先导阀的二通比例调速阀。电梯下降时泵停止工作,依靠电梯轿厢自重下落,二通阀控制其下降运行速度。轿厢运行速度如图d所示。手动应急下降阀的作用是:当发生意外故障时,可以手动操作,使轿厢平稳回到最接近的层面。本系统的基本特点为:(1)采用比例控制,可以对轿厢的加减速进行精确控制,达到快速、平稳地按预定曲线运行;(2)上升用三通调速阀实现负载适应,下降依靠自重用二通调速阀控制,形成了最佳的节能组合。应特别注意,要使轿厢自重(不够时,常采用在轿厢体增加配重)产生的油压大于二通比例调速阀的最小工作压差,以保证二通阀工作在调速区 |
||||
|
4.机床微进给的电液比例控制回路 |
|
图e为机床及材料试验机采用的微进给电液比例控制。图中的定值控制调速阀也可用比例调速阀代替而扩大调节范围。液压缸的输出速度由流量Q2所决定,而Q2=Q1-Q3。当Q1>Q3时,液压缸活塞左移;当Q1<Q3时,活塞右移,故无换向阀就可使活塞运动换向。这种控制方式的优点在于,为获得微小进给量,不必采用微小流量调速阀,只需用流量增益较小的比例调速阀。两个调速阀均可在较大流量下工作而不易堵塞,液压缸实际得到的流量很小,实现微量进给。既可开环控制,也可闭环控制,保证液压缸输出速度恒定或按设定规律变化 |
||||
|
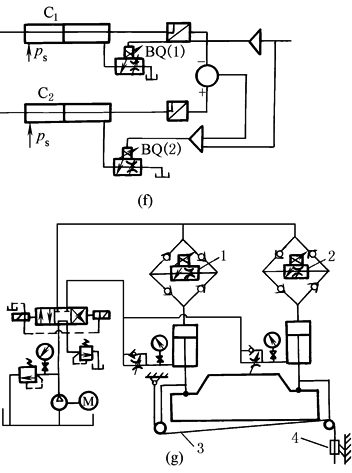
5.旋压机、折板机同步的电液比例控制回路 |
|
图f、g为双旋轮旋压机、双缸折板机等机械设备同步系统的电液比例控制。图f表明了控制思想,在两缸油路上分别安装比例调速阀BQ(1)及BQ(2),其中BQ(1)接受指令信号,BQ(2)同时接受指令信号及两缸位移偏差信号,C1缸为主动缸,C2为随动缸进行闭环控制。在没有偏心载荷的情况下,同步误差在0.3mm以下,在有偏心载荷时,同步误差在0.8mm以下 图g中1、2为电液比例调速阀,3为钢带系统,4为差动变压器。差动变压器通过钢带系统检测滑块运动过程的同步情况,并转换为电信号反馈,实现闭环控制 |
||||






