|
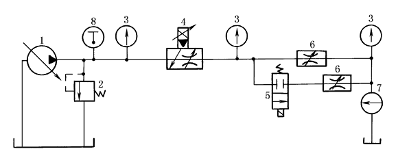
电液比例流量阀动态特性试验系统 |
|
电液比例流量阀的典型试验回路 1—液压泵;2—溢流阀;3,8—压力表;4—被试电液比例流量阀; 5—快速切断阀;6—负载节流阀;7—流量计 与压力阀试验相似,其动态特性受油液容积的影响。有关实验标准规定,进行阀的负载阶跃响应特性试验时,图示快速切断阀5的操作时间不得超过被试阀响应时间的10%,且最大值不得超过10ms。此外,被试阀4与负载节流阀6之间的油液容积应尽可能小,以使负载阶跃信号的前沿尽可能地陡。其具体要求是:保证由于油的压缩性造成的压力梯度用公式dp/dt=ΔVE/V计算所得的,至少是所测梯度的10倍 |

