|
BJHD系列液压泵站 |
|
BJHD系列液压泵站由北京华德液压工业集团公司液压成套设备分公司开发生产。本系列液压泵站主要采用引进德国REXROTH技术生产的高压泵和高压阀,适用于冶金、航空航天、机械制造等行业配套的液压系统和润滑系统 液压泵站型式有上置式、下置式、旁置式及柜式。阀组为座椅式或方凳式。集成油路块采用35钢锻件加工,发黑处理,长度达1.4m,油箱及管件经酸洗、磷化、喷漆 本系列液压泵站的油箱最大容量可达20000L,系统最高工作压力31.5MPa。 生产厂:北京华德液压工业集团公司液压成套设备分公司。该公司作为国内液压水压成套设备设计、制造生产基地,还可承接设计、制造液压系统成套设备、水压系统成套设备及润滑设备。 (1)泵组
|
|
表1 |
|||||||||
|
工作压力/MPa |
电动机 |
油 泵 |
A /mm |
B /mm |
|||||
|
型 号 |
功率 /kW |
转速 /r·min-1 |
种类 |
型 号 |
额定压力 /MPa |
公称排量 /mL·r-1 |
|||
|
10 |
Y132M-4 |
7.5 |
1440 |
变 量 叶 片 泵 |
1PV2V410/20RA1MCO16N1 |
16 |
20 |
730 |
345 |
|
Y160M-4 |
11 |
1460 |
1PV2V410/32RA1MCO16N1 |
16 |
32 |
840 |
420 |
||
|
Y160L-4 |
15 |
1460 |
1PV2V410/50RA1MCO16N1 |
16 |
50 |
930 |
420 |
||
|
Y180L-4 |
22 |
1470 |
1PV2V410/80RA1MCO16N1 |
16 |
80 |
1000 |
465 |
||
|
Y225S-4 |
37 |
1480 |
1PV2V410/125RA1MCO16N1 |
16 |
125 |
1200 |
570 |
||
|
Y132M-4 |
7.5 |
1440 |
变 量 柱 塞 泵 |
PVB10 |
20.7 |
21.10 |
775 |
345 |
|
|
Y160M-4 |
11 |
1460 |
PVB15 |
13.8 |
33.00 |
860 |
420 |
||
|
Y160L-4 |
15 |
1460 |
PVB20 |
20.7 |
42.80 |
950 |
420 |
||
|
Y180L-4 |
18.5 |
1470 |
PVB29 |
13.8 |
61.60 |
980 |
465 |
||
|
Y225S-4 |
30 |
1480 |
PVB45 |
20.7 |
94.50 |
1185 |
510 |
||
|
16 |
Y132S-4 |
5.5 |
1440 |
变 量 柱 塞 泵 |
10SCY14-1B |
31.5 |
10 |
775 |
345 |
|
Y160M-4 |
11 |
1460 |
25SCY14-1B |
31.5 |
25 |
965 |
420 |
||
|
Y200L-4 |
30 |
1470 |
63SCY14-1B |
31.5 |
63 |
1215 |
510 |
||
|
Y280S-4 |
75 |
1480 |
160SCY14-1B |
31.5 |
160 |
1600 |
690 |
||
|
Y225S-4 |
37 |
1480 |
A7V78 |
35 |
78 |
1320 |
570 |
||
|
Y250M-4 |
55 |
1480 |
A7V107 |
35 |
107 |
1445 |
635 |
||
|
Y160L-4 |
15 |
1460 |
定 量 柱 塞 泵 |
A2F28 |
35 |
28.1 |
945 |
420 |
|
|
Y180L-4 |
22 |
1470 |
A2F45 |
35 |
44.3 |
1095 |
465 |
||
|
Y200L-4 |
30 |
1470 |
A2F55 |
35 |
54.8 |
1160 |
510 |
||
|
Y200L-4 |
30 |
1470 |
A2F63 |
35 |
63.0 |
1225 |
510 |
||
|
Y225S-4 |
37 |
1480 |
A2F80 |
35 |
80.0 |
1270 |
570 |
||
|
Y250M-4 |
55 |
1480 |
A2F107 |
35 |
107 |
1325 |
635 |
||
|
Y250M-4 |
55 |
1480 |
A2F125 |
35 |
125 |
1480 |
635 |
||
|
Y280S-4 |
75 |
1480 |
A2F160 |
35 |
160 |
1550 |
690 |
||
|
27 |
Y132M-4 |
7.5 |
1440 |
变 量 柱 塞 泵 |
10SCY14-1B |
31.5 |
10 |
815 |
345 |
|
Y180L-4 |
22 |
1470 |
25SCY14B-1B |
31.5 |
25 |
1075 |
465 |
||
|
Y250M-4 |
55 |
1480 |
63SCY14-1B |
31.5 |
63 |
1375 |
635 |
||
|
Y280S-4 |
75 |
1480 |
A7V78 |
35 |
78 |
1500 |
690 |
||
|
Y280M-4 |
90 |
1480 |
A7V107 |
35 |
107 |
1565 |
690 |
||
|
Y180L-4 |
22 |
1470 |
定 量 柱 塞 泵 |
A2F28 |
35 |
28.1 |
1010 |
465 |
|
|
Y225S-4 |
37 |
1470 |
A2F45 |
35 |
44.3 |
1205 |
570 |
||
|
Y225M-4 |
45 |
1480 |
A2F55 |
35 |
54.8 |
1230 |
635 |
||
|
Y250M-4 |
55 |
1480 |
A2F63 |
35 |
63.0 |
1380 |
635 |
||
|
Y280S-4 |
75 |
1480 |
A2F80 |
35 |
80.0 |
1450 |
690 |
||
|
Y280M-4 |
90 |
1480 |
A2F107 |
35 |
107 |
1530 |
690 |
||
|
Y315S-4 |
110 |
1480 |
A2F125 |
35 |
125 |
1770 |
900 |
||
|
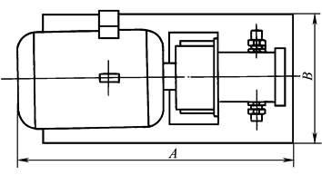
注:表中所示尺寸是一套泵组之数。若为n套泵组,则B尺寸为n(150+B)。 |
|||||||||
|
(2)单排蓄能器组 |
|
|||||
|
单排蓄能器组
双排蓄能器组
|
表2 mm |
|||||
|
蓄能器型号 |
蓄 能 器 个 数 |
|||||
|
NXQ-L40 |
2 |
3 |
4 |
5 |
||
|
L1 |
900 |
1200 |
1500 |
1800 |
||
|
L2 |
750 |
1050 |
1350 |
1650 |
||
|
|
|
|
|
|
||
|
|
|
|
|
|
||
|
|
|
|
|
|
||
|
|
|
|
|
|
||
|
|
|
|
|
|
||
|
表3 mm |
||||||
|
蓄能器型号 |
蓄 能 器 个 数 |
|||||
|
NXQ-L40 |
5;6 |
NXQ-L40 |
5;6 |
NXQ-L40 |
||
|
L1 |
1200 |
L1 |
1200 |
L1 |
||
|
L2 |
1050 |
L2 |
1050 |
L2 |
||
|
|
|
|
|
|
||
|
|
|
|
|
|
||
|
|
|
|
|
|
||
|
(3)阀台 |
|
||||
|
|
表4 mm |
||||
|
|
折合叠加10通径阀个数 |
||||
|
4~8组 |
8~12组 |
12~16组 |
|||
|
A |
800 |
1200 |
1500 |
||
|
A1 |
900 |
1300 |
1600 |
||
|
|
|
|
|
||
|
|
|
|
|
||
|
|
|
|
|
||
|
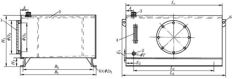
(4)油箱 |
|
矩形油箱
1—清洗用盖;2—放油螺塞;3—注油/滤清器;4—液面指示器;5—盛油槽;6—支撑用孔 |
|
表5 mm |
|||||||||||||||||
|
规格 |
质量/kg |
工作 容量 /L |
A |
B1±1 |
B2±2 |
|
D2 |
D3 |
E1 |
E2 |
H1 |
H2 |
L1±1 |
L2±1 |
L3±1 |
T |
|
|
标准型 |
重型 |
||||||||||||||||
|
60 |
55 |
90 |
75 |
50 |
463 |
415 |
220 |
14 |
240 |
60 |
60 |
440 |
80 |
600 |
500 |
740 |
1″BSP |
|
120 |
75 |
135 |
141 |
75 |
510 |
460 |
350 |
14 |
370 |
60 |
60 |
540 |
80 |
760 |
660 |
900 |
1″BSP |
|
250 |
135 |
220 |
265 |
75 |
620 |
570 |
350 |
14 |
370 |
60 |
60 |
630 |
100 |
1010 |
910 |
1150 |
1″BSP |
|
350 |
165 |
275 |
388 |
90 |
764 |
650 |
465 |
14 |
485 |
60 |
60 |
710 |
100 |
1014 |
914 |
1154 |
1″BSP |
|
500 |
265 |
385 |
578 |
90 |
766 |
650 |
465 |
14 |
485 |
60 |
60 |
730 |
120 |
1516 |
1416 |
1656 |
1½″BSP |
|
800 |
370 |
615 |
889 |
90 |
866 |
750 |
465 |
14 |
485 |
150 |
150 |
730 |
120 |
2000 |
1900 |
2140 |
1½″BSP |
|
1000 |
430 |
- |
1166 |
90 |
760 |
650 |
500 |
23 |
520 |
150 |
150 |
955 |
140 |
2200 |
2100 |
2340 |
1½″BSP |
|
1500 |
510 |
- |
1676 |
90 |
860 |
750 |
500 |
23 |
520 |
150 |
150 |
1140 |
140 |
2200 |
2100 |
2340 |
1½″BSP |
|
2000 |
590 |
- |
2086 |
90 |
860 |
750 |
500 |
23 |
520 |
150 |
150 |
1390 |
140 |
2200 |
2100 |
2340 |
1½″BSP |
|
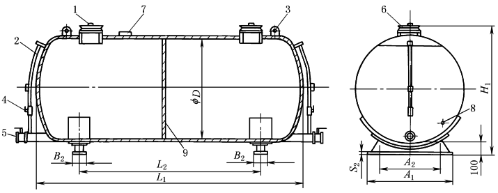
筒形油箱
1—注油/滤清器;2—液面指示器;3—运输用吊环;4—龙头;5—放油龙头2″; 6—清洗用盖,任选;7—泄油口1″;8—测试点;9—挡板,任选 |
|
表6 mm |
|||||||||
|
规 格 |
质量/kg |
A1 |
A2 |
B2 |
D |
H1 |
L1 |
L2 |
S2 |
|
1000 |
165 |
750 |
600 |
150 |
1000 |
1220 |
1510 |
765 |
8~10 |
|
1500 |
218 |
2050 |
1400 |
||||||
|
2000 |
260 |
950 |
800 |
1250 |
1470 |
1830 |
1100 |
||
|
3000 |
355 |
2740 |
1920 |
||||||
|
4000 |
587 |
3490 |
2740 |
||||||
|
4000 |
628 |
1200 |
1050 |
300 |
1600 |
1820 |
2230 |
1280 |
10~12 |
|
5000 |
740 |
2820 |
1770 |
||||||
|
6000 |
846 |
3250 |
2250 |
||||||
|
7000 |
930 |
3740 |
2770 |
||||||
|
10000 |
1250 |
5350 |
4290 |
||||||
|
13000 |
1560 |
1150 |
1000 |
475 |
6960 |
5625 |
|||
|
16000 |
2060 |
1750 |
1600 |
550 |
2000 |
2220 |
6550 |
4210 |
|
|
20000 |
2420 |
6960 |
5395 |
||||||






